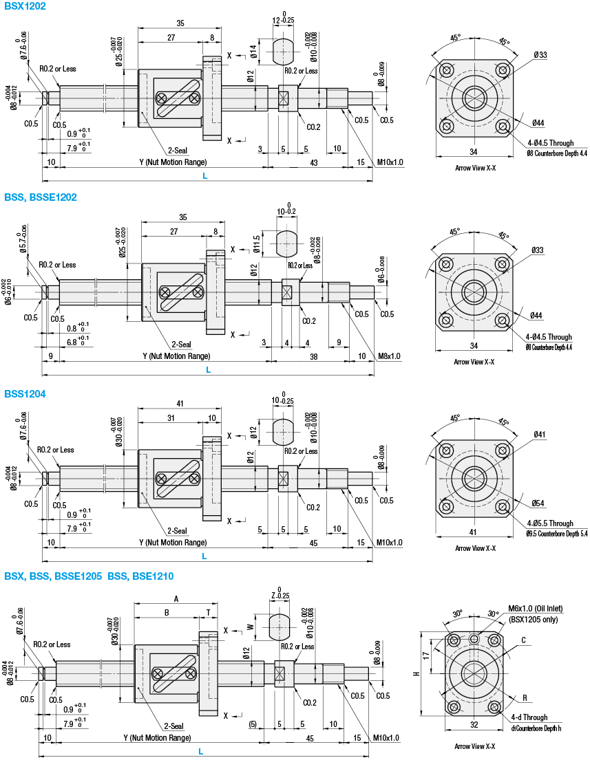
ขนาดเส้นผ่านศูนย์กลางเพลา บอลสกรู งาน งานละเอียด ⌀12 สายนำไฟฟ้า 2, 4, 5, 10

ข้อควรระวัง
- โปรดตรวจสอบเนื้อหาบนเว็บไซต์ของเรา เนื่องจากไฟล์ PDF ไม่มีข้อมูลล่าสุด
รายละเอียดสินค้า
- บอลสกรูแบบเจียร - เส้นผ่านศูนย์กลางของเพลา 12; ระยะลีด 2, 4, 5 หรือ 10 - เกรดความแม่นยำ C3, C5, หรือ C7 จาก MISUMI
- บอลสกรูแบบเจียร มีขนาดเส้นผ่านศูนย์กลางของเพลา 12 มม. และมีระยะลีดสี่ขนาดให้เลือก ได้แก่ 2 มม. 4 มม. 5 มม. และ 10 มม.
- มีเกรดความแม่นยำให้เลือก ได้แก่ C3, C5 หรือ C7
- กำหนดความยาวรวมของเพลาสกรูได้ตามต้องการ ตั้งแต่ 150 มม. ถึง 600 มม. โดยเพิ่มขึ้นครั้งละ 1 มม.
- สินค้าจะหมุนเพื่อให้เกิดระยะลีดในทิศขวามือ
- เพลาสกรูทำจากเหล็กอัลลอย 4150 และนัททำจาก SCM420

| ชนิดนัท | ชนิด | เกรดความแม่นยำ | เส้นผ่านศูนย์กลางเพลา | สายนำไฟฟ้า | เพลาสกรู | นัท | ||
| วัสดุ | ความแข็ง | วัสดุ | ความแข็ง | |||||
| น๊อตตัวเมียมาตรฐาน | BSX | C3 | 12 | 2, 5 | * AISI4150 | *ชุบแข็งด้วยกระแสเหนี่ยวนำ 58 to 62HRC | SCM420 | ชุบผิวแข็งแบบคาร์บูไรซิง 58 to 62HRC |
| BSS | C5 | 2, 4, 5, 10 | ||||||
| BSSE | C7 | 2, 5, 10 | ||||||
รายการราคา
| เกรดความแม่นยำ | รหัสสินค้า | ราคาต่อหน่วย 1 ถึง 4 ชิ้น | |||||||||||
| L150 ~ 199 | L200 | L201 ~ 250 | L251 ~ 290 | L291 ~ 295 | L296 ~ 300 | L301 ~ 390 | L391 ~ 400 | L401 ~ 440 | L441 ~ 445 | L446 ~ 450 | L451 ~ 600 | ||
| C3 | BSX1202 | — | |||||||||||
| C5 | BSS1202 | — | |||||||||||
| C7 | BSSE1202 | — | |||||||||||
| C5 | BSS1204 | — | |||||||||||
| C3 | BSX1205 | — | |||||||||||
| C5 | BSS1205 | — | |||||||||||
| C7 | BSSE1205 | — | |||||||||||
| C5 | BSS1210 | — | |||||||||||
| C7 | BSSE1210 | — | |||||||||||
ข้อมูลเพิ่มเติม

[ ! ] ใส่จาระบีสบู่ลิเธียม (จาระบี Alvania S2 ที่ผลิตโดย Showa Shell Sekiyu K.K)
[!] หมายเหตุ: อย่าปล่อยให้นัทเคลื่อนที่เลยช่วงการเคลื่อนที่ภายในเพลาสกรู และอย่าถอดนัทออกจากเพลาสกรู
เพราะอาจทำให้ลูกปืนหลุดออกมา หรือทำให้ส่วนไหลเวียนของลูกปืนในนัทเสียหาย
[!] มีจาระบีหลายชนิดให้เลือก สำหรับจำนวนวันในการจัดส่ง ราคา และรายละเอียดจำเพาะ ให้ดูที่นี่ [NG]ไม่มีสำหรับ BSX
[ ! ] สำหรับความแม่นยำของบอลสกรู ให้ดูหน้า 2223 และ 2224
[ ! ] สำหรับรายละเอียดของชุดยึดบอลสกรู ให้ดูหน้า 753 ถึง 778
[ ! ] ใช้ปลอกที่ให้มาพร้อมกับชุดยึดบอลสกรูที่ด้านนัทยึด