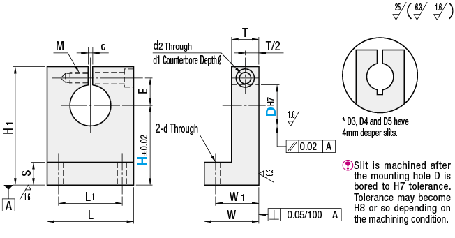
อุปกรณ์เสริมการเคลื่อนที่เพลา ทรงตัว L (ตัดแต่งขึ้นรูปด้วยเครื่องจักร) - แผ่นสลิท

แบรนด์ :
MISUMI
ข้อควรระวัง
รายละเอียดสินค้า
เหมาะสำหรับกรณีที่มีพื้นที่ตามขวางจำกัด การขันแน่นจะไม่ทำให้เพลาเสียหาย

| ชนิดเลือกความสูง H ได้ | ชนิดกำหนดความสูง H ได้ | [M] วัสดุ | [S] กระบวนการเตรียมผิว | [ A ] อุปกรณ์เสริม |
| SHKSB | SHKSBH | เทียบเท่า S45C | การรมดำ (Blackening) | หัวจมหกเหลี่ยม สกรูหัวจม 1 ชิ้น |
| SHKSM | SHKSMH | ชุบนิกเกิลแบบไม่ใช้ไฟฟ้า | หัวจมหกเหลี่ยม สกรูหัวจม 1 ชิ้น (SUS) | |
| SHKSS | SHKSSH | เทียบเท่า SUS304 | — | |
| SHKSA | SHKSAH | อลูมิเนียมอัลลอยซีรีส์ 6000 | ไวท์อลูไมท์ | |
| SHKSD | — | แบล็คอลูไมท์ | หัวจมหกเหลี่ยม สกรูหัวจม 1 ชิ้น |