Electric Cylinder, Standard Type E-ECTL50

Brand :
MISUMI
Caution
Product Description
Product Overview
An electric cylinder is a device that converts the rotational motion of an electric motor into linear motion through a ball screw, driving the extension and retraction of the cylinder rod.
Compared with traditional hydraulic and pneumatic cylinder, it has the characteristis of energy saving, space-saving design, low noise, pollution fee and low maintenance cost, achieving the goal of overall cost reduction.
The structure of a MISUMI electric cylinder is composed of an aluminum alloy body, ball screw, and push rod. The mounting hole size and position are processed according to the customer's specified motor brand. A customized motor mounting plate and sensor switches are optional.
Compared with traditional hydraulic and pneumatic cylinder, it has the characteristis of energy saving, space-saving design, low noise, pollution fee and low maintenance cost, achieving the goal of overall cost reduction.
The structure of a MISUMI electric cylinder is composed of an aluminum alloy body, ball screw, and push rod. The mounting hole size and position are processed according to the customer's specified motor brand. A customized motor mounting plate and sensor switches are optional.
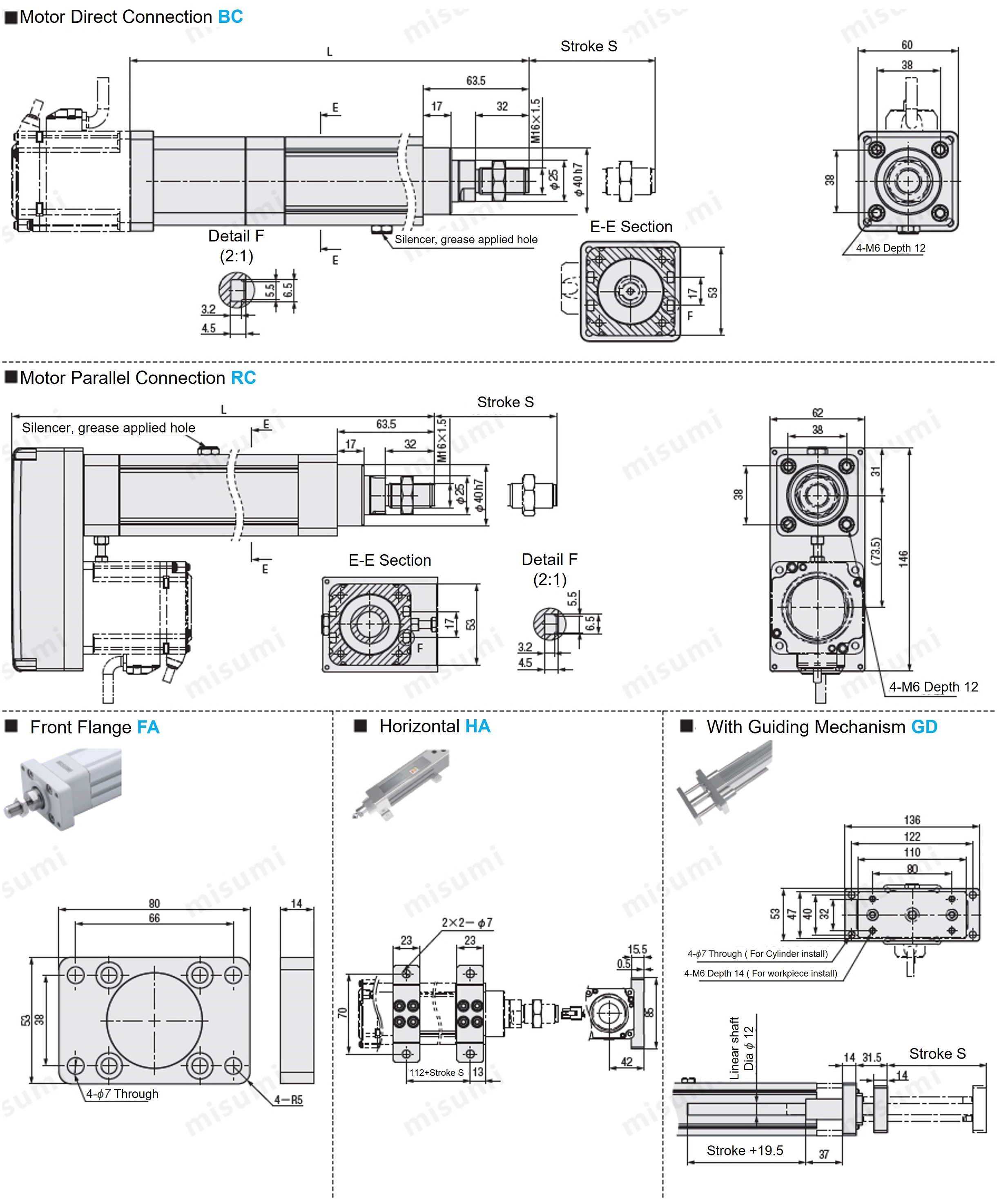
Dimensional Drawing
| BC(Direct connection) | RC(Parallel connection) |
| |||||||||||||||||||||
![]() | ![]() |

| E-ECTL50 Stroke S | 50 | 100 | 150 | 200 | 250 | 300 | 350 | 400 | 450 | 500 | |
| L | Direct connection | 320 | 370 | 420 | 470 | 520 | 570 | 620 | 670 | 720 | 770 |
| Parallel connection | 297 | 347 | 397 | 447 | 497 | 547 | 597 | 647 | 697 | 747 | |
| Body mass (kg) (Reference) | Direct connection | 2.16 | 2.48 | 2.8 | 3.11 | 3.43 | 3.75 | 4.06 | 4.38 | 4.7 | 5.01 |
| Parallel connection | 2.36 | 2.68 | 3 | 3.31 | 3.63 | 3.95 | 4.26 | 4.58 | 4.9 | 5.21 | |
When choose GD (Guide mechanism), the total length L is L-18Specification Table
Please follow the selection steps
~
select the model and parameters to order.
※1 The maximum speed is a reference value based on the servo motor's maximum speed of 3000 rpm. If the stroke exceeds 300, the speed should be reduced accordingly to avoid resonance.
The motor bracket type M is compatible with several motor brands. Please refer to the Motor Code and Corresponding Brand table for details.
This product does not include a motor; the customer needs to purchase the motor separately. When the motor code is specified as Z, the motor shaft diameter and installation dimensions must be provided.
The motor acceleration and deceleration time should be set to at least 0.2 seconds.
■Recommended servo motor list
■Components
■E-ECTL Sensor specification

■Sensor wiring diagram

■Sensor parameters
~
select the model and parameters to order.![]() | Type | - | Lead | - | Stroke S | - | Motor direction | - | Motor code | - | Mounting method | - | Number of sensor | |
| E-ECTL50 | - | 10 | - | S200 | - | RC | - | M200W | - | FA | - | C1 |
| Model | Stroke S | Motor Drirection | Motor Code | Mounting Method | Number of Sensor | Rated Thrust (N) | Max. Speed (mm/s)※1 | Max. Payload(kg) | Positioning Repeatability(mm) | Body Width | Ball Screw | |||
Type | Lead(mm) | 50m incremental | Brand | Power W | Horizontal Use | Vertical Use | ||||||||
| E-ECTL50 | 05 | 50~500 | BC(Direct connection) RC(Parallel connection) | P(Panasonic) M(Motor Table) Z(Customized) | 200W | NA(Body Mounting) FA(Front Flange) HA(Horizontal) GD(With Guiding Mechanism) | C0(Not provided) C1(1 pcs) C2(2 pcs) C3(3 pcs) | 680 | 250 | 50 | 15 | ±0.01 | □53 | Φ12 (C7) |
| 10 | 340 | 500 | 30 | 8 | ||||||||||
The motor bracket type M is compatible with several motor brands. Please refer to the Motor Code and Corresponding Brand table for details.
This product does not include a motor; the customer needs to purchase the motor separately. When the motor code is specified as Z, the motor shaft diameter and installation dimensions must be provided.
The motor acceleration and deceleration time should be set to at least 0.2 seconds.■Motor Code and Corresponding Brands
| Code | Brand | |
| P | Panasonic | |
| M | Mitsubishi / Yaskawa / Delta / Siemens Inovance / Xinjie / Leadshine / Omron / HCFA | |
| Z | Customized | |
■Motor mounting hole dimension


■Recommended servo motor list
| Brand | Motor code | With / Without Brake | Power | Voltage | Servo Motor Model | Driver Model |
| Panasonic | P | Without Brake (Horizontal Use) | 50W | 220V | MSMF5AZL1U2M | MADLN05SE |
| With Brake (Vertical Use) | MSMF5AZL1V2M | |||||
| Without Brake (Horizontal Use) | 100W | MSMF012L1U2M | MADLN05SE | |||
| With Brake (Vertical Use) | MSMF012L1V2M | |||||
| Without Brake (Horizontal Use) | 200W | MHMF022L1U2M | MADLN15SE | |||
| With Brake (Vertical Use) | MHMF022L1V2M | |||||
| Without Brake (Horizontal Use) | 400W | MHMF042L1U2M | MBDLN25SE | |||
| With Brake (Vertical Use) | MHMF042L1V2M | |||||
| Without Brake (Horizontal Use) | 750W | MHMF082L1U2M | MCDLN35SE | |||
| With Brake (Vertical Use) | MHMF082L1V2M | |||||
| Without Brake (Horizontal Use) | 1000W | MDMF102L1G6M | MDDLN45SE | |||
| With Brake (Vertical Use) | MDMF102L1H6M | |||||
| Without Brake (Horizontal Use) | 1500W | MDMF152L1G6 | MDDLN55SE | |||
| With Brake (Vertical Use) | MDMF152L1H6 | |||||
| Without Brake (Horizontal Use) | 2000W | MDMF202L1G6 | MEDLN83SE | |||
| With Brake (Vertical Use) | MDMF202L1H6 | |||||
| Mitsubishi | M | Without Brake (Horizontal Use) | 50W | 220V | HG-MR053 | MR-J4-10A |
| With Brake (Vertical Use) | HG-MR053B | |||||
| Without Brake (Horizontal Use) | 100W | HG-KR13 | MR-J4-10A | |||
| With Brake (Vertical Use) | HG-KR13B | |||||
| Without Brake (Horizontal Use) | 200W | HG-KR23 | MR-J4-20A | |||
| With Brake (Vertical Use) | HG-KR23B | |||||
| Without Brake (Horizontal Use) | 400W | HG-KR43 | MR-J4-40A | |||
| With Brake (Vertical Use) | HG-KR43B | |||||
| Without Brake (Horizontal Use) | 750W | HG-KR73 | MR-J4-70A | |||
| With Brake (Vertical Use) | HG-KR73B | |||||
| Without Brake (Horizontal Use) | 1000W | HG-SR102 | MR-J4-100A | |||
| With Brake (Vertical Use) | HG-SR102B | |||||
| Without Brake (Horizontal Use) | 1500W | HG-SR152 | MR-J4-200A | |||
| With Brake (Vertical Use) | HG-SR152B | |||||
| Yaskawa | M | Without Brake (Horizontal Use) | 50W | 220V | SGM7J-01AFC6S | SGD7S-R90A00A002 |
| With Brake (Vertical Use) | SGM7J-01AFC6E | |||||
| Without Brake (Horizontal Use) | 100W | SGM7J-01AFC6S | SGD7S-R90A00A002 | |||
| With Brake (Vertical Use) | SGM7J-01AFC6E | |||||
| Without Brake (Horizontal Use) | 200W | SGM7J-02AFC6S | SGD7S-1R6A00A002 | |||
| With Brake (Vertical Use) | SGM7J-02AFC6E | |||||
| Without Brake (Horizontal Use) | 400W | SGM7J-04AFC6S | SGD7S-2R8A00A002 | |||
| With Brake (Vertical Use) | SGM7J-04AFC6E | |||||
| Without Brake (Horizontal Use) | 750W | SGM7J-08AFC6S | SGD7S-5R5A00B202 | |||
| With Brake (Vertical Use) | SGM7J-08AFC6E | |||||
| Delta | M | Without Brake (Horizontal Use) | 100W | 220V | ECM-B3L-C20401RS1 | ASD-B3-0121-L |
| With Brake (Vertical Use) | ECM-B3L-C20401SS1 | |||||
| Without Brake (Horizontal Use) | 200W | ECM-B3M-C20602RS1 | ASD-B3-0221-L | |||
| With Brake (Vertical Use) | ECM-B3M-C20602SS1 | |||||
| Without Brake (Horizontal Use) | 400W | ECM-B3M-C20604RS1 | ASD-B3-0421-L | |||
| With Brake (Vertical Use) | ECM-B3M-C20604SS1 | |||||
| Without Brake (Horizontal Use) | 750W | ECM-B3M-C20807RS1 | ASD-B3-0721-L | |||
| With Brake (Vertical Use) | ECM-B3M-C20807SS1 | |||||
| P | Without Brake (Horizontal Use) | 1000W | ECM-B3M-E21310RS1 | ASD-B3-0121-L | ||
| With Brake (Vertical Use) | ECM-B3M-E21310SS1 | |||||
| Without Brake (Horizontal Use) | 1500W | ECM-B3M-E21315RS1 | ASD-B3-1521-L | |||
| With Brake (Vertical Use) | ECM-B3M-E21315SS1 | |||||
| Without Brake (Horizontal Use) | 2000W | ECM-B3M-E21320RS1 | ASD-B3-2023-L | |||
| With Brake (Vertical Use) | ECM-B3M-E21320SS1 |
■Components
| Component name | Type | 200W | |||
| Direct connection | Coupling | Clamping type with keyway | Outside diameter | Ball screw side | Motor side |
| Φ30 | Φ10 | Φ14(Panasonic Φ11) | |||
| Parallel connection | Ball screw pulley | Nickel plated steel | 3GT-41Teeth×Φ10 | ||
| Motor pulley | 3GT-41Teeth×Φ14(PanasonicΦ11) | ||||
| Timing belt | Glass fiber core rubber | 270-3GT-15 | |||
| Sensor(Optional) | DMST-020-2M (DC 2-wire, Normal open) | ||||
■E-ECTL Sensor specification

■Sensor wiring diagram

■Sensor parameters
| Mode | Output Type | Install Method | Detection Method | Working Voltage | Current Consumption | Output Current | Repeatability | Switching Frequency | Indicator Light | Working Environment Temperature | Cable Length | Protection Rating |
| DMST DMSE | D:DC 2-wire, Normal open | Screw clamp to cylinder groove | Magnetic ring NS middle | 5~30V DC | ≦0.05mA | ≦100mA | <0.2㎜ | ≦2000Hz | Red light | -20~+70℃ | 2m | IP67 |
Product Features
■Structure

■Advantages
・Positioning Repeatability ±0.01mm
・Commonly used for vertical installations and axial thrust applications.
・Suitable for pressing, riveting, clamping, and pushing/pulling mechanisms.
・Can replace pneumatic cylinders for similar functions.

■Advantages
・Positioning Repeatability ±0.01mm
・Commonly used for vertical installations and axial thrust applications.
・Suitable for pressing, riveting, clamping, and pushing/pulling mechanisms.
・Can replace pneumatic cylinders for similar functions.
| Main body installation | Front flange installation> |
![]() | ![]() |
| Horizontal installation | Installation with guide mechanism |
![]() | ![]() |
Precautions
■Precautions for use
①Operating environment: Room temperature (-20℃ to 40℃). Avoid corrosive, flammable, electromagnetic, or moist environments.
②Ensure the installation surface is vibration and pressure-resistant, with flatness within ±0.05mm per 500mm.
③Use a motor with a brake when the electric cylinder is mounted vertically.
④Protect the cylinder from vibration and impact. Prevent the push rod from rotating and the cylinder from deforming.
①Operating environment: Room temperature (-20℃ to 40℃). Avoid corrosive, flammable, electromagnetic, or moist environments.
②Ensure the installation surface is vibration and pressure-resistant, with flatness within ±0.05mm per 500mm.
③Use a motor with a brake when the electric cylinder is mounted vertically.
④Protect the cylinder from vibration and impact. Prevent the push rod from rotating and the cylinder from deforming.
Usage Methods
■Motor Installation and Timing Belt Adjustment Method
Standard type direct connection E-ECTL

1) Open the plastic hole cover and manually turn the coupling bolt to align with the hole.
2) Use a hex wrench to loosen the coupling bolt, then tighten it after installing the motor.
3) Finally, reinsert the plastic hole cover to complete the motor installation.
Standard type parrallel connection E-ECTL

1) Remove the motor cover and install the motor. Note that the motor mounting screws don't need to be tightened yet to allow position adjustment.
2) Install the timing pulley on the motor shaft, ensuring it is parallel with the timing pulley on the ball screw.
3) Tighten the timing pulley screw and install the timing belt.
4) Adjust the timing belt tension using the adjusting screw on the body.
5) Use a tension tester to measure the belt tension to ensure it matches the reference value (see the table below).
6) Finally, tighten the motor mounting screws and re-install the motor cover to complete the installation.
Electric cylinder belt tension value (reference)
Standard type direct connection E-ECTL

1) Open the plastic hole cover and manually turn the coupling bolt to align with the hole.
2) Use a hex wrench to loosen the coupling bolt, then tighten it after installing the motor.
3) Finally, reinsert the plastic hole cover to complete the motor installation.
Standard type parrallel connection E-ECTL

1) Remove the motor cover and install the motor. Note that the motor mounting screws don't need to be tightened yet to allow position adjustment.
2) Install the timing pulley on the motor shaft, ensuring it is parallel with the timing pulley on the ball screw.
3) Tighten the timing pulley screw and install the timing belt.
4) Adjust the timing belt tension using the adjusting screw on the body.
5) Use a tension tester to measure the belt tension to ensure it matches the reference value (see the table below).
6) Finally, tighten the motor mounting screws and re-install the motor cover to complete the installation.
Electric cylinder belt tension value (reference)
| Motor Power (W) | Electric Cylinder Model | Timing Belt Type | Belt Width (mm) | Belt Center Distance (mm) | Belt Thickness (mm) | Tension Value(reference) (N) |
| 100W | E-ECTL40/E-ECRL5 | 2GT | 12 | 55 | 1.3 | 12~17 |
| 200W | E-ECTL50/E-ECRL8 | 3GT | 15 | 81 | 2.5 | 32~42 |
| 400W | E-ECTL60/E-ECRL8 | |||||
| E-ECTLT60 | 5GT | 75 | 4 | 60~75 | ||
| 750W | E-ECTL75/E-ECRL10 | 107 | ||||
| E-ECTLT75 | 8YU | 25 | 104 | 5.2 | 125~155 | |
| 1000W | E-ECTL90/E-ECTLT90 | 8M | 30 | 128 | 6.1 | 409~450 |
| 1500W | ||||||
| 2000W | E-ECTL90 | |||||
| E-ECTLT110 | 50 | 160 | 573~630 |
Example of Uses
■Standard Electric Cylinder Usage examples
Application: Transfer mechanism
・Utilize the telescopic function of the vertically mounted electric cylinder to pick and place workpieces on conveyors at different heights.
・Adopt the transplanting mechanism of the electric cylinder, ensuring stable and fast lifting to avoid damage to workpieces during pick-and-place operations.

Application: Transfer mechanism
・Utilize the telescopic function of the vertically mounted electric cylinder to pick and place workpieces on conveyors at different heights.
・Adopt the transplanting mechanism of the electric cylinder, ensuring stable and fast lifting to avoid damage to workpieces during pick-and-place operations.

Related documents
■Regular Lubrication Method
・The Electric Cylinder requires regular lubrication. Initially, add grease after 300 hours of operation. Subsequently, lubricate every 2000 hours.
・Use general lithium-based grease No. 3 (GB7324-1994). Mobil lithium grease EP3 is recommended.
・Use a grease gun for lubrication. Do not use liquid lubricants.
Standard type

1)Remove the silencer and apply grease to the ball screw.
2)Manually extend the push rod several times to ensure the entire screw is lubricated.
※※Note: Standard E-ECTL75 and above, along with high-thrust models, include grease nipples for bearing lubrication.
・The Electric Cylinder requires regular lubrication. Initially, add grease after 300 hours of operation. Subsequently, lubricate every 2000 hours.
・Use general lithium-based grease No. 3 (GB7324-1994). Mobil lithium grease EP3 is recommended.
・Use a grease gun for lubrication. Do not use liquid lubricants.
Standard type

1)Remove the silencer and apply grease to the ball screw.
2)Manually extend the push rod several times to ensure the entire screw is lubricated.
※※Note: Standard E-ECTL75 and above, along with high-thrust models, include grease nipples for bearing lubrication.
Related products
| Single Axis Robots, Guide Built in Type | Single Axis Actuators KS series | Electric Cylinder, Radial type | ||
![]() | ![]() | ![]() | ||
| Representative Part number:E-MGT5-L10-100-BC-P10-C | Representative Part number:C-KS4001-B1-100-F1-W2 | Representative Part number:E-ECRL5-05-S100-BC-P100W |
Application Industry
| Electronic | Smartphone | Lithium batteries | ||
![]() | ![]() | ![]() | ||
| Automotive | Robotics | Medical | ||
![]() | ![]() | ![]() |
Material
Surface treatment



















