Linear Bushing Housing Unit - Wide Block, Double[RoHS Compliant]

Caution
- Bushings are applied with anti-rust oil harmless to lubricants. After cleaning (recommended cleaning method: ultrasonic cleaner or white kerosene) and drying the bushings, grease application is recommended before use.
- Please check the content on our website as the PDF does not contain the most up-to-date information.
Product Description
Linear Bushing are an economy item, The price is cheaper than the MISUMI standard product.They offer a wide variety of sizes to choose from.
RoHS10 compliant. Medium-precision linear bushing with relaxed O.D. tolerances such as I.D. and L dimension.
[Feature]
● Type : Housing Unit - Wide Blocks
● Inner Diameter Minimum/Maximum (mm.) : 8 and 50
● Overall Length Minimum/Maximum (mm.) : 75 and 215
● Operating Temperature (℃) : -20 to 80
● Material : Housing Aluminum Alloy
● Surface Treatment : Clear Anodize
[Application]
Linear Bushing are commonly used in various applications in factory automation systems
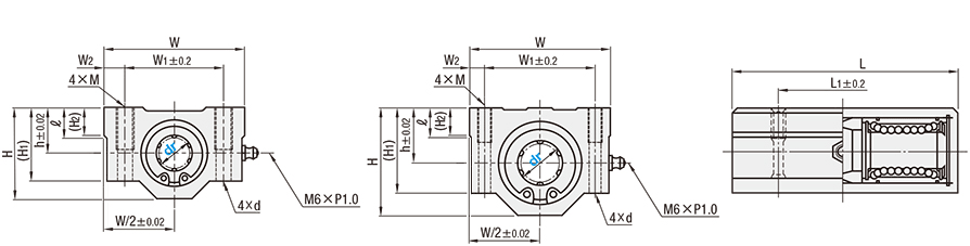
Dimensional Drawing of Linear Bushings
dr=8・10・13dr=12・16~50| Type | Linear Bushings Used | Housing | Operating Ambient Temperature | |
| >> (Here) | [M] Material | [S] Surface Treatment | ||
| C-LHBBW | C-LMU | Aluminum Alloy | Clear Anodize | -20 to 80°C |
Specification Table of Linear Bushings
| Ordering Example of Linear Bushings | Part Number (Type, dr) | |
| C-LHBBW10 |
| dr | L | L1 | h | H | (H1) | (H2) | W | W1 | W2 | M | d | ℓ | Basic Load Rating | Reference Mass | ||
| Tolerance | C (Dynamic) N | Co (Static) N | (g) | |||||||||||||
| 8 | +0.003 -0.013 | 58 | 42 | 11 | 22 | 18 | 6 | 34 | 24 | 5 | М4 | 3.4 | 8 | 431 | 784 | 102 |
| 10 | 68 | 46 | 13 | 26 | 21 | 8 | 40 | 28 | 6 | М5 | 4.3 | 12 | 588 | 1100 | 180 | |
| 12 | 70 | 50 | 15 | 28 | 24 | 42 | 30.5 | 5.75 | 657 | 1200 | 205 | |||||
| 13 | 75 | 30 | 24.5 | 44 | 33 | 5.5 | 813 | 1570 | 240 | |||||||
| 16 | 85 | 60 | 19 | 38.5 | 32.5 | 9 | 50 | 36 | 7 | 1230 | 2350 | 400 | ||||
| 20 | +0.003 -0.015 | 96 | 70 | 21 | 41 | 35 | 11 | 54 | 40 | М6 | 5.2 | 1410 | 2740 | 570 | ||
| 25 | 130 | 100 | 26 | 51.5 | 42 | 12 | 76 | 54 | 11 | М8 | 7.0 | 18 | 1610 | 3140 | 1200 | |
| 30 | 140 | 110 | 30 | 59.5 | 49 | 15 | 78 | 58 | 10 | 2450 | 5490 | 1480 | ||||
| 35 | +0.003 -0.018 | 155 | 120 | 34 | 68 | 54 | 18 | 90 | 70 | 2650 | 6270 | 2200 | ||||
| 40 | 175 | 140 | 40 | 78 | 62 | 20 | 102 | 80 | 11 | М10 | 8.7 | 25 | 3430 | 8040 | 3200 | |
| 50 | 215 | 160 | 52 | 102 | 80 | 25 | 122 | 100 | 6080 | 15900 | 6700 | |||||
Product Summary of Linear Bushings
♢ Get up to 50% discount on similar products from our company by purchasing in bulk! !
[Product comparison information of Linear Bushings]
♢There are some differences in specifications with our similar products. Please be careful when selecting.
The dimensional tolerances of the inner diameter (dr) and outer diameter (D) have been improved to the same tolerance as our similar products.
| Our similar product LHBBW20 | Economy series C-LHBBW20 | |
| dr dimension tolerance | 0 -0.012 | 0 -0.012 |
[Price comparison with our similar products of Linear Bushings]
| Order quantity | Our similar product LHBBW20 | This product C-LHBBW20 | price reduction rate |
| 1 | 2820 | 1660 | 41% |
| 51 | 2538 | 1494 | 41% |
| 101 | 2312 | 1162 | 50% |
| Order quantity | Discount rate C- LHBBW20 |
| 1-30 | - |
| 31~100 | Ten% |
| 101~ | 30% |