Plates for High Rigidity Type - For 6 Series (Slot Width 8mm) Aluminum Frames

Caution
Product Description
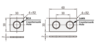
This is Frame cap that is only attached to High Rigidity Aluminum Frame GFS6-3030 and GFS6-3060
Dimensional Drawing of Frame Caps
| HFCD6−3030 | HFCD6−3060 |
![]() | |
[ ! ]For high-rigidity frames. Not compatible with standard type frames (HFS) etc.
[ ! ] Special additional machining (LTS/RTS/TSW) for countersinks and tapped holesisrequired on the frame end face .
Aluminum Frame Compatibility Chart of Frame Caps
| Frame Type | Compatible Frame Caps | ||
|---|---|---|---|
| Model | color | explanation | |
| GNFS6-3030 GFS6-3030 | HFCD6-3030 | silver color | Material: SUS304, Additional Work required on frame |
| GNFS6-3060 GFS6-3060 | HFCD6-3060 | ||
For other types of 6 series frame caps, please refer to the following.
[FA New Product] 6 series (groove width 8mm) Frame Caps for aluminum frames are here 6 series (groove width 8mm) Frame caps for aluminum frames, high rigidity plate type are here 6 series (groove width 8mm) Frame caps for aluminum frames, bolt-fixing type are here 6 series (groove width 8mm) Corner 3-sided caps for 30-corner aluminum frames are here
Technical Information of Frame Caps
How to make it flush
: Shorten the length of the aluminum frame by the thickness of the Frame Caps.
A: Specify the model number that protrudes to account for the thickness of the frame cap,
HFS6-3030-300, with a length of 300 mm.
B: Specify the model number for the frame cap that does not protrude and is flush,
HFS6-3030-294, shorter by the thickness of the frame cap.
A Frame cap pops out
B Frame cap is flush and
does not protrude

C: For the thickness of the Frame Caps,
specify the protruding model HFS6-3030-300-RCV-LCV and 300 mm long wrench holes on the left and right.
D: For the Frame Caps, specify the model HFS6-3030-294-RCV-LCV-FR-FL, which does not protrude and is flush with
the Frame Caps, shortening it by the thickness of the frame cap, and specify the wrench holes and wrench hole shifts on the left and right.
C Frame Caps pops out
D Frame Caps are flush and
do not protrude

6 Series Related Parts of Frame Caps
| Product name | Aluminum frame | bracket | Blind Joint | Groove cover | nut |
|---|---|---|---|---|---|
| photograph | ![]() | ![]() | ![]() | ![]() | ![]() |
| Product page | Here | Here | Here | Here | Here |





