Nut Mounting Bracket - 8 Series, 10mm Slot, 1 Slot

Caution
Product Description
By pressing the nut against the long protrusion, troublesome positioning of the nut is eliminated.
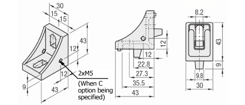
Dimensional Drawing of 90 degree Brackets

[ ! ]The hole is elongated to accommodate different nut hole positions.
[ ! ]If the nut is dropped from a high position, the protrusion may be damaged.
[ ! ]We recommend using a washer. (See additional processing/SEC below.)
[ ! ]For the 90 degree Brackets squareness, refer to the squareness tolerance table
. [ M ] Material: ADC12 [ S ] Surface treatment: None
Specification Table of 90 degree Brackets
| 90 degree Brackets Model |
| HBLFSR8 |
- To check the latest price, click the "Check Price" button after confirming the model number.
[ ! ]Bolts and nuts are not included with the 90 degree Brackets.
Check the table below for compatible bolts and nuts.
If you would like to purchase a bolt and nut set, please select from the [Accessories] filter.
For detailed specifications, check the individual product links under "Applicable bolts and nuts set" for additional processing (can be purchased separately).
| Model | mass | Suitable bolts and T-nuts | Allowable load | |||
| (g) | bolt | Quantity | T-Nut | Quantity | (N) | |
| HBLFSR8 | 55 | CBM8-20 | 2 | HNTT8-8 | 2 | 2058 |
Additional Work of 90 degree Brackets
| Model | − | (C・SET・SST・SEU・SSU・SEP・SSP・SEC) |
| HBLFSR8 HBLFSR8 | − − | SET C-SET |
| Alterations | Code | Spec. | Applicable 90 degree Brackets |
| Additional cover mounting holes | C | The 90 degree Brackets can have M5 tapped holes on both sides for mounting the cover. Model example: HBLFSR8-C (mounting screwhereHCBM) ![]() | HBLFSNF8 |
| HBLFSN8 | |||
| HBLFSNB8 | |||
| HBLFSNM8 | |||
| CHBLFSN8 | |||
| HBLFS8 | |||
| HBLFSB8 | |||
| HBLFSL8 | |||
| HBLFSNK8 | |||
| HBLFSNE8 | |||
| HBLFSR8 | |||
| HBLFSNT8 |
| Alterations | Code | Spec. | Applicable 90 degree Brackets | |||||||||||||||||||||||||||||||||
| Applicable bolts and nuts included | SET SST (Stainless steel) SEU (Pre-assembly spring nut) SSU (Pre-assembly spring nut) (Stainless steel) SEP (Post-assembly spring nut) SSP (Post-assembly spring nut) (Stainless steel) SEC (Washer assembled bolt/nut) | The applicable bolts and nuts for attaching the 90 degree Brackets to the frame are included in the set. (Added to the 90 degree Brackets price) (Example) When HBLFSR8 is specified
[ ! ]When specifying a part other than HBLFSR8, please check the appropriate bolts and nuts. | - | |||||||||||||||||||||||||||||||||
| HBLFSNF8 | ||||||||||||||||||||||||||||||||||||
| HBLFSN8 | ||||||||||||||||||||||||||||||||||||
| HBLFSNB8 | ||||||||||||||||||||||||||||||||||||
| HBLFSNM8 | ||||||||||||||||||||||||||||||||||||
| CHBLFSN8 | ||||||||||||||||||||||||||||||||||||
| HBLFS8 | ||||||||||||||||||||||||||||||||||||
| HBLFSB8 | ||||||||||||||||||||||||||||||||||||
| HBLFSL8 | ||||||||||||||||||||||||||||||||||||
| HBLFSNK8 | ||||||||||||||||||||||||||||||||||||
| HBLFSNE8 | ||||||||||||||||||||||||||||||||||||
| HBLFSR8 | ||||||||||||||||||||||||||||||||||||
| HBLFSNT8 | ||||||||||||||||||||||||||||||||||||
[ ! ]When specifying -SET, -SEU, or -SEP with a 90 degree Brackets other than black anodized or cathodic electroplated (black), the included bolts are not RoHS compliant.
■ Details of applicable bolt and nut sets (can be purchased separately)
| Additional machining model | bolt | nut | ||||
|---|---|---|---|---|---|---|
| Model | Material | type | Model | Material | Stopper | |
| SET | CBM8-20 | iron | First in | HNTT8-8 | iron | none |
| SST | SCB8-20 | stainless | First in | HNTTSN8-8 | stainless | none |
| SEU | CBM8-20 | iron | First in | HNTU8-8 | iron | Yes |
| SSU | SCB8-20 | stainless | First in | SHNTU8-8 | stainless | Yes |
| SEP | CBM8-20 | iron | Later insertion | HNTP8-8 | iron | Yes |
| SSP | SCB8-20 | stainless | Later insertion | SHNTP8-8 | stainless | Yes |
| SEC | HCBST8-24 | Iron (with washer) | First in | HNTT8-8 | iron | none |
How to Use of 90 degree Brackets
Features: This type has a protrusion that fits into the frame groove.
The protrusion acts as a rotation stopper during fastening work, making it easy to work with.
The long protrusion serves as a nut stopper, eliminating the need for fine adjustment of the nut position.
[NG]Short nuts, HNTM and HNTAM are not applicable.

Technical Information of 90 degree Brackets
■
For the squareness of the 90 degree Brackets, please refer to the squareness tolerance table .
■How to consider the 90 degree Brackets allowable load

The allowable load here indicates the load at which the 90 degree Brackets can maintain its position (without breaking or slipping) when all mounting holes on the 90 degree Brackets are fixed with bolts and a load is applied.
Similar Products of 90 degree Brackets
■ 90 degree Brackets with protrusion
There is a protrusion on the mounting surface to prevent rotation.
| Product name | Nut stop 90 degree Brackets | Inverted 90 degree Brackets with protrusion | Single Rib 90 degree Brackets | 90 degree Brackets with protrusion on one side | 90 degree Brackets with cover | Single-sided slotted 90 degree Brackets |
|---|---|---|---|---|---|---|
| Product Photos |
|
|
| No protrusions on one side, can be connected to plate
|
|
|
| Material | ADC12 | ADC12 | ADC12 | ADC12 | ADC12 | ADC12 |
| Features | The long protrusion serves as a nut stopper, eliminating the need for fine adjustment of the nut position. | The mounting surface has a protrusion, making it easy to position when mounting. This is the most conventional type. | This type has a rib (side) on only one side, making it easy to turn the hex wrench. | The protrusion is on one side only and is useful when connecting frames/plates. | This type is equipped with a dustproof cover. Dust does not accumulate inside, making it hygienic. | One side has an elongated hole. The bolt head does not interfere even when using a bolt with an assembled washer. |
| Representative model | This product | HBLFSNK8 | HBLFSL8 | HBLFSNK8 | HBLFSNT8 | HBLFSH8 |
Related Items of 90 degree Brackets
■ 8 Series
| Product name | Aluminum frame | Blind Joint | Frame cap | Groove cover | nut |
|---|---|---|---|---|---|
| photograph |
|
|
|
|
|
| Product page | Here | Here | Here | Here | Here |











