Post-Assembly Insertion Spring Nuts for Aluminum Frames with Temporary Holding Function For 8 Series (Slot Width 10mm)

Caution
- Download Free! >> Economy Series Catalog (TH-EN-FY25) CLICK here
Product Description
Post-assembly insertion spring nut for aluminum frames with a built-in spring and a temporary stop function. You can easily move through the groove by pressing it lightly with your hand.
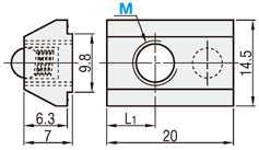
Dimensional Drawing of Nuts
SingleNuts item model | Nuts Pack Type | |
| HNTP8(equivalent to S10C) HNTPV8(loosening prevention adhesive type, equivalent to S10C) HNTPZ8(loosening prevention resin coating type, equivalent to S10C) SHNTP8(equivalent to SUS316, sintered) | PACK-HNTP8(Pack of 100) PACK-HNTPV8(Pack of 100) PACK-HNTPZ8(Pack of 100) PACK-SHNTP8(Pack of 100) |
| Reference tightening torque (N・m) | ![]() | ||
| M | Equivalent to S10C/SUS316 (sintered) | ||
| 8 | 23.5 | ||
| No | Type | Conductive function | [M]Nuts Material | [S] Surface Treatment | ||
| Main unit | ball | spring | ||||
| ① | HNTP8 | - | Equivalent to S10C | SUS304 | SWP-A | Trivalent chromate |
| PACK-HNTP8 | ||||||
| ② | HNTPV8 | - | ||||
| PACK-HNTPV8 | ||||||
| ③ | HNTPZ8 | - | ||||
| PACK-HNTPZ8 | ||||||
| ④ | SHNTP8 | ● | SUS316 equivalent (sintered) | SUS304-WP8 | − | |
| PACK-SHNTP8 | ||||||
This Nuts can be used with8 seriesand8-45 series aluminum frames with a groove width of 10 mm.

8 Series

8-45 Series
The conductive type has protrusions on the left and right contact surfaces of the aluminum frame groove. Since
it is a post-insertion type, Nuts can be installed into the groove after the aluminum frame has been assembled.
Specification Table of Nuts
| Model | − | M |
| HNTP8 | − | 8 |
| PACK-HNTP8 | − | 8 |
・To check the latest price, click the "Check Price" button after confirming the model number.
| Nuts Model | M (coarse) | L1 | ||||||||
| Type | ||||||||||
| HNTP8(S10C equivalent) |
| 8 | ||||||||
| HNTPV8(loosening prevention, equivalent to S10C) | 8 | |||||||||
| HNTPZ8(loosening prevention, equivalent to S10C) | 8 | |||||||||
| SHNTP8(equivalent to SUS316, sintered) | 4 | 5 | 6 | 8 | 8.5 | |||||
. The price list below is currentas of April 2011.
To check the latest price, click the "Check Price" button after confirming the model number.
| Nuts Model | M (coarse) | L1 | |||
| PACK-HNTP8 | 4 | 5 | 6 | 8 | 8 |
| PACK-HNTPV8 | 8 | 8 | |||
| PACK-HNTPZ8 | 8 | ||||
| PACK-SHNTP8 | 4 | 5 | 6 | 8 | 8.5 |
Specifications/Overview of Nuts
■Loosening prevention type

- This Nuts has a loosening prevention agent applied to the inside of the tap, reducing loosening caused by vibrations during transportation or equipment operation.
- Anti-loosening adhesive is an anaerobic adhesive encapsulated in microcapsules. It effectively prevents loosening, but please note that it requires time to harden (72 hours at room temperature 25°C) and loses its effectiveness onceloosened.
- Resin coating is a coating of resin that conforms to the shape of the thread. It does not have the same loosening prevention effect as adhesive types, but it does not require curing time and can be used repeatedly.
■Effects of anti-loosening agents (reference values)
| Nuts Features | Release torque after tightening (1st time) | Additional information | |||
|---|---|---|---|---|---|
| No anti-fouling agent applied | - | 5.2N・m | - | ||
| Nuts Anti-loosening adhesive type | ・Effectively prevents loosening ・However, once loosened, the effect is lost ・After tightening, the adhesive needs time to harden (approximately 72 hours at room temperature 25°C) | 7.6N・m | Test conditions: Tightened to 6.8 N m, dried at room temperature (25°C) for 72 hours, then loosened the bolts. Measured with HNTTV5-5. | ||
| Anti-loosening resin coated type | · The anti-loosening effect can be used repeatedly (the anti-loosening effect will decrease with repeated use) · The anti-loosening effect is immediately apparent after tightening | 6.5N・m | Repeated use will reduce the effectiveness of the loosening prevention function. 5th return torque: 6.2 N m (measured with HNTTZ5-5) | ||
* The return torque value is a reference value. The value may vary depending on the clearance between the bolt and Nuts.
How to Use of Nuts
This product is a post-insertion Nuts. It can be inserted into the groove after assembly.It will not fall off even if the frame is placed vertically.
The built-in spring mechanism prevents slipping. It can be easily moved within the groove by lightly pressing with your hand.


Nuts for Attaching Various Aluminum Frames and Panels/Brackets (M size - L dimension)
■8 series (groove width 10mm)
| Groove Width | Frame angle | Depth h | Compatible Nuts | Thickness b (mm) of the panel/bracket to be attached to the frame | ||||||||||||||
|---|---|---|---|---|---|---|---|---|---|---|---|---|---|---|---|---|---|---|
| 0.8 | 1 | 1.2 | 1.5 | 2 | 3 | 4 | 4.5 | 5 | 6 | 8.2 | 9 | 10 | 12 | 14 | ||||
| 10 | 40 | 12.5 | 8-4 | M4-12 | M4-15 | M4-20 | - | M4-25 | ||||||||||
| 8-5 | M5-12 | M5-15 | M5-20 | M5-22 | M5-25 | |||||||||||||
| 8-6 | M6-12 | M6-15 | M6-20 | M6-25 | ||||||||||||||
| 8-8 | - | M8-15 | M8-20 | M8-25 | ||||||||||||||
■8-45 series (groove width 10mm)
| Groove Width | Frame angle | Depth h | Compatible Nuts | Thickness b (mm) of the panel/bracket to be attached to the frame | ||||||||||||||
|---|---|---|---|---|---|---|---|---|---|---|---|---|---|---|---|---|---|---|
| 0.8 | 1 | 1.2 | 1.5 | 2 | 3 | 4 | 4.5 | 5 | 6 | 8.2 | 9 | 10 | 12 | 14 | ||||
| 10 | 45 | 13 | 8-4 | M4-12 | M4-15 | M4-20 | - | M4-25 | ||||||||||
| 8-5 | M5-12 | M5-15 | M5-20 | M5-22 | M5-25 | |||||||||||||
| 8-6 | M6-12 | M6-15 | M6-20 | M6-25 | ||||||||||||||
| 8-8 | - | M8-15 | M8-20 | M8-25 | ||||||||||||||
Technical Information of Nuts
| Reference tightening torque (N・m) | ||
|---|---|---|
| M | Equivalent to S10C/equivalent to SUS316 (sintered) | |
| 8 | 23.5 | |
Selection Support Information of Nuts
■Difference between first-in and last-in
- MISUMI offers a wide range of aluminum frame Nuts, including both first-in and last-in types. Use them according to your application.
First-in: Install from the groove end face before assembly. The wide design means there is little play inside the groove, making bolt tightening easy.

Post-insertion: Can be inserted into the groove after assembly.

■If the aluminum frame becomes stuck and cannot be removed,
you can remove it by hooking a hex wrench into the hole in the Nuts and turning it at a right angle to the groove.
Related parts of Nuts
| Product name | Aluminum frame | bracket | Blind Joint | Frame cap | Groove cover | |
|---|---|---|---|---|---|---|
| photograph | ![]() | ![]() | ![]() | ![]() | ![]() | |
| 8 Series | Product page | Here | Here | Here | Here | Here |
| 8-45 Series | Product page | Here | Here | Here | Here | Here |





