Thick Bracket (Perpendicular Machining) - 5 Series, 6mm Slot, 1 Slot (90 Degree)

Caution
Product Description
A right-angle processing type with a protrusion that fits into the groove on the bottom of the extruded bracket. The protrusions prevent rotation during fastening work, so workability is excellent.
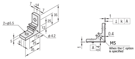
Dimensional Drawing of 90 degree Brackets
HBKTS5
HBKTSB5(Black anodized)

| 90 degree Brackets Model | Perpendicularity K |
| HBKTST5 | 0.03 |
| HBKTS5 | 0.06 |
| HBKTSB5* (black anodized) |
| 90 degree Brackets Type | [M] Material | [S] Surface Treatment |
| HBKTST5 | A6N01SS-T5 | Anodizing |
| HBKTS5 | ||
| HBKTSB5 | Black anodized |
Specification Table of 90 degree Brackets
| 90 degree Brackets Model |
| HBKTST5 |
・To check the latest price, please click the "Check Price" button after confirming the model number.
| Model | Mass (g) | Suitable bolts and T-nuts | Allowable load (N) | |||
| bolt | Quantity | T-Nut | Quantity | |||
| HBKTST5 | 15 | CBM5-10 | 2 | HNTT5-5 | 2 | 833 |
| HBKTS5 | ||||||
| HBKTSB5* (black anodized) | ||||||
Additional Processing of 90 degree Brackets
| Model | − | (C・SET・SST・SEU・SSU・SEP・SSP・SEC) |
| HBKTS5 | − | SET |
| HBKTS5 | − | C-SET |
| Alterations | Code | Spec. | Applicable 90 degree Brackets |
| NBLTS5 | |||
| Additional cover mounting holes | C | The 90 degree Brackets is tapped for mounting the cover (M5 on both sides) (Mounting screws are HCBM) . | HBLTS5 |
| HBLTS5−4 | |||
| CHBLTS5 | |||
| HBLTV5 | |||
| HBLTVB5 | |||
| HBKTS5 | |||
| NBLUS5 | |||
| HBLUS5 | |||
| HBKUS5 | |||
| HBLTH5 | |||
| HBLTHB5 | |||
| HBLTSW5 | |||
| HBLTVW5 | |||
| HBLTF5 |
| Alterations | Code | Spec. | Applicable 90 degree Brackets | ||||||||||||||||||||||||||||||||||||||
| Applicable bolts and nuts included | SET SST (stainless steel) SEU (pre-assembly spring nut) SSU (pre-assembly spring nut stainless steel) SEP (post-assembly spring nut) SSP (post-assembly spring nut stainless steel) SEC ( bolt and nut with washer) | The applicable bolts and nuts for attaching the 90 degree Brackets to the frame are included in the set. (Added to the 90 degree Brackets price) (Example) When specifying HBKTST5
| - | ||||||||||||||||||||||||||||||||||||||
| NBLTS5 | |||||||||||||||||||||||||||||||||||||||||
| HBLTS5 | |||||||||||||||||||||||||||||||||||||||||
| HBLTS5−4 | |||||||||||||||||||||||||||||||||||||||||
| HBLTSB5 | |||||||||||||||||||||||||||||||||||||||||
| CHBLTS5 | |||||||||||||||||||||||||||||||||||||||||
| HBLTV5 | |||||||||||||||||||||||||||||||||||||||||
| HBLTVB5 | |||||||||||||||||||||||||||||||||||||||||
| HBKTST5 | |||||||||||||||||||||||||||||||||||||||||
| HBKTS5 | |||||||||||||||||||||||||||||||||||||||||
| HBKTSB5 | |||||||||||||||||||||||||||||||||||||||||
| NBLUS5 | |||||||||||||||||||||||||||||||||||||||||
| HBLUS5 | |||||||||||||||||||||||||||||||||||||||||
| HBKUS5 | |||||||||||||||||||||||||||||||||||||||||
| HBKUSB5 | |||||||||||||||||||||||||||||||||||||||||
| HBLTH5 | |||||||||||||||||||||||||||||||||||||||||
| HBLTHB5 | |||||||||||||||||||||||||||||||||||||||||
| HBLTSW5 | |||||||||||||||||||||||||||||||||||||||||
| HBLTVW5 | |||||||||||||||||||||||||||||||||||||||||
| HBLTF5 | |||||||||||||||||||||||||||||||||||||||||
| [ ! ]The bolts for the black anodized 90 degree Brackets are HCBMTB (black trivalent chromate). [ ! ]When specifying -SET, -SEU, or -SEP with a 90 degree Brackets other than the black anodized 90 degree Brackets, the included bolts are not RoHS compliant. | |||||||||||||||||||||||||||||||||||||||||
Additional Processing Details of 90 degree Brackets
■ Hole processing for cover installation (-C)
You can add M5 tapped holes on both sides.
Example of additional machining model: HBKTS5-C
■Details of applicable bolt and nut sets
| Additional processing model | bolt | nut | ||||
|---|---|---|---|---|---|---|
| Model | Material | type | Model | Material | Stopper | |
| SET | CBM5-10 | iron | First in | HNTT5-5 | iron | none |
| SST | SCB5-10 | stainless | First in | HNTTBS5-5 | stainless | none |
| SEU | CBM5-10 | iron | First in | HNTU5-5 | iron | Yes |
| SSU | SCB5-10 | stainless | First in | SHNTU5-5 | stainless | Yes |
| SEP | CBM5-10 | iron | Later insertion | HNTP5-5 | iron | Yes |
| SSP | SCB5-10 | stainless | Later insertion | SHNTP5-5 | stainless | Yes |
| SEC | HCBST5-12 | Iron (with washer) | First in | HNTT5-5 | iron | none |
Product Features of 90 degree Brackets
This product is a right-angle processed type with a protrusion on the bottom of the extrusion 90 degree Brackets that fits into the frame groove.
The protrusion acts as a rotation stopper during fastening work, making it easy to work with.
The squareness of this product is guaranteed.
HBKTST5: Squareness 0.03
HBKTS5, HBKTSB5: Squareness 0.06
Similar Products of 90 degree Brackets
■5 Series - 1-row groove - Extrusion type 90 degree Brackets
| Product name | Thick 90 degree Brackets | Extra thick 90 degree Brackets | Thick 90 degree Brackets (2x holes) | Eccentric 90 degree Brackets | Different size frame connection 90 degree Brackets | Unequal Side 90 degree Brackets | Thin 90 degree Brackets |
|---|---|---|---|---|---|---|---|
| Product Photos |
|
|
|
|
|
|
|
| Features | This type is made of the same material as the aluminum frame and has been anodized. It is effective when you want to unify the appearance with the frame. It is available for 25mm square frames. | The thick 90 degree Brackets and bolts are the same number, allowing for a stronger connection. | This type has two mounting holes on one surface. It uses four bolts, so the frame can be connected more firmly. It is available for 25mm square frames. | The hole positions are off-center so when attaching plates to the side, 5mm and 3mm thick plates can be installed flush with the frame surface. | The mounting holes are staggered. This type can connect 20mm and 30mm square frames. | The length and width are unequal, allowing it to be installed in narrow spaces. | This 90 degree Brackets does not protrude from the frame when cross-connecting, making it possible to use in tight spaces. |
| Allowable load | 833 | 833 | 1176 | 833 | - | 1004 | 686 |
| Representative Model | HBLTS5 | HBLUS5 | HBLTSW5 | HBLTH5 | HBLTS6-5L | HBLTF5 | HBLST5 |
| This product (right angle processing type) | HBKUS5 (right angle processing type) | HBLSP5 (with protrusion) |
| [This product] Extrusion type 90 degree Brackets
| · The material of the extrusion 90 degree Brackets is A6N01SS-T5, and it is made by extruding aluminum. The surface is anodized. · It is effective when you want to unify the appearance with the frame. It is structured to prevent dust accumulation. · It is stronger than a 90 degree Brackets with protrusions, so it is ideal for places where strength is required. |
| 90 degree Brackets with protrusion | ・The protrusion 90 degree Brackets is a 90 degree Brackets made of ADC12 material using a mold. It is generally not anodized and is less expensive than the same size extrusion type 90 degree Brackets. ・The protrusion acts as a rotation stopper during fastening work, making it easy to work with. ・There are various types of 90 degree Brackets with additional functions. |
Technical Information of 90 degree Brackets
■ 90 degree Brackets allowable load concept

The allowable load here indicates the load at which the 90 degree Brackets can maintain its position (without breaking or slipping) when all mounting holes on the 90 degree Brackets are fixed with bolts and a load is applied.
Related Items of 90 degree Brackets
■5 series (groove width 6mm)
| Product name | Aluminum frame | Blind Joint | Frame cap | Groove cover | nut |
|---|---|---|---|---|---|
| photograph |
|
|
|
|
|
| Product page | Here | Here | Here | Here | Here |













