8-45 Series Aluminum Frame Tabbed/Extruded Ultra Thick Bracket - 10mm Slot, 2+ Slots

Caution
- Download Free! >> Economy Series Catalog (TH-EN-FY25) CLICK here
Product Description
It is a bracket that can connect a 2-row groove type frame with a single bracket.
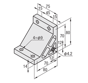
Dimensional Drawing of 90 degree Brackets

[ ! ]Please refer to he squareness tolerance table for the 90 degree Brackets squareness .
Specification Table of 90 degree Brackets
| 90 degree Brackets Model |
| HBLUD8-45 |
・To check the latest price, click the "Check Price" button after confirming the model number.
[ ! ]Bolts and nuts are not included with the 90 degree Brackets.
Please check the table below for compatible bolts and nuts.
If you would like to purchase a bolt and nut set, please select it from the "Accessories" filter.
For detailed specifications, please check the individual product links under "Applicable bolt and nut set" (can be purchased individually).
| Model | Mass (g) | Compatible bolts and T-nuts | Allowable load (N) | |||
| bolt | Quantity | T-nut | Quantity | |||
| HBLUD8-45 | 387 | CBM8-25 | 4 | HNTT8-8 | 4 | 3920 |
Additional Work of 90 degree Brackets
| Model | − | (C・SET・SST・SEU・SSU・SEP・SSP・SEC) |
| HBLUD8-45 | − | SET |
| HBLUD8-45 | − | C-SET |
| Alterations | Code | Spec. | Applicable 90 degree Brackets |
| Additional cover mounting holes | C | The 90 degree Brackets can be fitted with M5 tapped holes on both sides for attaching the cover. Model example: HBLUD8-45-C (mounting screws:HCBM). ![]() | HBLFSDW8-90 |
| HBLFSDW8-100 | |||
| HBLTD8-45 | |||
| HBLUD8-45 | |||
| HBLTDW8-45 | |||
| HBLUDW8-45 | |||
| HBLTD8-100 | |||
| HBLUW8-100 | |||
| HBLPQ8-100 |
| Alterations | Code | Spec. | Applicable 90 degree Brackets | |||||||||||||||||||||||||||||||||
| Applicable bolt and nut set | SET SST (Stainless steel) SEU (Pre-assembly spring nuts) SSU (Pre-assembly spring nuts stainless steel) SEP (Post- assembly spring nuts) SSP (Post-assembly spring nuts stainless steel) SEC( Bolts and nuts with assembled washer) | The set includes the applicable bolts and nuts for attaching the 90 degree Brackets to the frame. (Added to the 90 degree Brackets price) (Example) When specifying HBLUD8-45
[ ! ]If you specify a part other than HBLUD8-45, please check the corresponding compatible bolts and nuts. | − | |||||||||||||||||||||||||||||||||
| HBLFSDW8-90 | ||||||||||||||||||||||||||||||||||||
| HBLFSDW8-100 | ||||||||||||||||||||||||||||||||||||
| NBLTD8-45 | ||||||||||||||||||||||||||||||||||||
| HBLTD8-45 | ||||||||||||||||||||||||||||||||||||
| HBLUD8-45 | ||||||||||||||||||||||||||||||||||||
| HBLTDW8-45 | ||||||||||||||||||||||||||||||||||||
| HBLUDW8-45 | ||||||||||||||||||||||||||||||||||||
| HBLTD8-100 | ||||||||||||||||||||||||||||||||||||
| HBLUW8-100 | ||||||||||||||||||||||||||||||||||||
| HBLPQ8-100 | ||||||||||||||||||||||||||||||||||||
■Applicable bolt and nut set details (can be purchased separately)
| Additional machining model | bolt | nut | ||||
|---|---|---|---|---|---|---|
| Model | Material | type | Model | Material | Stopper | |
| SET | CBM8-25 | iron | First in, first out | HNTT8-8 | iron | none |
| SST | SCB8-25 | stainless | First in, first out | HNTTSN8-8 | stainless | none |
| SEU | CBM8-25 | iron | First in, first out | HNTU8-8 | iron | Yes |
| SSU | SCB8-25 | stainless | First in, first out | SHNTU8-8 | stainless | Yes |
| SEP | CBM8-25 | iron | Later insertion | HNTP8-8 | iron | Yes |
| SSP | SCB8-25 | stainless | Later insertion | SHNTP8-8 | stainless | Yes |
| SEC | HCBST8-29 | Iron (with washer) | First in, first out | HNTT8-8 | iron | none |
Product Features of 90 degree Brackets
Extruded 90 degree Brackets: Made of extruded aluminum A6N01SS-T5. Anodized aluminum finish.
Product features: Compared tothick 90 degree Brackets, it allows for a stronger connection with the same number of bolts.
| Compatible Frames |
|---|
| 8-45 series for 90mm square |
Technical Information of 90 degree Brackets
■ Perpendicularity
Please check the squareness tolerance table for the 90 degree Brackets squareness .
■ 90 degree Brackets allowable load concept

The allowable load here refers to the load that the 90 degree Brackets can maintain in position (without breaking or slipping) when all mounting holes on the 90 degree Brackets are fixed with bolts and a load is applied.
Similar Products of 90 degree Brackets
■8-45 Series (groove width 10 mm) - For 2-row grooves -
| Product name | Extra-thick extruded 90 degree Brackets (this product) | Thick extruded 90 degree Brackets | Extruded thick 90 degree Brackets mounting holes x 4 | Reversible 90 degree Brackets with protrusion | Thin 90 degree Brackets | Thick extruded 90 degree Brackets for 100mm square | Extra-thick extruded 90 degree Brackets for 100mm square |
|---|---|---|---|---|---|---|---|
| image |
| ||||||
| Representative model | HBLTD8-45 | HBLTD8-45 | HBLTDW8-45 HBLUDW8-45 | HBLFSDW8-90 HBLFSDW8-100 | HBLSD8-45 | HBLTD8-100 | HBLUW8-100 |
| Material | A6N01SS-T5 | A6063S-T5 A6N01SS-T5 | A6N01SS-T5 | ADC12 | A6N01SS-T5 | A6N01SS-T5 | A6N01SS-T5 |
| Suitable frame angle | 90 square | 90 square | 90 square | 90 square/100 square | 90 square | 100 square | 100 square |
| Allowable load (N) | 3920 | 2940 | 4410/5586 | 4986/5586 | 2352 | 2940 | 5586 |
| Features | Compared to HBLTD8-45, it provides a stronger connection with the same number of bolts. | This is an extruded 90 degree Brackets for 90mm square. It has an aesthetically pleasing design that prevents dust from accumulating. | Compared to the HBLTD8-45, there are four mounting holes on each side, allowing for a stronger connection. | The mounting surface has a protrusion, making it easy to position during installation. | This is effective for space saving during installation. It does not protrude from the frame when cross-connected. | This is an extruded 90 degree Brackets for 100mm square. It has an aesthetically pleasing design that prevents dust from accumulating. | Compared to the HBLTD8-100, there are four mounting holes on each side, allowing for a stronger connection. |
Related Items of 90 degree Brackets
■90 degree Brackets 8-45 Series
| Product name | Aluminum frame | Blind Joint | Frame cap | Groove cover | nut |
|---|---|---|---|---|---|
| photograph |
|
|
|
|
|
| Product page | Here | Here | Here | Here | Here |












