One-Side Rib Bracket - 5 Series, 6mm Slot, 1 Slot

Caution
Product Description
The rib (side) is only on one side, making it easy to turn a hex key.
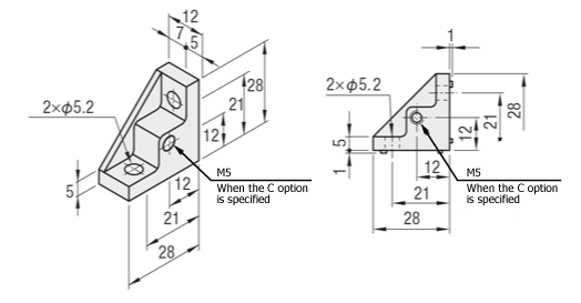
Dimensional Drawing of 90 degree Brackets
| HBLFSL5 HBLFSL5 HBLFSL5 |

| Type | [M] Material | [S] Surface Treatment |
| HBLFSL5 | ADC12 | − |
| HBLFSLB5 | Cathodic electrocoating (black) | |
| HBLFSLM5 | Electroless Nickel Plating |
Specification Table of 90 degree Brackets
| Model 90 degree Brackets |
| HBLFSL5 |
| Model 90 degree Brackets | Mass (g) | Suitable bolts and T-nuts | Allowable load (N) | |||
| Type | bolt | Quantity | T-Nut | Quantity | ||
| HBLFSL5 | 13 | CBM5-10 | 2 | HNTT5-5 | 2 | 1176 |
| HBLFSLB5 (cationic electrocoating: black) | ||||||
| HBLFSLM5 (Electroless Nickel Plating) | ||||||
Additional Processing of 90 degree Brackets
| Model 90 degree Brackets | − | (C・SET・SST・SEU・SSU・SEP・SSP・SEC) |
| HBLFSL5 | − | SET |
| HBLFSL5 | − | C-SET |
| Alterations | Code | Spec. | Applicable bracket |
| Additional cover mounting holes | C | The 90 degree Brackets is tapped for mounting the cover (M5 on both sides) (Mounting screws are HCBM) . | HBLFSNF5 |
| HBLFSN5 | |||
| HBLFSN5-4 | |||
| HBLFSNB5 | |||
| HBLFSNM5 | |||
| CHBLFSN5 | |||
| HBLFSL5 | |||
| HBLFSLB5 | |||
| HBLFSLM5 | |||
| HBLFSR5 | |||
| HBLFSNK5 | |||
| HBLFSNE5 | |||
| HBLFSNT5 | |||
| HBLFSSW5 | |||
| HBLFSSWB5 |
Please specify alteration code -C.

| Alterations | Code | Spec. | Applicable bracket | |||||||||||||||||||||||||||||||||||
| Applicable bolts and nuts included | SET SST (stainless steel) SEU (pre-assembly spring nut) SSU (pre-assembly spring nut stainless steel) SEP (post-assembly spring nut) SSP (post-assembly spring nut stainless steel) SEC ( bolt and nut with washer) | The applicable bolts and nuts for attaching the bracket to the frame are included in the set. (Added to the bracket price) (Example) When HBLFSL5 is specified
| - | |||||||||||||||||||||||||||||||||||
| HBLFSNF5 | ||||||||||||||||||||||||||||||||||||||
| HBLFSN5 | ||||||||||||||||||||||||||||||||||||||
| HBLFSN5-4 | ||||||||||||||||||||||||||||||||||||||
| HBLFSNB5 | ||||||||||||||||||||||||||||||||||||||
| HBLFSNM5 | ||||||||||||||||||||||||||||||||||||||
| CHBLFSN5 | ||||||||||||||||||||||||||||||||||||||
| HBLFSL5 | ||||||||||||||||||||||||||||||||||||||
| HBLFSLB5 | ||||||||||||||||||||||||||||||||||||||
| HBLFSLM5 | ||||||||||||||||||||||||||||||||||||||
| HBLFSR5 | ||||||||||||||||||||||||||||||||||||||
| HBLFSNK5 | ||||||||||||||||||||||||||||||||||||||
| HBLFSNE5 | ||||||||||||||||||||||||||||||||||||||
| HBLFSNT5 | ||||||||||||||||||||||||||||||||||||||
| HBLFSSW5 | ||||||||||||||||||||||||||||||||||||||
| HBLFSSWB5 | ||||||||||||||||||||||||||||||||||||||
| [ ! ]The bolts for the black anodized and cathodic electroplated (black) brackets are these HCBMTB (black trivalent chromate). [ ! ] When specifying -SET, -SEU, or -SEP for brackets other than black anodized and cathodic electroplated (black), the included bolts are not RoHS compliant. | ||||||||||||||||||||||||||||||||||||||
Additional Processing Details of 90 degree Brackets
■ Hole processing for cover installation (-C) of 90 degree Brackets
You can add M5 tapped holes on both sides.
Example of additional machining model: HBLFSL5-C
■ Details 90 degree Brackets of applicable bolt and nut sets
| Additional processing model | bolt | nut | ||||
|---|---|---|---|---|---|---|
| Model | Material | type | Model | Material | Stopper | |
| SET | CBM5-10 | iron | First in | HNTT5-5 | iron | none |
| SST | SCB5-10 | stainless | First in | HNTTBS5-5 | stainless | none |
| SEU | CBM5-10 | iron | First in | HNTU5-5 | iron | Yes |
| SSU | SCB5-10 | stainless | First in | SHNTU5-5 | stainless | Yes |
| SEP | CBM5-10 | iron | Later insertion | HNTP5-5 | iron | Yes |
| SSP | SCB5-10 | stainless | Later insertion | SHNTP5-5 | stainless | Yes |
How to Use of 90 degree Brackets
- 90 degree Brackets, This type has a protrusion that fits into the frame groove.
The protrusion acts as a rotation stopper during fastening work, making it easy to work with. - This type has a rib (side) on only one side, making it easy to turn the hex wrench.

Technical Information of 90 degree Brackets
■
For the squareness of the bracket, please refer to the squareness tolerance table .
■ How to consider the 90 degree Brackets allowable load
90 degree Brackets, The allowable load here indicates the load at which the bracket can maintain its position (without breaking or slipping) when all mounting holes on the bracket are fixed with bolts and a load is applied.
Similar Products of 90 degree Brackets
■ 90 degree Brackets with protrusions: The mounting surface has protrusions to prevent rotation.
| Product name | Single Rib Bracket | Inverted bracket with protrusion | Bracket with cover | Nut stop bracket | Bracket with protrusion on one side |
|---|---|---|---|---|---|
| Product Photos |
|
|
|
| No protrusions on one side, can be connected to plate
|
| Material | ADC12 | ADC12 | ADC12 | ADC12 | ADC12 |
| Features 90 degree Brackets | This type has a rib (side) on only one side, making it easy to turn the hex wrench. | The mounting surface has a protrusion, making it easy to position when mounting. This is the most conventional type. | This type is equipped with a dustproof cover. Dust does not accumulate inside, making it hygienic. | The long protrusion serves as the nut lock, eliminating the need for fine adjustment of the nut position. | The protrusion is on one side only and is useful when connecting frames/plates. |
| Representative Model | This product | HBLFSN5 | HBLFSNT5 | HBLFSR5 | HBLFSNK5 |
Related Items of 90 degree Brackets
■ 5 Series (groove width 6mm) of 90 degree Brackets
| Product name | Aluminum frame | Blind Joint | Frame cap | Groove cover | nut |
|---|---|---|---|---|---|
| photograph |
|
|
|
|
|
| Product page | Here | Here | Here | Here | Here |
Example

