Timing Belt Clamp Plates - Lower Clamp Plate Short Type

Brand :
MISUMI
Caution
Product Description
A timing belt fitting that allows you to specify the hole position according to the parts to be attached.
[Material]
· Rack: A6N01-T5
[Surface treatment]
· Clear anodize
[Related Products]
· Timing belt Open End Belt Iron Rubber (XL · L · H · MA3), Open End Belts/Polyurethane/Chloroprene Rubber (XL · L · H · S3M · S5M · S8M)
· Belt guide: T5, T10, AT5, AT10 Timing Belt/Support Guides
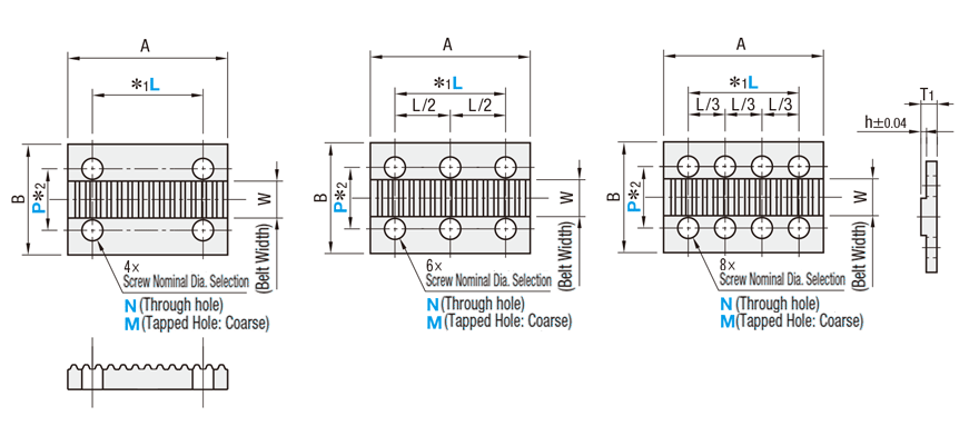
TBCF (Rack only)

4 holes 4H
6 holes 6H
8 holes 8H
| Hole Machining Details | ||||||||
![]() N (Through Hole)
|
■Machining Limits


■Machining Conditions
* 1 L Dimension: A ≥ L + M (d) + 6
L (L/2, L/3) ≥ M (d) + 3
* 2 P Dimension: B ≥ P + M (d) + 4
P ≥ W + M (d) + 1
* 1 L Dimension: A ≥ L + M (d) + 6
L (L/2, L/3) ≥ M (d) + 3
* 2 P Dimension: B ≥ P + M (d) + 4
P ≥ W + M (d) + 1
[ ! ]Design mating parts to result in 20% compression of belt back lining materials.
[M]Material: A6N01−T5
[S]Surface Treatment: Clear Anodize
[S]Surface Treatment: Clear Anodize
