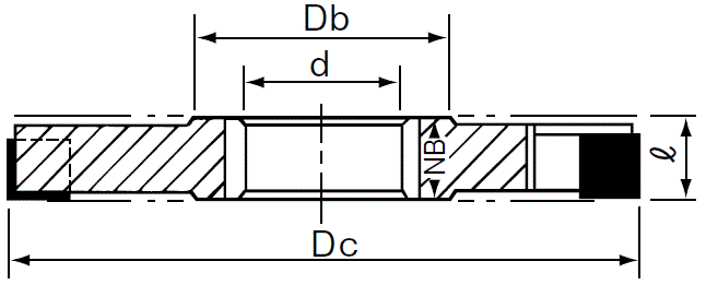
F2052 P2S90N Side cutter series, full-slot cuter (staggered tooth)

Brand :
OSG
Caution
Product Description
Indexable full slot cutter. Blade width can be adjusted between 10 to 16 mm.


Indexable full slot cutter. Blade width can be adjusted between 10 to 16 mm.

Chat service is available for any inquiry to MISUMI
9:00 - 18:00 (Mon-Sat)
For out of service hours, you can leave a message to us.
We will reply to your inquiries on the next business day.
(except Sundays and public holidays).
Chat service is for Corporate customers and limited for Thai language.
Request for Quotation and Place Order is not available on Chat.