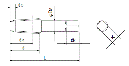
Taper Tap for Pipes V Coating, Powder HSS (for high hardness steel) V-XPM-TPT

Brand :
OSG
Caution
Product Description
Used to process tapered female pipe threads, suitable for blind holes or processing conditions where scraping occurs easily.


Used to process tapered female pipe threads, suitable for blind holes or processing conditions where scraping occurs easily.

Chat service is available for any inquiry to MISUMI
9:00 - 18:00 (Mon-Sat)
For out of service hours, you can leave a message to us.
We will reply to your inquiries on the next business day.
(except Sundays and public holidays).
Chat service is for Corporate customers and limited for Thai language.
Request for Quotation and Place Order is not available on Chat.