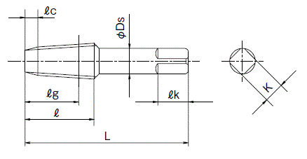
Taper Pipe Thread Tap TiN coated_TIN-TPT

Brand :
OSG
Caution
Product Description
TiN coating excellent in welding resistance and abrasion resistance is applied


TiN coating excellent in welding resistance and abrasion resistance is applied

Chat service is available for any inquiry to MISUMI
9:00 - 18:00 (Mon-Sat)
For out of service hours, you can leave a message to us.
We will reply to your inquiries on the next business day.
(except Sundays and public holidays).
Chat service is for Corporate customers and limited for Thai language.
Request for Quotation and Place Order is not available on Chat.