Spade Terminal (Y Type)

Brand :
T.LUG
Caution
Product Description
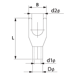
Y TYPE
Material: ETP-Copper
Surface: Tin plated

| Item No. | TIS Wire Size mm2 | DIMENSIONS (MM.) | AWG | DIN mm2 | ||||
| d2Ø | B | L | DØ | d1Ø | ||||
| Y 1.5-3S | 1.5 | 3.3 | 5.7 | 16.0 | 3.3 | 1.7 | 22-16 | 0.5-1.5 |
| Y 1.5-4S | 4.3 | 6.4 | ||||||
| Y 1.5-5S | 5.3 | 7.2 | ||||||
| Y 2.5-3S | 2.5 | 3.3 | 5.7 | 16.0 | 3.9 | 2.3 | 16-14 | 1.5-2.5 |
| Y 2.5-4S | 4.3 | 6.4 | ||||||
| Y 2.5-5S | 5.3 | 7.2 | ||||||
| Y 4-4 | 4 | 4.3 | 8.0 | 18.3 | 5.0 | 3.0 | 14-12 | 2.5-4 |
| Y 4-5 | 5.3 | |||||||
| Y 6-4S | 6 | 4.3 | 7.2 | 18.8 | 5.4 | 3.4 | 12-10 | 4-6 |
| Y 6-5S | 5.3 | 8.2 | ||||||
| Y 6-6 | 6.4 | 12.0 | 24.0 | |||||