Terminal Relay G6D-F4B/G3DZ-F4B, Optional Part

Caution
Product Description
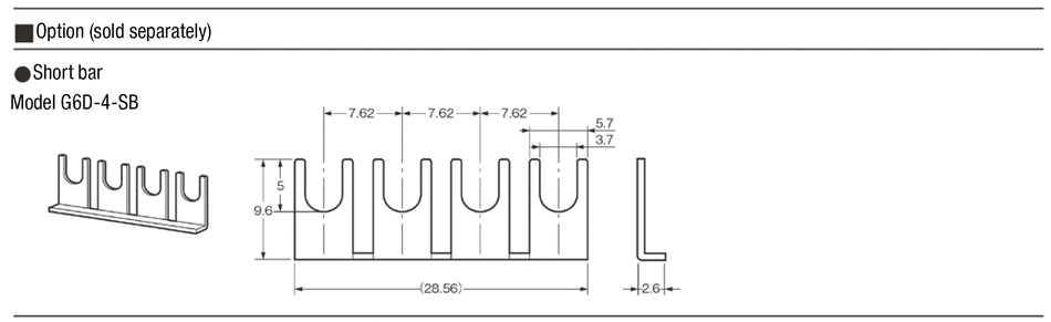
· Short Bar for the terminal relay, G6D-4-SB from OMRON.
· The G6D-4-SB Short Bar is an essential accessory for efficient relay wiring in industrial control systems.
· Compatible with G6D-F4B and G3DZ-F4B relay models
· Facilitates easy crossover wiring connections
· Reduces wiring complexity and installation time
· Enhances overall system organization and tidiness
· Suitable for use within one socket or across multiple sockets
· Designed for screw terminal models, ensuring secure connections
· Improves reliability of electrical connections in control panels
