D/MS (D190) Series - Round, Drip-Proof/Waterproof Connectors

Caution
- The delivery date is unstable due to the difficulty in obtaining materials, components, etc.
Sales of products currently in stock may be temporarily suspended in the future depending on their availability.
Products for which orders have been suspended are not expected to be restocked anytime soon. - Not waterproof when mated with D / MS A / B series.
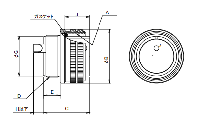
- The product images are representative images only. Please refer to the manufacturer's catalog for shape details.
Product Description
[Features]
• D/MS (D190) series connectors are waterproof plugs that are interchangeable with other D/MS connectors and CE02-2A receptacles.
• Ideal for external connecting plugs that must be drip-proof and waterproof, especially for industrial equipment such as servomotors.
• These connectors are compliant with MIL-DTL-5015, and are interchangeable with other D/MS connectors.
• Insert layouts are common between D/MS connector inserts. As for D/MS connectors, 73 insert layouts are available.
• Waterproof when coupled to D/MS3102A box receptacles (rated IP67).
• If the other connector is a CE02-2A, waterproofing performance is even more reliable.
Product Features

- Ideal as a plug for external connection that requires a drip-proof and waterproof structure.
- It can be used with factory automation related equipment that is exposed to water droplets, cutting oil, etc., and equipment that is used in adverse environments with a lot of dust.
- Vibration resistant, waterproof, oil resistant type with IP67 or higher in the mated state.
Compatibility with D/MS connectors
- MIL-DTL-5015 compliant connector compatible with D/MS connectors.
- It has 73 types of insert arrangement similar to conventional MS connectors.
- It can be mated with D/MS A/B series and CE05 series.
Product specifications
Rated Voltage
| Rated category | Rated Voltage | Shortest distance between conductors (mm) | Minimum creepage distance between conductors (mm) | |
|---|---|---|---|---|
| DC | AC (RMS) | |||
| INST | 250 | 200 | — | 1.6 |
| A | 700 | 500 | 1.6 | 3.2 |
| D | 1250 | 900 | 3.2 | 4.8 |
| E | 1750 | 1250 | 4.8 | 6.4 |
Rated Current
| Contact Size | Pin contact diameter (mm) | Current capacity (A) 1 contact |
|---|---|---|
| #16 | ⌀ 1.6 | 13 A |
| #12 | ⌀ 2.4 | 23 A |
| #8 | ⌀ 3.6 | 46 A |
| #4 | ⌀ 5.7 | 80 A |
| #0 | ⌀ 9.1 | 150 A |
Compatible cable
| Contact | Compatible cable | ||||
|---|---|---|---|---|---|
| Size | Minimum solder cup inner diameter (mm) | Cup outer diameter (mm) | A W G | Nominal cross-sectional area (mm²) | Maximum conductor diameter (mm) |
| #16 | 1.76 | 2.65 | #16 — #22 | 1.25 | 1.6 |
| #12 | 2.85 | 3.79 | #12 — #14 | 3.50 | 2.5 |
| #8 | 5.21 | 6.25 | #8 — #10 | 8.00 | 4.5 |
| #4 | 8.33 | 9.48 | #4 — # 6 | 22.00 | 7.0 |
| #0 | 11.79 | 13.03 | #0 —# 2 | 50.00 | 11.0 |
Materials/Processing
| Part name | Materials/processing |
|---|---|
| Contact | Copper alloy / silver plating |
| Retainer ring | Copper alloy / nickel plating |
| Front insert | Diallyl phthalate resin (Blue) |
| Rear insert | Diallyl phthalate resin (Blue) |
| Gasket | Synthetic rubber (Nitrile) |
| Shell | Zinc plating, trivalent chromate treatment (Black) |
Contact arrangement list
















Connector Combination Diagram
Waterproof connector combination

Plug


* Note: When using the CE02 series for the mating connector,
please refer to the socket contact arrangement shown in the contact arrangement list.


