NC1V Circuit Protector

Caution
Product Description
The main circuit terminal IDEC uses its own "SS terminal". Easy to use and safe.
[Features]
· With the electric shock protection structure integrated into the main body, the main circuit terminal part can achieve IP20. It is unnecessary to order another terminal cover or do retrofitting.
· Terminal cover is standard equipped with auxiliary contact and alarm contact, relay trip type.
· With the "SS terminal", man-hours for wiring can be drastically reduced. With the upward screwing structure of the "SS terminal", it is easy to install the round crimp terminal. Since removing screws is unnecessary, you don't need to worry about losing screws.
· Selectable with inertia delay (inertia delay mechanism).
· Includes auxiliary contact, selectable with alarm contact.
· Rated breaking current: 2, 500A.
· Slim and space saving. 1 pole: width 17.5 mm, 2 pole: width 35.0 mm, 3 pole: width 52.5 mm.
· Flat handle shape.
· Due to the trip-free structure, even if you accidentally turn the handle to the on position during a bad circuit state, the circuit will still be shut off.
Specifications of NC1V Type Circuit Protector

External appearance of NC1V Type
Features
- With the "SS terminal," labor-hours for wiring can be drastically reduced. With the spring-up screw structure of the "SS terminal," it is easy to install the round crimp terminal.
- Due to the trip-free structure, even if you accidentally turn the handle to the on position during a bad circuit state, the circuit will still be shut off.
- 1-position: Width 17.5 mm, 2 positions: Width 35.0 mm, 3 positions: Width 52.5 mm
- Flat handle shape
- Rated breaking current: 2,500 A
| Applicable Standards | Certification body / File No. |
|---|---|
| UL 1077 | UL Recognition File No.E68029 |
| CSA C22.2 No.235 | CSA file No. LR83454 |
| EN60934 | TÜV SÜD |
| EN60947-2 | Self-declaration (According to European Low Voltage Directive) |
| GB17701 | CCC No.2008010307265840 |
| Electrical Appliances and Materials Safety Act of Japan technical standards | Japan Electrical Safety & Environment Technology Laboratories (JET) |
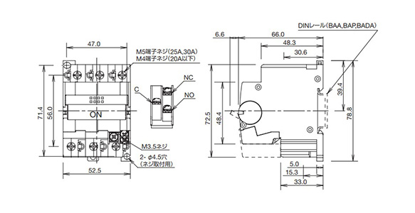
External dimensions of 1-position type

Dimensional drawing of NC1V-1100 (without auxiliary devices) (unit: mm)

Dimensional drawing of NC1V-1111 (with auxiliary contact) (unit: mm)

Dimensional drawing of NC1V-1500 (relay trip) (unit: mm)
External dimensions of 2-position type

Dimensional drawing of NC1V-2100 (without auxiliary devices) (unit: mm)

Dimensional drawing of NC1V-2111 (1 auxiliary contact) / NC1V-2112 (2 auxiliary contacts) / NC1V-2121 (1 alarm contact) / NC1V-2131 (1 auxiliary contact + 1 alarm contact) (unit: mm)

Dimensional drawing of NC1V-2500 (relay trip) (unit: mm)
External dimensions of 3-position type

Dimensional drawing of NC1V-3100 (without auxiliary devices) (unit: mm)

Dimensional drawing of NC1V-3111 (1 auxiliary contact) / NC1V-3112 (2 auxiliary contacts) / NC1V-3113 (3 auxiliary contacts) / NC1V-3121 (1 alarm contact) / NC1V-3131 (1 auxiliary contact + 1 alarm contact) / NC1V-3132 (2 auxiliary contacts + 1 alarm contact) (unit: mm)

Dimensional drawing of NC1V-3500 (relay trip) (unit: mm)
Specifications of NC1V Type
| Model Number | NC1V | |||
|---|---|---|---|---|
| Operation Method | Flat handle system | |||
| Internal circuit | Series trip (current trip), relay trip (Voltage tripping) | |||
| Protection Method | Fluid electromagnetic tripping method, electromagnetic tripping method | |||
| Number Of Poles | 1-position | Double Pole | 3 contacts | |
| Rated voltage (For both AC and DC) (*1) | 250 V AC 50/60 Hz, 65 V DC | 250 V AC 50/60 Hz, 125 V DC | 250 V AC 50/60 Hz | |
| Series trip (Current tripping) | Rated breaking current | AC250V 2,500 A DC65V 2,500 A | AC250V 2,500 A DC125V 2,500 A | AC250V 2,500 A |
| Rated Current | 0.1 A, 0.3 A, 0.5 A, 1 A, 2 A, 3 A, 5 A, 7 A, 10 A, 15 A, 20 A, 25 A, 30 A | |||
| Tripping operation characteristics (*2) | Low speed type (M characteristic), medium speed type (A characteristic), instantaneous type (S characteristics) Low speed type and medium speed type can be selected with inertia delay (inertial delay mechanism) | |||
| Relay trip (Voltage tripping) (*3) | Rated Current | 30 A | ||
| Voltage tripping coil voltage | DC24 to 48 V (at 25°C) Voltage application time within 10 seconds, operating time within 0.1 seconds (when rated voltage is applied) | |||
| Contact rating of auxiliary contact / alarm contact | Contact Rating | 125 V AC 3 A (resistant load) 30 V DC 2 A (Resistant load) | ||
| Min. Applied Load | 24 V DC 1 mA (resistant load, reference value) | |||
| Insulation Resistance | 100 MΩ or more (500 V DC megger) | |||
| Withstand Voltage | 2,000 V AC for 1 minute (Between terminals when main contact is open, between different polarity live parts, between live part and non-live part) AC600V (between terminals when the auxiliary contact opens) | |||
| Vibration resistance (At 100% rated current) | Durability: 10 to 55 Hz 147 m/s^2 (1 position, 2 positions), 78 m/s^2 (3 positions) malfunction: 10 to 55 Hz 98 m/s^2^ (1 position, 2 positions), 78 m/s^2 (3 contacts) | |||
| Impact resistance_(A, M characteristics: 100% rated current, S characteristics: 80% rated current) | Durability: 490 m/s^2^ (1 position, 2 positions), 297 m/s^2^ (3 positions), malfunction: 196 m/s^2 | |||
| Durability | Electrical 10,000 times or more (at rated current) Switching frequency: 10 times/min. | |||
| Standard ambient temperature | 40℃ | |||
| Ambient Operating Temperature | -10 to +60℃ (no freezing) When the rated voltage and rated current are applied and the ambient temperature exceeds 40°C, multiply the rated current by the following diminishing rate. | |||
| Ambient Storage Temperature | -40 to +60℃ (no freezing) | |||
| Ambient Operating Humidity | 45 to 85% RH (no condensation) | |||
| Ambient Storage Humidity | 45 to 85% RH (no condensation) | |||
| Terminal shape | Main circuit terminal | SS terminal structure: M4 screw terminal (20 A or less), M5 screw terminal (25 A or more) | ||
| Auxiliary contact, alarm contact, voltage coil terminal | Self-up structure: M3.5 screw terminal | |||
| Weight (Approx.) | 1-position type: 90 g, 2-position type: 170 g, 3-position type: 260 g | |||
*1) 3-position type is dedicated for AC.
*2) When the instantaneous (S) type is used with AC (sine waveform circuit), a buzzing noise may be generated when it reaches around 80% or more of the rated current value. There is no problem in performance. Therefore, consider this point when selecting for use in a quiet environment. Also, to prevent unnecessary operation, do not use in a circuit that generates inrush current.
*3) Relay trip type (voltage tripping) has no overcurrent tripping function.
* Do not use in environments where temperature, humidity, dust, corrosive gas, vibration, shock, etc., exist abnormally, or in circuits that generate inrush current. There is a risk of unnecessary operation and failure.
Ambient temperature: 50℃, 55℃, 60℃
Diminishing rate: 0.9, 0.8, 0.7
*See the manufacturer's catalog for product information other than the above.