Plug, Straight Blade (125 V·250 V)

Caution
Product Description
It is a straight blade plug that is used to connect electric cables and supply power to equipment, etc., with a focus on quality and workability.
[Features]
Lineup from 15 A to 60 A rating.
Many products use flame-retardant grade UL94V-0 nylon resin with excellent heat resistance and tracking resistance for its main body.
Rubber covers, nylon covers, etc., are available for the covers so that they can be used according to the purpose.
Specifications of plug straight blade

Product image of plug straight blade 9222N
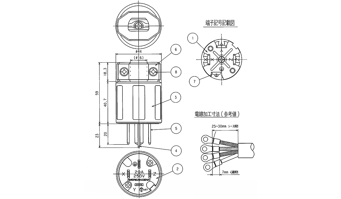
Dimensional drawing of 9222N
(Units: mm)

Dimensional drawing of 9222N
| Rating | Part Number | Note | Compatible receptacle outlet | Compatible cord connector body | ||
|---|---|---|---|---|---|---|
| Current | Number of Positions | Voltage | Black | |||
| 15 A | Grounding Type 2P (2P, 3W GND) | 125 V | 7112GN | Nylon cover | 7110GN 7110GNZ (Removal Prevention Type) 7110GD (duplex) 7110GHD (duplex horizontal type) 7110GHDZ (duplex horizontal type, removal prevention type) | 7114GN 7114GR |
| 7112GR-New | Rubber cover | 7114GR | ||||
| 250 V | 7122GR | Rubber cover | 7120GD (duplex) | — | ||
| 20 A | Grounding Type 2P (2P, 3W GND) | 125 V | 7212GR | Rubber cover | 7210GD (duplex) | — |
| 250 V | 7222GR | Rubber cover | 7220GD-ALT (duplex) | — | ||
| Ground type 3P (3P, 4W GND) | 250 V | 9222 N | Nylon cover | 9220 | 9224 N | |
| 9222NB | ||||||
| Rating | Part Number | Shape dimensions | Note | Compatible receptacle outlet | Compatible cord connector body | |||||
|---|---|---|---|---|---|---|---|---|---|---|
| Current | Number of Positions | Voltage | A | L | ⌀A | ⌀B | ||||
| 30 A | 3P (3P, 3W) | 250 V | R332 | 72 | 105 | 73 | 16 | Rubber cover | 8320 N | R334 |
| Ground type 3P (3P, 4W GND) | R342 | 72 | 105 | 74 | 18 | Rubber cover | 9320 N | R344 | ||
| — | ||||||||||
| 50 A | 3P (3P, 3W) | 250 V | R532 | 82 | 115 | 75 | 23 | Rubber cover | 8520 N | R534 |
| — | ||||||||||
| Ground type 3P (3P, 4W GND) | R542 | 82 | 115 | 75 | 25 | Rubber cover | 9520 N | R544 | ||
| — | ||||||||||
| 60 A | 3P (3P, 3W) | 250 V | R552 | 82 | 115 | 75 | 23 | Rubber cover | 8620 N | — |
| Ground type 3P (3P, 4W GND) | R562 | 82 | 115 | 75 | 25 | Rubber cover | 9620 N | — | ||
| Part number | Part Name | Number | Summary |
|---|---|---|---|
| 1 | Body A | 1 | Polyamide resin |
| 2 | Body B | 1 | Polyamide resin |
| 3 | Plastic cover | 1 | Polyamide resin |
| 4 | Earth blade | 1 | Brass nickel plating |
| 5 | Blade | 3 | Brass |
| 6 | Grip | 1 | Polyamide resin |
| 7 | Terminal Screw | 4 | Brass M4 |
| 8 | Grip screw | 2 | Steel, zinc plating, chromate treatment |