Aluminum High Vacuum Angle Valves, Normally Closed, Bellows Seal, XLA Series

Caution
- ■ SMC Product Line
Webpages for products currently without individual pages on this site will be released on an ad-hoc basis.
■ Products Planned for Online Release
Air cylinder-related product pages will be released on this site on an ad-hoc basis.
CQ2/MG types, etc., are already available.
*Vacuum equipment, FRLs, solenoid valves, etc., will also be released on dedicated pages on this site on an ad-hoc basis.
*The information above is correct as of October 2018. - Some of the items are scheduled to be discontinued as of end of March in 2023. The manufacturer keep the items produced but they are not available with Misumi.
There are not the replacement items and the plan to resumption of sale. Please check the quotation and order screen for details. - The product images may be representative images only. Refer to the manufacturer's catalog for shape details.
Product Description
Vacuum regulator with low outgassing.
[Features]
· Aluminum body.
· Replaceable bellows.
· Uniform baking temperature.
· Lightweight and compact.
· Little heavy metal contamination.
Aluminum High Vacuum Angle Valves, Normally Closed, Bellows Seal, XLA Series Specifications

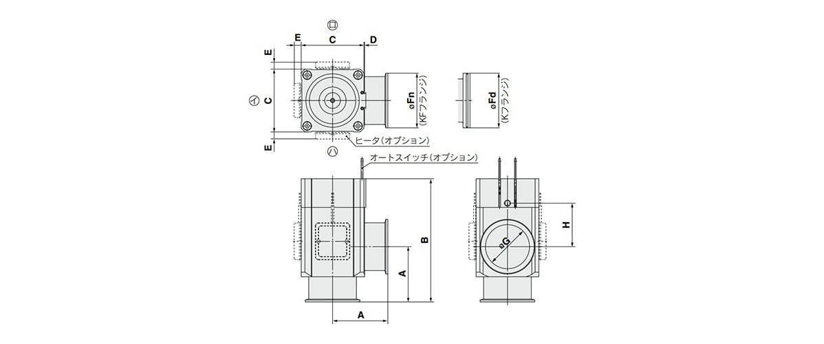
XLA external appearance (side)
| Model | XLA-16 | XLA (V)-25 | XLA-40 | XLA-50 | XLA-63 | XLA-80 | |
|---|---|---|---|---|---|---|---|
| Valve Type | Normally closed (pressurize to open, spring seal) | ||||||
| Fluids | Inert gas vacuum | ||||||
| Operating Temperature (°C) | XLA | 5 to 60 (5 to 150 for high temperature type) | |||||
| Operating Pressure Pa (abs) | 1 × 10-6 to atmospheric pressure | ||||||
| Conductance L/s Note 1: | 5 | 14 | 45 | 80 | 160 | 200 | |
| Amount of leakage Pa·m3/s | Internal | For standard material (FKM): 1.3 × 10-10, values at normal temperature and excluding gas permeation | |||||
| External | For standard material (FKM): 1.3 × 10-11, values at normal temperature and excluding gas permeation | ||||||
| Flange Type | KF (NW) | KF (NW) / K (DN) | |||||
| Main Material | Main body: aluminum alloy, Bellows: SUS316L, Main parts: stainless steel, FKM (standard sealing material) | ||||||
| Surface Treatment | External: hard anodized aluminum, Internal: base material | ||||||
| Pilot Pressure MPa (G) | 0.4 to 0.7 | ||||||
| Pilot Port Connection Port Diameter | XLA | M5 | Rc 1/8 | ||||
| Weight (kg) | XLA | 0.25 | 0.45 | 1.1 | 1.6 | 2.9 | 5.0 |
Note 1: Conductance is the same as that of an elbow with the same dimensions.
Structure/Operation

With solenoid valve

Valve side exhaust
By applying pressure from the pilot port, the valve linked to the piston overcomes the spring force and actuating force and opens.
XLAV normally applies pilot pressure to the 1 (P) port. The valve opens when the solenoid valve is on and closes when it is off.
Drawing

XLA air-operated type dimensional drawing
Note: A, B, and C in the figure above indicate the heater mounting positions. The heater mounting positions differ by the heater type. Refer to the manufacturer's catalog for more details.
(Unit: mm)
| Model | A | B | C | D | E Note 1: | Fn | Fd | G | H |
|---|---|---|---|---|---|---|---|---|---|
| XLA-16 | 40 | 103 | 38 | 1 | - | 30 | - | 17 | 40 |
| XLA-25 | 50 | 113 | 48 | 1 | 12 | 40 | - | 26 | 39 |
| XLA-40 | 65 | 158 | 66 | 2 | 11 | 55 | - | 41 | 63 |
| XLA-50 | 70 | 170 | 79 | 2 | 11 | 75 | - | 52 | 68 |
| XLA-63 | 88 | 196 | 100 | 3 | 11 | 87 | 95 | 70 | 69 |
| XLA-80 | 90 | 235 | 117 | 3 | 11 | 114 | 110 | 83 | 96 |
Note 1: Dimension E applies when heater option is included. (Lead wire length: approx. 1 m)
Notes
- *See the catalog for information on products other than those above.
- *The product images are representative images only.