Soft Start-Up Valve AV2000/3000/4000/5000 Series

Caution
- Some of the items are scheduled to be discontinued as of end of March in 2023. The manufacturer keep the items produced but they are not available with Misumi.
There are not the replacement items and the plan to resumption of sale. Please check the quotation and order screen for details. - Refer to the catalog for details on product specifications.
- The products shown in the image are representative. CAD data is not supported for some model numbers.
Product Description
Low Power Consumption Soft Start-Up Valve AV2000/3000/4000/5000 Series
[Features]
・ A low-speed air supply that gradually raises the initial pressure of the pneumatic system, and a start valve that shuts off the air supply and enables rapid exhaust.
・ With air supply / exhaust function by manual operation
Soft Start-Up Valve AV2000/3000/4000/5000 Series Details

Type D DIN Terminal: product images

Type Y DIN Terminal: product images
Soft Start-Up Valve AV2000/3000/4000/5000 Series Specifications
| Model | AV2000 | AV3000 | AV4000 | AV5000 | |||
|---|---|---|---|---|---|---|---|
| Piping connection port diameter | 1/4 | 3/8 | 1/2 | 3/4 | 1 | ||
| Proof pressure | 1.5 MPa | ||||||
| Operating pressure range | 0.2 to 1 MPa | ||||||
| Pressure gauge connection port size | 1/8 | ||||||
| Ambient temperature and working fluid temperature | Note 1) 0 to 60°C | ||||||
| Effective area (mm2) | 1(P) → 2(A) | 20 | 37 | 61 | 113 | 122 | |
| 2(A) →3 (R) | 24 | 49 | 76 | 132 | 141 | ||
| Weight (kg) | 0.27 | 0.48 | 0.74 | 1.60 | 1.54 | ||
| Electrical specifications | Coil rated voltage | 100, 200, 110 to 120, 220 V AC (50/60 Hz), 240 V (50/60 Hz), 12, 24 V DC | |||||
| Allowable voltage fluctuation | -15% to +10% of rated voltage | ||||||
| Coil insulation type | Equivalent to B type (130°C) | ||||||
| Apparent power AC (current consumption) | Inrush | 5.6 VA (50 Hz), 5.0 VA (60 Hz) | |||||
| Holding | 3.4 VA (2.1 W) / 50 Hz, 2.3 VA (1.5 W) / 60 Hz | ||||||
| Current consumption DC | 1.8 W | ||||||
| Method of electrical entry of lead wire | Grommet, Type D DIN terminal, Type Y DIN terminal | ||||||
| Semi-standard specifications | Note 2) With indicator light and surge voltage suppressor | ||||||
| Pilot valve - manual operation | Non-locking push type (flush), locking type (tool required), locking type (lever) | ||||||
- *Note 1) Use dry air when operating at low temperatures.
- *Note 2) The grommet type is equipped with a surge voltage suppressor (lead wire direct coupled type), but not an indicator light.
Model Number Notation

Model number example
Accessory / Pressure Gauge
| Name | Pressure gauge |
|---|---|
| Part number | G36-10-01 |
| Pressure range | 1 MPa |
Structural Drawings

Soft Start-Up Valve AV2000/3000/4000/5000 Series: structural drawings
Component Parts
| Number | Part name | Materials |
|---|---|---|
| 1 | Body | Die-cast aluminum |
| 2 | Cap | Die-cast aluminum |
| 3 | Cover | Die-cast aluminum |
Replacement Parts
| Number | Part name | Materials | Part number | |||
|---|---|---|---|---|---|---|
| AV2000 | AV3000 | AV4000 | AV5000 | |||
| 4 | Pilot valve assembly | - | SF4-□-80(-Q) | |||
| 5 | Piston A assembly | POM, NBR | P424204A | P424304A | P424404A | P424504A |
| 6 | Piston B assembly | Brass, NBR (HNBR) | P424205A | P424305A | P424405A | P424505A |
| 7 | Main valve assembly | Brass, NBR (HNBR) | P424206A | P424306A | P424406A | P424506A |
| 8 | Check valve | Brass, NBR (HNBR) | P424207 | P424307 | P424407 | P424507 |
| 9 | Piston guide assembly | POM, NBR | P424208A | P424308A | P424408A | P424508A |
| 10 | Needle assembly | Brass, NBR | P424209A | P424309A | P424409A | P424509A |
| 11 | Valve spring | Steel wire | P424211 | P424311 | P424411 | P424511 |
| 12 | Piston spring | Stainless steel | P424212 | P424312 | P424412 | P424512 |
| 13 | Check spring | Stainless steel | P424213 | P424313 | P424413 | P424513 |
| 14 | Needle spring | Steel wire | P424214 | P424314 | P424414 | - |
| 15 | Type C retaining ring for shaft | Tool steel | G-5 | STW-5 | STW-8 | STW-10 |
| 16 | Type C retaining ring for hole | Tool steel | 0-9 | 0-10 | RTW-12 | RTW-15 |
| 17 | Seal | NBR | P424210 | P424310 | P424410 | P424510 |
| 18 | Seal | NBR | P424218 | P424315 | P424415 | P424514 |
| 19 | O-ring | NBR | 10 × 8 × 1 | 11 × 9 × 1 | 12.5 × 9.5 × 1.5 | 16.5 × 12.5 × 2 |
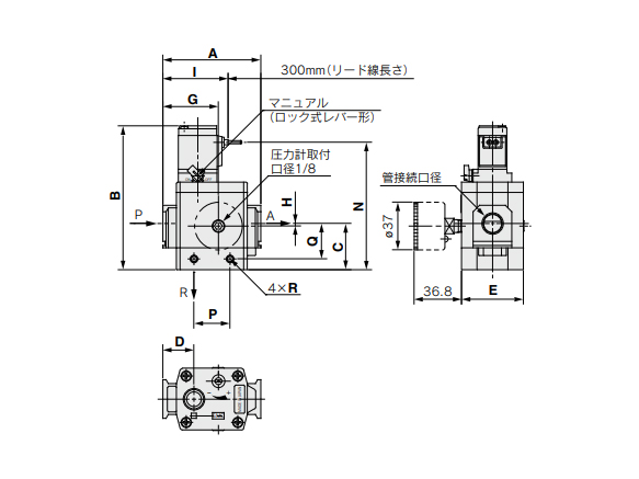
Soft Start-Up Valve AV2000/3000/4000/5000 Series Dimensions
Grommet: AV□00-□-□G/AV□00-□-□GS
(Unit: mm)

Grommet: AV□00-□-□G/AV□00-□-□GS: dimensional drawing
DIN terminal: AV□00-□-□D/AV□00-□-□ DZ, DIN Terminal for European Use: AV□00-□-□Y/ AV□00-□-□YZ
(Unit: mm)

DIN terminal: AV□00-□-□D/AV□00-□-□ DZ, DIN terminal for European use: AV□00-□-□Y/ AV□00-□-□YZ: dimensional drawing
| Model | Piping connection port diameter | A | B | C | D | E | G | H | I | K | L | M | N | P | Q | R |
|---|---|---|---|---|---|---|---|---|---|---|---|---|---|---|---|---|
| AV2000-□02-□G□ | 1/4 | 66 | 105 | 31 | 22 | 40 | 38 | 0 | 47.5 | - | - | - | 93 | 29 | 23.5 | M4 × 0.7 Depth: 4.5 |
| AV2000-□02-□GS□ | ||||||||||||||||
| AV2000-□02-□D□ | 1/4 | 66 | 125 | 31 | 22 | 40 | 38 | 0 | - | 65.5 | - | 6 | - | 29 | 23.5 | M4 × 0.7 Depth: 4.5 |
| AV2000-□02-□DZ□ | - | 80.5 | 23 | |||||||||||||
| AV2000-□02-□Y□ | 1/4 | 66 | 125 | 31 | 22 | 40 | 38 | 0 | - | 67.5 | - | 10.5 | - | 29 | 23.5 | M4 × 0.7 Depth: 4.5 |
| AV2000-□02-□YZ□ | - | 84.5 | 27.5 | |||||||||||||
| AV3000-□03-□G□ | 3/8 | 76 | 112 | 36 | 24 | 48 | 43 | 2 | 50.5 | - | - | - | 100 | 28 | 27.5 | M5 × 0.8 Depth: 5 |
| AV3000-□03-□GS□ | ||||||||||||||||
| AV3000-□03-□D□ | 3/8 | 76 | 132 | 36 | 24 | 48 | 43 | 2 | - | 66.5 | - | - | - | 28 | 27.5 | M5 × 0.8 Depth: 5 |
| AV3000-□03-□DZ□ | - | 83.5 | 16 | |||||||||||||
| AV3000-□03-□Y□ | 3/8 | 76 | 132 | 36 | 24 | 48 | 43 | 2 | - | 70.5 | - | 3.5 | - | 28 | 27.5 | M5 × 0.8 Depth: 5 |
| AV3000-□03-□YZ□ | - | 87.5 | 20.5 | |||||||||||||
| AV4000-□04-□G□ | 1/2 | 98 | 127 | 47 | 32 | 52 | 57 | 3 | 62.5 | - | - | - | 115 | 42 | 37 | M6 × 1 Depth: 6 |
| AV4000-□04-□GS□ | ||||||||||||||||
| AV4000-□04-□D□ | 1/2 | 98 | 147 | 47 | 32 | 52 | 57 | 3 | - | 78.5 | - | - | - | 42 | 37 | M6 × 1 Depth: 6 |
| AV4000-□04-□DZ□ | - | 95.5 | 6 | |||||||||||||
| AV4000-□04-□Y□ | 1/2 | 98 | 147 | 47 | 32 | 52 | 57 | 3 | - | 82.5 | - | - | - | 42 | 37 | M6 × 1 Depth: 6 |
| AV4000-□04-□YZ□ | - | 99.5 | 10.5 | |||||||||||||
| AV5000-□06-□G□ AV5000-□10-□G□ | 3/4, 1 | 128 | 155 | 59 | 39 | 74 | 77 | 0 | 74 | - | - | - | 143 | 50 | 46 | M6 × 1 Depth: 7.5 |
| AV5000-□06-□GS□ AV5000-□10-□GS□ | ||||||||||||||||
| AV5000-□06-□D□ AV5000-□10-□D□ | 3/4, 1 | 128 | 175 | 59 | 39 | 74 | 77 | 0 | - | 90 | - | - | - | 50 | 46 | M6 × 1 Depth: 7.5 |
| AV5000-□06-□DZ□ AV5000-□10-□DZ□ | - | 107 | - | |||||||||||||
| AV5000-□06-□Y□ AV5000-□10-□Y□ | 3/4, 1 | 128 | 175 | 59 | 39 | 74 | 77 | 0 | - | 94 | - | - | - | 50 | 46 | M6 × 1 Depth: 7.5 |
| AV5000-□06-□YZ□ AV5000-□10-□YZ□ | - | 111 | - |