Differential Pressure Gauge GD40-2-01

Caution
- See catalog for specification details.
- Product pictures are representations.
Product Description
Differential Pressure Gauge GD40-2-01 is ideal for maintenance and management of filters, etc.
[Features]
· The pressure differential between the inlet and outlet of compressed air equipment can be seen at a glance.
· Can be installed easily by providing a bypass circuit.
· Includes a protective cover to prevent danger.
Differential Pressure Gauge GD40-2-01 Details

Differential Pressure Gauge GD40-2-01 product image
Differential Pressure Gauge GD40-2-01 Specifications
| Model | GD40-2-01 |
|---|---|
| Applicable fluids | Compressed Air |
| Maximum operating pressure | 1 MPa |
| Proof pressure | 1.5 MPa |
| Ambient temperature and working fluid temperature | 5 to 60°C |
| Piping connection port diameter | High pressure side: R1/8, Low pressure side: Rc1/8 |
| Scale range | 0 to 0.2 MPa |
| Accuracy | ±3% F.S. (full span) |
| Weight (g) | 300 |
Main Parts Materials
| Case | Zinc alloy |
|---|---|
| Internal part | Brass, phosphor bronze |
| Window | Resin |
| Scale plate | Stainless steel |
Accessories
| Nylon tube | T0425B (0.5 m) |
|---|---|
| Male connector | H04-01 (1 pc.) |
| Male elbow | DL04-01 (1 pc.) |
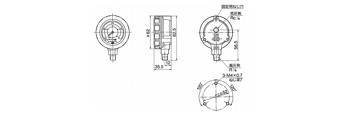
Differential Pressure Gauge GD40-2-01 Dimensions
(Unit: mm)

Differential Pressure Gauge GD40-2-01 dimensional drawing