Dual Speed Controller For Low-Speed Operation, ASD-FM Series

Caution
- For specifications and details, please refer to the catalog.
- Product images may be representative images. Refer to the catalog for details.
Product Description
Speed controller made by SMC Corporation.
[Features]
· Two flow-control valves and check valves integrated.
· Prevention of stick-slip phenomenon and speed control of a single-acting cylinder.
· Allows stable speed control, even with load fluctuation.
· Low-speed control for small bore cylinders.
Dual Speed Controller For Low-Speed Operation, ASD-FM Series Specifications
Model
| Model | Applicable tubing | |||||||||
|---|---|---|---|---|---|---|---|---|---|---|
| Metric size | Inch Size | |||||||||
| 4 | 6 | 8 | 10 | 1/8 " | 5/32 " | 3/16 " | 1/4 " | 5/16 " | 3/8 " | |
| ASD230FM-M5 | ● | ● | - | - | - | - | - | - | - | - |
| ASD330FM-01 | - | ● | ● | - | - | - | - | - | - | - |
| ASD430FM-02 | - | ● | ● | ● | - | - | - | - | - | - |
| ASD230FM-U10/32 | - | - | - | - | ● | ● | ● | ● | - | - |
| ASD330FM-N01 | - | - | - | - | - | - | ● | ● | ● | - |
| ASD430FM-N02 | - | - | - | - | - | - | - | ● | ● | ● |
Specifications
| Usable fluids | Air |
|---|---|
| Proof pressure | 1.5 MPa |
| Max. operating pressure | 1 MPa |
| Min. operating pressure | 0.1 MPa |
| Ambient and fluid temperature | -5 to 60℃ (no freezing) |
| Note 1)Applicable tubing material | Nylon, soft nylon, polyurethane |
Note 1) Use caution at the max. operating pressure when using soft nylon or polyurethane tubing.
Note 2) All brass components are electroless nickel plated. The lock nut of the meter-out side is zinc chromate plated (the round lock nut is electroless nickel plated). The meter-in side lock nut and M5 type handle are black zinc chromate plated.
Flow rate and sonic conductance
| Model | ASD230FM | ASD330FM | ASD430FM | ||
|---|---|---|---|---|---|
| Tube outer diameter | Metric size | ø4, ø6 | ø6, ø8 | ø6 | ø8, ø10 |
| Inch Size | ø1/8 ", ø5/32 " ø3/16 ", ø1/4 " | ø3/16 ", ø1/4 " | - | ø1/4 ",φ5/16 " ø3/8 " | |
| Controlled flow | Flow rate L/min (ANR) | 7 | 12 | 38 | |
| Sonic conductance dm3/(s·bar) | 0.02 | 0.04 | 0.12 | ||
| Critical pressure ratio | 0.25 | 0.2 | 0.2 | ||
| Free flow | Flow rate L/min (ANR) | 7 | 12 | 38 | |
| Sonic conductance dm3/(s·bar) | 0.02 | 0.04 | 0.12 | ||
| Critical pressure ratio | 0.3 | 0.15 | 0.15 | ||
Note 1) Flow rate at a pressure of 0.5 MPa and a temperature of 20°C.
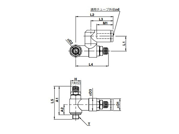
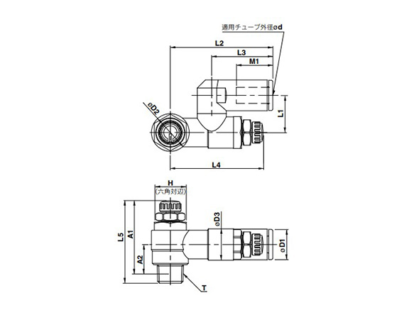
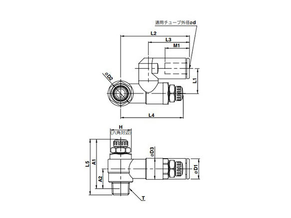
Structural Drawing

ASD230FM structural drawing
| No. | Part Name | Material | Note |
|---|---|---|---|
| 1 | Body A | PBT | - |
| 2 | Elbow body | PBT | - |
| 3 | Handle | PBTNote 1) | Black |
| 4 | Body B | Brass | Electroless nickel plating |
| 5 | Body B | Brass | Electroless nickel plating |
| 6 | Needle | Brass | Electroless nickel plating |
| 7 | Seat ring | Brass | Electroless nickel plating |
| 8 | Needle guide | Brass | Electroless nickel plating |
| 9 | Lock nut | SteelNote 2) | Zinc chromate platedNote 3) |
| 10 | Lock nut | SteelNote 2) | Black zinc chromate plated |

ASD330FM/430FM structural drawing
| No. | Part Name | Material | Note |
|---|---|---|---|
| 11 | U-seal | HNBR | - |
| 12 | U-seal | HNBR | - |
| 13 | Cassette | - | - |
| 14 | Seal | NBR | - |
| 15 | O-ring | NBR | - |
| 16 | O-ring | NBR | - |
| 17 | O-ring | NBR | - |
| 18 | Spacer | - | - |
| 19 | Gasket | NBR / stainless steel | M5 type only |
Note 1) ASD230FM type is brass (black zinc chromate plated).
Note 2) The material of the lock nut option J (round type) is brass. For ASD330FM and ASD430FM only, it is made of steel.
Note 3) The surface treatment of the lock nut option J (round type) is electroless nickel plated.
External dimensions drawing: Metric size

ASD230FM dimensional drawing. Units: mm

ASD330FM/430FM dimensional drawing. Units: mm
| Model | d | T | H | D1 | D2 | D3 | L1 | L2 | L3 | L4 | Note 1) L5 | Note 2) A1 | Note 2) A2 | M1 | Weight g | |||
|---|---|---|---|---|---|---|---|---|---|---|---|---|---|---|---|---|---|---|
| MAX. | MIN. | MAX. | MIN. | MAX. | MIN. | |||||||||||||
| ASD230FM-M5-04 | 4 | M5 × 0.8 | 8 | 9.3 | 9.6 | 10 | 11.7 | 29.4 | 17.5 | 34.6 | 29.6 | 33.8 | 28.8 | 30.1 | 25.1 | 7.8 | 12.9 | 12 |
| ASD230FM-M5-06 | 6 | 11.6 | 32.5 | 20.6 | 13.7 | 13 | ||||||||||||
| ASD330FM-01-06S | 6 | R1/8 | 12 | 11.6 | 14.2 | 11.8 | 14 | 38.5 | 22.9 | 39.6 | 34.6 | 35.2 | 30.2 | 32.1 | 27.1 | 10.6 | 13.7 | 29 |
| ASD330FM-01-08S | 8 | 15.2 | 15.8 | 44.8 | 28.2 | 38.9 | 33.9 | 18.5 | 31 | |||||||||
| ASD430FM-02-06S | 6 | R1/4 | 17 | 12.8 | 18.5 | 15 | 18 | 43.5 | 25.2 | 41.8 | 36.8 | 39.9 | 34.9 | 34.4 | 29.4 | 11 | 17 | 53 |
| ASD430FM-02-08S | 8 | 15.2 | 46.5 | 28.2 | 18.5 | 55 | ||||||||||||
| ASD430FM-02-10S | 10 | 18.5 | 19.7 | 49.3 | 31 | 21 | 58 | |||||||||||
Unit: mm
Note 1) Reference dimensions.
Note 2) Reference dimensions of M5 × 0.8, R threads after installation.
External dimensions drawing: Inch size

ASD230FM dimensional drawing Units: mm (except where indicated with ")

ASD330FM/430FM dimensional drawing. Units: mm (except where indicated with ")
| Model | d | T | H | D1 | D2 | D3 | L1 | L2 | L3 | L4 | Note 1) L5 | Note 2) A1 | Note 2) A2 | M1 | Weight (g) | |||
|---|---|---|---|---|---|---|---|---|---|---|---|---|---|---|---|---|---|---|
| MAX. | MIN. | MAX. | MIN. | MAX. | MIN. | |||||||||||||
| ASD230FM-U10/32-01 | 1/8 " | 10-32 UNF | 8 | 8.4 | 9.6 | 10 | 11.7 | 29.4 | 17.5 | 34.6 | 29.6 | 33.8 | 28.8 | 30.1 | 25.1 | 7.8 | 12.9 | 12 |
| ASD230FM-U10/32-03 | 5/32 " | 9.3 | 13 | |||||||||||||||
| ASD230FM-U10/32-05 | 3/16 " | 11.4 | 35.2 | 23.3 | 16.5 | 14 | ||||||||||||
| ASD330FM-U10/32-07 | 1/4 " | 12 | 32.6 | 20.7 | 13.5 | 15 | ||||||||||||
| ASD330FM-N01-05S | 3/16 " | NPT1/8 | 12.7 | 11.4 | 14.2 | 11.8 | 14 | 39.5 | 23.9 | 39.6 | 34.6 | 35.2 | 30.2 | 32 | 27 | 10.6 | 16.5 | 30 |
| ASD330FM-N01-07S | 1/4 " | 13.2 | 15.8 | 42.2 | 25.6 | 38.9 | 33.9 | 17 | 31 | |||||||||
| ASD330FM-N01-09S | 5/16 " | 15.2 | 44.8 | 28.2 | 18.5 | |||||||||||||
| ASD430FM-N02-07S | 1/4 " | NPT1/4 | 17.5 | 13.2 | 18.5 | 15 | 18 | 43.9 | 25.6 | 41.7 | 36.7 | 39.9 | 34.9 | 34.6 | 29.6 | 11 | 17 | 55 |
| ASD430FM-N02-09S | 5/16 " | 15.2 | 46.5 | 28.2 | 18.5 | |||||||||||||
| ASD430FM-N02-11S | 3/8 " | 18.5 | 19.7 | 49.3 | 32.6 | 21 | 62 | |||||||||||
Units: mm (except where indicated with ")
Note 1) Reference dimensions.
Note 2) Reference dimensions of 10-32UNF and NPT threads after installation.
*See the manufacturer's catalog for information other than the above.