Flame-Retardancy FR Quick-Connect Fitting KR-W2 Series Reducer KRR-W2

Caution
- Some of the items are scheduled to be discontinued as of end of March in 2023. The manufacturer keep the items produced but they are not available with Misumi.
There are not the replacement items and the plan to resumption of sale. Please check the quotation and order screen for details. - *See the catalog for detailed specs and materials.
- Product images may be representative images. Refer to the catalog for details.
Product Description
A one-touch coupling from SMC Corporation.
[Features]
· Can be used with FR soft nylon.
· High holding force.
· Can be used for everything from low vacuums to 1 MPa.
· Little force required for removal.
· Effective for piping in tight spaces.
[Applications]
· Use to reduce the size of one-touch fittings.
Plug-In Reducer KRR-W2 Specifications

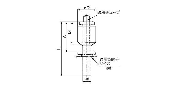
Plug-in Reducer KRR-W2 external appearance

Plug-in Reducer KRR-W2 dimensional outline drawing
| Applicable tube outer diameter (mm) | Applicable pipe fitting size ød | Model | øDNote 1: | L | A | M | Effective cross-sectional area (mm2) | Weight g | |
|---|---|---|---|---|---|---|---|---|---|
| FR 2 layer | FR soft nylon | ||||||||
| 6 | 8 | KRR06-08W2 | 12.8 | 37 | 18.5 | 17 | 10.4 | 5.6 | 2.5 |
| 10 | KRR06-10W2 | 39.5 | 9.3 | ||||||
| 8 | 10 | KRR08-10W2 | 15.2 | 41 | 20 | 18.5 | 26.1 | 18.0 | 4.0 |
| 12 | KRR08-12W2 | 42 | 4.6 | ||||||
| 10 | 12 | KRR10-12W2 | 18.5 | 44.5 | 23 | 21 | 41.5 | 32.8 | 33 |
Note 1: øD indicates the maximum diameter.