Flame-Retardancy FR Quick-Connect Fitting KR-W2 Series Union Y KRU-W2

Caution
- Some of the items are scheduled to be discontinued as of end of March in 2023. The manufacturer keep the items produced but they are not available with Misumi.
There are not the replacement items and the plan to resumption of sale. Please check the quotation and order screen for details. - *See the catalog for detailed specs and materials.
- Product images may be representative images. Refer to the catalog for details.
Product Description
Quick-connect fitting from SMC Corporation.
[Features]
·Can be used with FR soft nylon
·Great holding power
·Can be used from low vacuum to 1 MPa
·Light removal force
·Effective for piping in narrow spaces
[Applications]
·Used for branch connection between tubes in the same direction
Union "Y" KRU-W2 Specifications

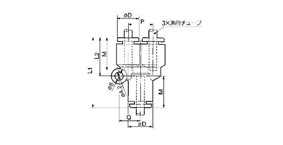
Union "Y" KRU-W2 external appearance

Union "Y" KRU-W2 dimensional outline drawing
| Applicable tube outer diameter (mm) | Model | øDNote 1: | L1 | L2 | P | Q | M | Effective cross-sectional area (mm2) | Weight g | |
|---|---|---|---|---|---|---|---|---|---|---|
| FR 2 layer | FR soft nylon | |||||||||
| 6 | KRU06-00W2 | 12.8 | 37 | 20 | 12.8 | 11.7 | 17 | 10.4 | 4.2 | 10 |
| 8 | KRU08-00W2 | 15.2 | 42.5 | 24.5 | 15.2 | 13.7 | 18.5 | 25.6 | 17.7 | 12 |
| 10 | KRU10-00W2 | 18.5 | 48 | 27.5 | 18.5 | 16.1 | 21 | 40 | 28.4 | 16 |
| 12 | KRU12-00W2 | 20.9 | 51 | 30 | 20.9 | 18.1 | 22 | 57.4 | 45.4 | 23 |
Note 1: øD indicates the maximum diameter.