SSG Ground Spur Gear

Caution
- Some of the items are scheduled to be discontinued as of end of March in 2023. The manufacturer keep the items produced but they are not available with Misumi.
There are not the replacement items and the plan to resumption of sale. Please check the quotation and order screen for details. - The product images are representative only. Please refer to the manufacturer's catalog for shape details.
Product Description
Spur gear that is treated with induction hardening on the tooth surface is available for alteration.
[Features]
·Made of S45C steel, treated with induction hardening on the tooth surface, and ground using holes as reference.
·Reasonable tooth grind spur gear that offers JIS N7 class accuracy.
[Application]
·Ideal for general industrial machines such as machine tools, conveyors, and lifting devices.
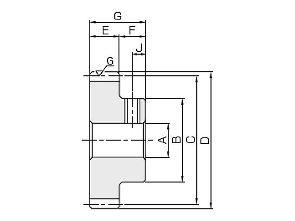
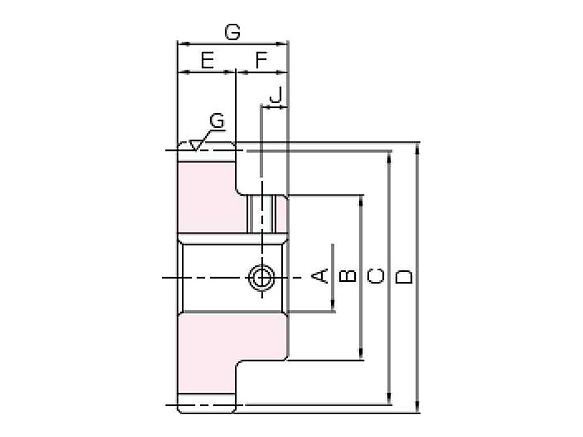
Drawing

S1T

S1

S1K
Product Specifications

External Appearance
| Accuracy Class | JIS B 1702-1N7 class (*1) |
|---|---|
| Tooth profile | Standard Gear |
| Pressure Angle | 20° |
| Materials | S45C |
| Heat Treatment | Induction hardening on tooth surface (*2) |
| Tooth Surface Hardness | 50 to 60HRC (*2) |
|---|---|
| Surface Treatment | Black oxide coating except tooth (*3) |
| Tooth surface finish | Grinding |
| Tooth grind reference plane | Hole (H7) |
| Alteration | Possible |
(*1) Products of former JIS B 1702 class 3, J and F series are "equivalent" to the stated accuracy class.
(*2) Products with module 0.8 or less use the steel that is equivalent to thermal-refined S45C and are not hardened on the tooth surface. The tooth surface hardness is 200 to 270HB.
(*3) J and F series products will not be re-treated with black oxide coating in the areas of alteration.
Standard table
| Part number | Module | Number of teeth | Shape | Hole diameter | Boss Diameter | Reference circle diameter | Tip circle diameter | Tooth width | Boss Length | Overall Length | Keyway | Thread Hole | Allowable torque (N⋅m) | Allowable torque (kgf⋅m) | Backlash (mm) | Weight (kg) | |||
|---|---|---|---|---|---|---|---|---|---|---|---|---|---|---|---|---|---|---|---|
| Size | J | Flexural Strength | Tooth Surface Strength | Flexural Strength | Tooth Surface Strength | ||||||||||||||
| SSG0.5-30A | 0.5 | 30 | S1T | 5 | 13 | 15 | 16 | 5 | 7 | 12 | — | M4 | 3.5 | 1.63 | 0.29 | 0.17 | 0.030 | 0 to 0.08 | 0.012 |
| SSG0.5-30B | 0.5 | 30 | S1T | 6 | 13 | 15 | 16 | 5 | 7 | 12 | — | M4 | 3.5 | 1.63 | 0.29 | 0.17 | 0.030 | 0 to 0.08 | 0.011 |
| SSG0.5-32A | 0.5 | 32 | S1T | 5 | 14 | 16 | 17 | 5 | 7 | 12 | — | M4 | 3.5 | 1.78 | 0.34 | 0.18 | 0.035 | 0 to 0.08 | 0.014 |
| SSG0.5-40B | 0.5 | 40 | S1T | 6 | 18 | 20 | 21 | 5 | 7 | 12 | — | M4 | 3.5 | 2.38 | 0.55 | 0.24 | 0.056 | 0 to 0.08 | 0.023 |
| SSG0.5-50B | 0.5 | 50 | S1T | 6 | 22 | 25 | 26 | 5 | 7 | 12 | — | M4 | 3.5 | 3.14 | 0.89 | 0.32 | 0.091 | 0 to 0.08 | 0.037 |
| SSG0.5-60A | 0.5 | 60 | S1T | 6 | 28 | 30 | 31 | 5 | 7 | 12 | — | M4 | 3.5 | 3.91 | 1.32 | 0.40 | 0.13 | 0 to 0.08 | 0.058 |
| SSG0.5-60B | 0.5 | 60 | S1T | 8 | 28 | 30 | 31 | 5 | 7 | 12 | — | M5 | 3.5 | 3.91 | 1.32 | 0.40 | 0.13 | 0 to 0.08 | 0.056 |
| SSG0.5-70B | 0.5 | 70 | S1T | 8 | 28 | 35 | 36 | 5 | 7 | 12 | — | M5 | 3.5 | 3.90 | 1.53 | 0.40 | 0.16 | 0 to 0.08 | 0.066 |
| SSG0.5-80A | 0.5 | 80 | S1T | 6 | 28 | 40 | 41 | 5 | 7 | 12 | — | M4 | 3.5 | 4.55 | 2.04 | 0.46 | 0.21 | 0 to 0.08 | 0.080 |
| SSG0.8-20A | 0.8 | 20 | S1T | 5 | 13 | 16 | 17.6 | 8 | 8 | 16 | — | M4 | 4 | 3.79 | 0.53 | 0.39 | 0.054 | 0 to 0.08 | 0.018 |
| SSG0.8-20B | 0.8 | 20 | S1T | 6 | 13 | 16 | 17.6 | 8 | 8 | 16 | — | M4 | 4 | 3.79 | 0.53 | 0.39 | 0.054 | 0 to 0.08 | 0.017 |
| SSG0.8-25A | 0.8 | 25 | S1T | 5 | 16 | 20 | 21.6 | 8 | 8 | 16 | — | M4 | 4 | 5.22 | 0.88 | 0.53 | 0.090 | 0 to 0.08 | 0.029 |
| SSG0.8-30A | 0.8 | 30 | S1T | 5 | 20 | 24 | 25.6 | 8 | 8 | 16 | — | M4 | 4 | 6.70 | 1.30 | 0.68 | 0.13 | 0 to 0.08 | 0.045 |
| SSG0.8-34A | 0.8 | 34 | S1T | 6 | 22 | 27.2 | 28.8 | 8 | 8 | 16 | — | M4 | 4 | 7.90 | 1.71 | 0.81 | 0.17 | 0 to 0.08 | 0.056 |
| SSG0.8-40B | 0.8 | 40 | S1T | 8 | 28 | 32 | 33.6 | 8 | 8 | 16 | — | M5 | 4 | 8.11 | 2.02 | 0.83 | 0.21 | 0 to 0.08 | 0.082 |
| SSG0.8-50A | 0.8 | 50 | S1T | 6 | 28 | 40 | 41.6 | 8 | 8 | 16 | — | M4 | 4 | 10.7 | 3.26 | 1.09 | 0.33 | 0 to 0.08 | 0.11 |
| SSG0.8-60A | 0.8 | 60 | S1T | 6 | 28 | 48 | 49.6 | 8 | 8 | 16 | — | M4 | 4 | 13.3 | 4.83 | 1.36 | 0.49 | 0 to 0.08 | 0.15 |
| SSG0.8-60B | 0.8 | 60 | S1T | 8 | 28 | 48 | 49.6 | 8 | 8 | 16 | — | M5 | 4 | 13.3 | 4.83 | 1.36 | 0.49 | 0 to 0.08 | 0.14 |
| SSG0.8-70A | 0.8 | 70 | S1T | 6 | 28 | 56 | 57.6 | 8 | 8 | 16 | — | M4 | 4 | 16.0 | 6.73 | 1.63 | 0.69 | 0 to 0.08 | 0.19 |
| SSG0.8-80A | 0.8 | 80 | S1T | 6 | 28 | 64 | 65.6 | 8 | 8 | 16 | — | M4 | 4 | 18.7 | 8.97 | 1.90 | 0.91 | 0 to 0.08 | 0.24 |
| SSG1-15 | 1 | 15 | S1 | 6 | 12 | 15 | 17 | 8 | 10 | 18 | — | — | — | 2.96 | 1.03 | 0.30 | 0.11 | 0.08 to 0.16 | 0.016 |
| SSG1-16 | 1 | 16 | S1 | 6 | 13 | 16 | 18 | 8 | 10 | 18 | — | — | — | 3.28 | 1.19 | 0.33 | 0.12 | 0.08 to 0.16 | 0.019 |
| SSG1-17 | 1 | 17 | S1 | 6 | 14 | 17 | 19 | 8 | 10 | 18 | — | — | — | 3.60 | 1.36 | 0.37 | 0.14 | 0.08 to 0.16 | 0.022 |
| SSG1-18 | 1 | 18 | S1 | 6 | 15 | 18 | 20 | 8 | 10 | 18 | — | — | — | 3.93 | 1.54 | 0.40 | 0.16 | 0.08 to 0.16 | 0.026 |
| SSG1-19 | 1 | 19 | S1 | 6 | 16 | 19 | 21 | 8 | 10 | 18 | — | — | — | 4.26 | 1.73 | 0.43 | 0.18 | 0.08 to 0.16 | 0.030 |
| SSG1-20 | 1 | 20 | S1 | 6 | 17 | 20 | 22 | 8 | 10 | 18 | — | — | — | 4.60 | 1.94 | 0.47 | 0.20 | 0.08 to 0.16 | 0.034 |
| SSG1-21 | 1 | 21 | S1 | 8 | 18 | 21 | 23 | 8 | 10 | 18 | — | — | — | 4.94 | 2.14 | 0.50 | 0.22 | 0.08 to 0.16 | 0.035 |
| SSG1-22 | 1 | 22 | S1 | 8 | 18 | 22 | 24 | 8 | 10 | 18 | — | — | — | 5.28 | 2.36 | 0.54 | 0.24 | 0.08 to 0.16 | 0.037 |
| SSG1-23 | 1 | 23 | S1 | 8 | 20 | 23 | 25 | 8 | 10 | 18 | — | — | — | 5.63 | 2.59 | 0.57 | 0.26 | 0.08 to 0.16 | 0.044 |
| SSG1-24 | 1 | 24 | S1 | 8 | 20 | 24 | 26 | 8 | 10 | 18 | — | — | — | 5.98 | 2.83 | 0.61 | 0.29 | 0.08 to 0.16 | 0.046 |
| SSG1-25 | 1 | 25 | S1 | 8 | 20 | 25 | 27 | 8 | 10 | 18 | — | — | — | 6.33 | 3.07 | 0.65 | 0.31 | 0.08 to 0.16 | 0.048 |
| SSG1-26 | 1 | 26 | S1 | 8 | 20 | 26 | 28 | 8 | 10 | 18 | — | — | — | 6.68 | 3.33 | 0.68 | 0.34 | 0.08 to 0.16 | 0.051 |
| SSG1-27 | 1 | 27 | S1 | 8 | 20 | 27 | 29 | 8 | 10 | 18 | — | — | — | 7.04 | 3.60 | 0.72 | 0.37 | 0.08 to 0.16 | 0.054 |
| SSG1-28 | 1 | 28 | S1 | 8 | 20 | 28 | 30 | 8 | 10 | 18 | — | — | — | 7.39 | 3.89 | 0.75 | 0.40 | 0.08 to 0.16 | 0.056 |
| SSG1-29 | 1 | 29 | S1 | 8 | 25 | 29 | 31 | 8 | 10 | 18 | — | — | — | 7.75 | 4.18 | 0.79 | 0.43 | 0.08 to 0.16 | 0.073 |
| SSG1-30 | 1 | 30 | S1 | 10 | 25 | 30 | 32 | 8 | 10 | 18 | — | — | — | 8.11 | 4.48 | 0.83 | 0.46 | 0.08 to 0.16 | 0.072 |
| SSG1-32 | 1 | 32 | S1 | 10 | 25 | 32 | 34 | 8 | 10 | 18 | — | — | — | 7.37 | 4.27 | 0.75 | 0.43 | 0.08 to 0.16 | 0.078 |
| SSG1-34 | 1 | 34 | S1 | 10 | 25 | 34 | 36 | 8 | 10 | 18 | — | — | — | 7.98 | 4.84 | 0.81 | 0.49 | 0.08 to 0.16 | 0.084 |
| SSG1-35 | 1 | 35 | S1 | 10 | 25 | 35 | 37 | 8 | 10 | 18 | — | — | — | 8.28 | 5.14 | 0.84 | 0.52 | 0.08 to 0.16 | 0.088 |
| SSG1-36 | 1 | 36 | S1 | 10 | 25 | 36 | 38 | 8 | 10 | 18 | — | — | — | 8.59 | 5.45 | 0.88 | 0.56 | 0.08 to 0.16 | 0.091 |
| SSG1-38 | 1 | 38 | S1 | 10 | 30 | 38 | 40 | 8 | 10 | 18 | — | — | — | 9.21 | 6.10 | 0.94 | 0.62 | 0.08 to 0.16 | 0.12 |
| SSG1-40 | 1 | 40 | S1 | 10 | 30 | 40 | 42 | 8 | 10 | 18 | — | — | — | 9.83 | 6.79 | 1.00 | 0.69 | 0.08 to 0.16 | 0.12 |
| SSG1-42 | 1 | 42 | S1 | 10 | 30 | 42 | 44 | 8 | 10 | 18 | — | — | — | 10.5 | 7.51 | 1.07 | 0.77 | 0.08 to 0.16 | 0.13 |
| SSG1-44 | 1 | 44 | S1 | 10 | 30 | 44 | 46 | 8 | 10 | 18 | — | — | — | 11.1 | 8.28 | 1.13 | 0.84 | 0.08 to 0.16 | 0.14 |
| SSG1-45 | 1 | 45 | S1 | 10 | 30 | 45 | 47 | 8 | 10 | 18 | — | — | — | 11.4 | 8.67 | 1.16 | 0.88 | 0.08 to 0.16 | 0.14 |
| SSG1-48 | 1 | 48 | S1 | 10 | 30 | 48 | 50 | 8 | 10 | 18 | — | — | — | 12.3 | 9.92 | 1.26 | 1.01 | 0.08 to 0.16 | 0.16 |
| SSG1-50 | 1 | 50 | S1 | 12 | 35 | 50 | 52 | 8 | 10 | 18 | — | — | — | 13.0 | 10.8 | 1.32 | 1.10 | 0.08 to 0.16 | 0.18 |
| SSG1-55 | 1 | 55 | S1 | 12 | 35 | 55 | 57 | 8 | 10 | 18 | — | — | — | 14.6 | 13.2 | 1.48 | 1.34 | 0.10 to 0.18 | 0.21 |
| SSG1-56 | 1 | 56 | S1 | 12 | 35 | 56 | 58 | 8 | 10 | 18 | — | — | — | 14.9 | 13.7 | 1.52 | 1.40 | 0.10 to 0.18 | 0.21 |
| SSG1-60 | 1 | 60 | S1 | 12 | 40 | 60 | 62 | 8 | 10 | 18 | — | — | — | 16.2 | 15.8 | 1.65 | 1.61 | 0.10 to 0.18 | 0.26 |
| SSG1-64 | 1 | 64 | S1 | 12 | 40 | 64 | 66 | 8 | 10 | 18 | — | — | — | 17.4 | 18.1 | 1.78 | 1.84 | 0.10 to 0.18 | 0.28 |
| SSG1-70 | 1 | 70 | S1 | 12 | 40 | 70 | 72 | 8 | 10 | 18 | — | — | — | 19.4 | 21.8 | 1.97 | 2.22 | 0.10 to 0.18 | 0.32 |
| SSG1-75 | 1 | 75 | S1 | 12 | 40 | 75 | 77 | 8 | 10 | 18 | — | — | — | 21.0 | 25.2 | 2.14 | 2.57 | 0.10 to 0.18 | 0.36 |
| SSG1-80 | 1 | 80 | S1 | 15 | 50 | 80 | 82 | 8 | 10 | 18 | — | — | — | 22.6 | 28.8 | 2.30 | 2.94 | 0.10 to 0.18 | 0.44 |
| SSG1-90 | 1 | 90 | S1 | 15 | 50 | 90 | 92 | 8 | 10 | 18 | — | — | — | 25.8 | 36.9 | 2.64 | 3.77 | 0.10 to 0.18 | 0.53 |
| SSG1-100 | 1 | 100 | S1 | 15 | 50 | 100 | 102 | 8 | 10 | 18 | — | — | — | 26.9 | 42.5 | 2.74 | 4.34 | 0.10 to 0.18 | 0.62 |
| SSG1-120 | 1 | 120 | S1 | 15 | 50 | 120 | 122 | 8 | 10 | 18 | — | — | — | 32.9 | 62.5 | 3.36 | 6.37 | 0.12 to 0.20 | 0.84 |
| SSG1.5-14 | 1.5 | 14 | S1 | 10 | 17 | 21 | 24 | 15 | 14 | 29 | — | — | — | 11.1 | 3.73 | 1.13 | 0.38 | 0.08 to 0.16 | 0.048 |
| SSG1.5-15 | 1.5 | 15 | S1 | 10 | 18 | 22.5 | 25.5 | 15 | 14 | 29 | — | — | — | 12.5 | 4.35 | 1.27 | 0.44 | 0.08 to 0.16 | 0.057 |
| SSG1.5-16 | 1.5 | 16 | S1 | 10 | 20 | 24 | 27 | 15 | 14 | 29 | — | — | — | 13.8 | 5.02 | 1.41 | 0.51 | 0.08 to 0.16 | 0.070 |
| SSG1.5-17 | 1.5 | 17 | S1 | 10 | 21 | 25.5 | 28.5 | 15 | 14 | 29 | — | — | — | 15.2 | 5.74 | 1.55 | 0.58 | 0.08 to 0.16 | 0.080 |
| SSG1.5-18 | 1.5 | 18 | S1 | 10 | 22 | 27 | 30 | 15 | 14 | 29 | — | — | — | 16.6 | 6.51 | 1.69 | 0.66 | 0.08 to 0.16 | 0.091 |
| SSG1.5-19 | 1.5 | 19 | S1 | 10 | 23 | 28.5 | 31.5 | 15 | 14 | 29 | — | — | — | 18.0 | 7.33 | 1.83 | 0.75 | 0.08 to 0.16 | 0.10 |
| SSG1.5-20 | 1.5 | 20 | S1 | 10 | 24 | 30 | 33 | 15 | 14 | 29 | — | — | — | 19.4 | 8.20 | 1.98 | 0.84 | 0.08 to 0.16 | 0.12 |
| SSG1.5-21 | 1.5 | 21 | S1 | 10 | 25 | 31.5 | 34.5 | 15 | 14 | 29 | — | — | — | 20.8 | 9.12 | 2.12 | 0.93 | 0.08 to 0.16 | 0.13 |
| SSG1.5-22 | 1.5 | 22 | S1 | 12 | 26 | 33 | 36 | 15 | 14 | 29 | — | — | — | 18.6 | 8.41 | 1.89 | 0.86 | 0.08 to 0.16 | 0.13 |
| SSG1.5-23 | 1.5 | 23 | S1 | 12 | 27 | 34.5 | 37.5 | 15 | 14 | 29 | — | — | — | 19.8 | 9.27 | 2.02 | 0.95 | 0.08 to 0.16 | 0.15 |
| SSG1.5-24 | 1.5 | 24 | S1 | 12 | 28 | 36 | 39 | 15 | 14 | 29 | — | — | — | 21.0 | 10.2 | 2.14 | 1.04 | 0.08 to 0.16 | 0.16 |
| SSG1.5-25 | 1.5 | 25 | S1 | 12 | 30 | 37.5 | 40.5 | 15 | 14 | 29 | — | — | — | 22.2 | 11.1 | 2.27 | 1.13 | 0.08 to 0.16 | 0.18 |
| SSG1.5-26 | 1.5 | 26 | S1 | 12 | 32 | 39 | 42 | 15 | 14 | 29 | — | — | — | 23.5 | 12.1 | 2.39 | 1.23 | 0.08 to 0.16 | 0.20 |
| SSG1.5-27 | 1.5 | 27 | S1 | 15 | 34 | 40.5 | 43.5 | 15 | 14 | 29 | — | — | — | 24.7 | 13.1 | 2.52 | 1.33 | 0.08 to 0.16 | 0.21 |
| SSG1.5-28 | 1.5 | 28 | S1 | 15 | 36 | 42 | 45 | 15 | 14 | 29 | — | — | — | 26.0 | 14.1 | 2.65 | 1.44 | 0.08 to 0.16 | 0.23 |
| SSG1.5-29 | 1.5 | 29 | S1 | 15 | 37 | 43.5 | 46.5 | 15 | 14 | 29 | — | — | — | 27.3 | 15.2 | 2.78 | 1.55 | 0.08 to 0.16 | 0.25 |
| SSG1.5-30 | 1.5 | 30 | S1 | 15 | 38 | 45 | 48 | 15 | 14 | 29 | — | — | — | 28.5 | 16.3 | 2.91 | 1.66 | 0.08 to 0.16 | 0.27 |
| SSG1.5-32 | 1.5 | 32 | S1 | 15 | 40 | 48 | 51 | 15 | 14 | 29 | — | — | — | 31.1 | 18.6 | 3.17 | 1.90 | 0.08 to 0.16 | 0.31 |
| SSG1.5-34 | 1.5 | 34 | S1 | 15 | 42 | 51 | 54 | 15 | 14 | 29 | — | — | — | 33.6 | 21.1 | 3.43 | 2.15 | 0.10 to 0.18 | 0.35 |
| SSG1.5-35 | 1.5 | 35 | S1 | 15 | 42 | 52.5 | 55.5 | 15 | 14 | 29 | — | — | — | 34.9 | 22.4 | 3.56 | 2.29 | 0.10 to 0.18 | 0.37 |
| SSG1.5-36 | 1.5 | 36 | S1 | 15 | 45 | 54 | 57 | 15 | 14 | 29 | — | — | — | 36.2 | 23.8 | 3.70 | 2.43 | 0.10 to 0.18 | 0.40 |
| SSG1.5-38 | 1.5 | 38 | S1 | 15 | 45 | 57 | 60 | 15 | 14 | 29 | — | — | — | 38.8 | 26.6 | 3.96 | 2.71 | 0.10 to 0.18 | 0.44 |
| SSG1.5-40 | 1.5 | 40 | S1 | 15 | 50 | 60 | 63 | 15 | 14 | 29 | — | — | — | 41.5 | 29.6 | 4.23 | 3.02 | 0.10 to 0.18 | 0.51 |
| SSG1.5-42 | 1.5 | 42 | S1 | 15 | 50 | 63 | 66 | 15 | 14 | 29 | — | — | — | 44.1 | 32.8 | 4.50 | 3.35 | 0.10 to 0.18 | 0.54 |
| SSG1.5-44 | 1.5 | 44 | S1 | 15 | 50 | 66 | 69 | 15 | 14 | 29 | — | — | — | 46.7 | 36.2 | 4.77 | 3.69 | 0.10 to 0.18 | 0.58 |
| SSG1.5-45 | 1.5 | 45 | S1 | 18 | 50 | 67.5 | 70.5 | 15 | 14 | 29 | — | — | — | 48.1 | 37.9 | 4.90 | 3.86 | 0.10 to 0.18 | 0.58 |
| SSG1.5-48 | 1.5 | 48 | S1 | 18 | 50 | 72 | 75 | 15 | 14 | 29 | — | — | — | 52.0 | 43.4 | 5.31 | 4.42 | 0.10 to 0.18 | 0.64 |
| SSG1.5-50 | 1.5 | 50 | S1 | 18 | 60 | 75 | 78 | 15 | 14 | 29 | — | — | — | 54.7 | 47.2 | 5.58 | 4.82 | 0.10 to 0.18 | 0.77 |
| SSG1.5-55 | 1.5 | 55 | S1 | 18 | 60 | 82.5 | 85.5 | 15 | 14 | 29 | — | — | — | 61.4 | 57.7 | 6.26 | 5.88 | 0.10 to 0.18 | 0.88 |
| SSG1.5-56 | 1.5 | 56 | S1 | 18 | 60 | 84 | 87 | 15 | 14 | 29 | — | — | — | 62.8 | 59.9 | 6.40 | 6.11 | 0.10 to 0.18 | 0.91 |
| SSG1.5-60 | 1.5 | 60 | S1 | 20 | 60 | 90 | 93 | 15 | 14 | 29 | — | — | — | 68.1 | 69.2 | 6.95 | 7.06 | 0.10 to 0.18 | 0.99 |
| SSG1.5-64 | 1.5 | 64 | S1 | 20 | 60 | 96 | 99 | 15 | 14 | 29 | — | — | — | 67.9 | 73.2 | 6.92 | 7.46 | 0.10 to 0.18 | 1.09 |
| SSG1.5-70 | 1.5 | 70 | S1 | 20 | 60 | 105 | 108 | 15 | 14 | 29 | — | — | — | 75.4 | 88.4 | 7.69 | 9.01 | 0.12 to 0.20 | 1.26 |
| SSG1.5-75 | 1.5 | 75 | S1 | 20 | 60 | 112.5 | 115.5 | 15 | 14 | 29 | — | — | — | 81.7 | 102 | 8.33 | 10.4 | 0.12 to 0.20 | 1.41 |
| SSG1.5-80 | 1.5 | 80 | S1 | 20 | 70 | 120 | 123 | 15 | 14 | 29 | — | — | — | 88.0 | 117 | 8.97 | 12.0 | 0.12 to 0.20 | 1.68 |
| SSG1.5-90 | 1.5 | 90 | S1 | 20 | 70 | 135 | 138 | 15 | 14 | 29 | — | — | — | 101 | 150 | 10.3 | 15.3 | 0.12 to 0.20 | 2.04 |
| SSG1.5-100 | 1.5 | 100 | S1 | 20 | 70 | 150 | 153 | 15 | 14 | 29 | — | — | — | 113 | 187 | 11.6 | 19.1 | 0.12 to 0.20 | 2.43 |
| SSG2-14 | 2 | 14 | S1 | 12 | 22 | 28 | 32 | 20 | 16 | 36 | — | — | — | 26.3 | 9.01 | 2.69 | 0.92 | 0.10 to 0.20 | 0.11 |
| SSG2-15 | 2 | 15 | S1 | 12 | 24 | 30 | 34 | 20 | 16 | 36 | — | — | — | 29.6 | 10.5 | 3.01 | 1.07 | 0.10 to 0.20 | 0.14 |
| SSG2-16 | 2 | 16 | S1 | 12 | 26 | 32 | 36 | 20 | 16 | 36 | — | — | — | 27.3 | 10.1 | 2.78 | 1.03 | 0.10 to 0.20 | 0.16 |
| SSG2-17 | 2 | 17 | S1 | 12 | 28 | 34 | 38 | 20 | 16 | 36 | — | — | — | 30.0 | 11.6 | 3.06 | 1.18 | 0.10 to 0.20 | 0.19 |
| SSG2-18 | 2 | 18 | S1 | 12 | 30 | 36 | 40 | 20 | 16 | 36 | — | — | — | 32.7 | 13.1 | 3.34 | 1.34 | 0.10 to 0.20 | 0.22 |
| SSG2-19 | 2 | 19 | S1 | 12 | 31 | 38 | 42 | 20 | 16 | 36 | — | — | — | 35.5 | 14.8 | 3.62 | 1.51 | 0.10 to 0.20 | 0.24 |
| SSG2-20 | 2 | 20 | S1 | 15 | 32 | 40 | 44 | 20 | 16 | 36 | — | — | — | 38.3 | 16.6 | 3.91 | 1.69 | 0.10 to 0.20 | 0.25 |
| SSG2-21 | 2 | 21 | S1 | 15 | 34 | 42 | 46 | 20 | 16 | 36 | — | — | — | 41.1 | 18.4 | 4.20 | 1.88 | 0.10 to 0.20 | 0.28 |
| SSG2-22 | 2 | 22 | S1 | 15 | 36 | 44 | 48 | 20 | 16 | 36 | — | — | — | 44.0 | 20.4 | 4.49 | 2.08 | 0.10 to 0.20 | 0.32 |
| SSG2-23 | 2 | 23 | S1 | 15 | 37 | 46 | 50 | 20 | 16 | 36 | — | — | — | 46.9 | 22.5 | 4.78 | 2.30 | 0.10 to 0.20 | 0.35 |
| SSG2-24 | 2 | 24 | S1 | 15 | 38 | 48 | 52 | 20 | 16 | 36 | — | — | — | 49.8 | 24.7 | 5.08 | 2.52 | 0.10 to 0.20 | 0.38 |
| SSG2-25 | 2 | 25 | S1 | 15 | 40 | 50 | 54 | 20 | 16 | 36 | — | — | — | 52.7 | 27.0 | 5.38 | 2.75 | 0.10 to 0.20 | 0.42 |
| SSG2-26 | 2 | 26 | S1 | 15 | 42 | 52 | 56 | 20 | 16 | 36 | — | — | — | 55.7 | 29.3 | 5.68 | 2.99 | 0.12 to 0.22 | 0.46 |
| SSG2-27 | 2 | 27 | S1 | 15 | 44 | 54 | 58 | 20 | 16 | 36 | — | — | — | 58.6 | 31.7 | 5.98 | 3.23 | 0.12 to 0.22 | 0.50 |
| SSG2-28 | 2 | 28 | S1 | 15 | 45 | 56 | 60 | 20 | 16 | 36 | — | — | — | 61.6 | 34.2 | 6.28 | 3.49 | 0.12 to 0.22 | 0.54 |
| SSG2-29 | 2 | 29 | S1 | 15 | 48 | 58 | 62 | 20 | 16 | 36 | — | — | — | 64.6 | 36.8 | 6.59 | 3.75 | 0.12 to 0.22 | 0.59 |
| SSG2-30 | 2 | 30 | S1 | 18 | 50 | 60 | 64 | 20 | 16 | 36 | — | — | — | 67.6 | 39.5 | 6.89 | 4.03 | 0.12 to 0.22 | 0.62 |
| SSG2-32 | 2 | 32 | S1 | 18 | 50 | 64 | 68 | 20 | 16 | 36 | — | — | — | 73.7 | 45.2 | 7.51 | 4.61 | 0.12 to 0.22 | 0.68 |
| SSG2-34 | 2 | 34 | S1 | 18 | 50 | 68 | 72 | 20 | 16 | 36 | — | — | — | 79.8 | 51.3 | 8.13 | 5.23 | 0.12 to 0.22 | 0.74 |
| SSG2-35 | 2 | 35 | S1 | 18 | 50 | 70 | 74 | 20 | 16 | 36 | — | — | — | 82.8 | 54.5 | 8.45 | 5.56 | 0.12 to 0.22 | 0.78 |
| SSG2-36 | 2 | 36 | S1 | 18 | 50 | 72 | 76 | 20 | 16 | 36 | — | — | — | 85.9 | 57.8 | 8.76 | 5.90 | 0.12 to 0.22 | 0.81 |
| SSG2-38 | 2 | 38 | S1 | 18 | 50 | 76 | 80 | 20 | 16 | 36 | — | — | — | 92.1 | 64.8 | 9.39 | 6.60 | 0.12 to 0.22 | 0.89 |
| SSG2-40 | 2 | 40 | S1 | 20 | 60 | 80 | 84 | 20 | 16 | 36 | — | — | — | 98.3 | 72.1 | 10.0 | 7.35 | 0.12 to 0.22 | 1.06 |
| SSG2-42 | 2 | 42 | S1 | 20 | 60 | 84 | 88 | 20 | 16 | 36 | — | — | — | 105 | 79.9 | 10.7 | 8.15 | 0.12 to 0.22 | 1.14 |
| SSG2-44 | 2 | 44 | S1 | 20 | 60 | 88 | 92 | 20 | 16 | 36 | — | — | — | 111 | 88.1 | 11.3 | 8.98 | 0.12 to 0.22 | 1.22 |
| SSG2-45 | 2 | 45 | S1 | 20 | 60 | 90 | 94 | 20 | 16 | 36 | — | — | — | 114 | 92.3 | 11.6 | 9.41 | 0.12 to 0.22 | 1.27 |
| SSG2-48 | 2 | 48 | S1 | 20 | 60 | 96 | 100 | 20 | 16 | 36 | — | — | — | 114 | 97.6 | 11.6 | 9.95 | 0.12 to 0.22 | 1.40 |
| SSG2-50 | 2 | 50 | S1 | 25 | 60 | 100 | 104 | 20 | 16 | 36 | — | — | — | 120 | 106 | 12.2 | 10.8 | 0.12 to 0.22 | 1.45 |
| SSG2-55 | 2 | 55 | S1 | 25 | 60 | 110 | 114 | 20 | 16 | 36 | — | — | — | 134 | 130 | 13.7 | 13.3 | 0.14 to 0.24 | 1.71 |
| SSG2-56 | 2 | 56 | S1 | 25 | 60 | 112 | 116 | 20 | 16 | 36 | — | — | — | 137 | 135 | 14.0 | 13.8 | 0.14 to 0.24 | 1.76 |
| SSG2-60 | 2 | 60 | S1 | 25 | 65 | 120 | 124 | 20 | 16 | 36 | — | — | — | 149 | 156 | 15.2 | 15.9 | 0.14 to 0.24 | 2.05 |
| SSG2-64 | 2 | 64 | S1 | 25 | 65 | 128 | 132 | 20 | 16 | 36 | — | — | — | 161 | 179 | 16.4 | 18.3 | 0.14 to 0.24 | 2.30 |
| SSG2-70 | 2 | 70 | S1 | 25 | 70 | 140 | 144 | 20 | 16 | 36 | — | — | — | 179 | 216 | 18.2 | 22.0 | 0.14 to 0.24 | 2.76 |
| SSG2-75 | 2 | 75 | S1 | 25 | 70 | 150 | 154 | 20 | 16 | 36 | — | — | — | 194 | 249 | 19.7 | 25.4 | 0.14 to 0.24 | 3.12 |
| SSG2-80 | 2 | 80 | S1 | 25 | 80 | 160 | 164 | 20 | 16 | 36 | — | — | — | 194 | 265 | 19.8 | 27.0 | 0.14 to 0.24 | 3.65 |
| SSG2-90 | 2 | 90 | S1 | 25 | 80 | 180 | 184 | 20 | 16 | 36 | — | — | — | 222 | 338 | 22.6 | 34.5 | 0.14 to 0.24 | 4.49 |
| SSG2-100 | 2 | 100 | S1 | 25 | 80 | 200 | 204 | 20 | 16 | 36 | — | — | — | 250 | 421 | 25.4 | 43.0 | 0.14 to 0.24 | 5.42 |
| SSG2.5-14 | 2.5 | 14 | S1 | 15 | 28 | 35 | 40 | 25 | 18 | 43 | — | — | — | 42.9 | 14.9 | 4.37 | 1.52 | 0.10 to 0.20 | 0.22 |
| SSG2.5-15 | 2.5 | 15 | S1 | 15 | 30 | 37.5 | 42.5 | 25 | 18 | 43 | — | — | — | 48.1 | 17.4 | 4.91 | 1.77 | 0.10 to 0.20 | 0.26 |
| SSG2.5-16 | 2.5 | 16 | S1 | 15 | 32 | 40 | 45 | 25 | 18 | 43 | — | — | — | 53.3 | 20.1 | 5.44 | 2.05 | 0.10 to 0.20 | 0.30 |
| SSG2.5-17 | 2.5 | 17 | S1 | 15 | 35 | 42.5 | 47.5 | 25 | 18 | 43 | — | — | — | 58.6 | 23.0 | 5.97 | 2.34 | 0.10 to 0.20 | 0.35 |
| SSG2.5-18 | 2.5 | 18 | S1 | 15 | 38 | 45 | 50 | 25 | 18 | 43 | — | — | — | 63.9 | 26.1 | 6.52 | 2.66 | 0.10 to 0.20 | 0.41 |
| SSG2.5-19 | 2.5 | 19 | S1 | 15 | 39 | 47.5 | 52.5 | 25 | 18 | 43 | — | — | — | 69.4 | 29.4 | 7.07 | 3.00 | 0.10 to 0.20 | 0.46 |
| SSG2.5-20 | 2.5 | 20 | S1 | 18 | 40 | 50 | 55 | 25 | 18 | 43 | — | — | — | 74.8 | 32.9 | 7.63 | 3.36 | 0.10 to 0.20 | 0.48 |
| SSG2.5-21 | 2.5 | 21 | S1 | 18 | 42 | 52.5 | 57.5 | 25 | 18 | 43 | — | — | — | 80.4 | 36.7 | 8.20 | 3.74 | 0.12 to 0.22 | 0.53 |
| SSG2.5-22 | 2.5 | 22 | S1 | 18 | 44 | 55 | 60 | 25 | 18 | 43 | — | — | — | 86.0 | 40.6 | 8.77 | 4.14 | 0.12 to 0.22 | 0.60 |
| SSG2.5-23 | 2.5 | 23 | S1 | 18 | 46 | 57.5 | 62.5 | 25 | 18 | 43 | — | — | — | 91.6 | 44.8 | 9.34 | 4.57 | 0.12 to 0.22 | 0.66 |
| SSG2.5-24 | 2.5 | 24 | S1 | 18 | 48 | 60 | 65 | 25 | 18 | 43 | — | — | — | 97.3 | 49.2 | 9.92 | 5.02 | 0.12 to 0.22 | 0.72 |
| SSG2.5-25 | 2.5 | 25 | S1 | 20 | 50 | 62.5 | 67.5 | 25 | 18 | 43 | — | — | — | 103 | 53.8 | 10.5 | 5.48 | 0.12 to 0.22 | 0.77 |
| SSG2.5-26 | 2.5 | 26 | S1 | 20 | 54 | 65 | 70 | 25 | 18 | 43 | — | — | — | 109 | 58.4 | 11.1 | 5.95 | 0.12 to 0.22 | 0.87 |
| SSG2.5-27 | 2.5 | 27 | S1 | 20 | 56 | 67.5 | 72.5 | 25 | 18 | 43 | — | — | — | 115 | 63.2 | 11.7 | 6.44 | 0.12 to 0.22 | 0.94 |
| SSG2.5-28 | 2.5 | 28 | S1 | 20 | 60 | 70 | 75 | 25 | 18 | 43 | — | — | — | 120 | 68.2 | 12.3 | 6.95 | 0.12 to 0.22 | 1.05 |
| SSG2.5-29 | 2.5 | 29 | S1 | 20 | 60 | 72.5 | 77.5 | 25 | 18 | 43 | — | — | — | 126 | 73.3 | 12.9 | 7.48 | 0.12 to 0.22 | 1.10 |
| SSG2.5-30 | 2.5 | 30 | S1 | 20 | 65 | 75 | 80 | 25 | 18 | 43 | — | — | — | 132 | 78.7 | 13.5 | 8.03 | 0.12 to 0.22 | 1.23 |
| SSG2.5-32 | 2.5 | 32 | S1 | 20 | 70 | 80 | 85 | 25 | 18 | 43 | — | — | — | 144 | 90.1 | 14.7 | 9.19 | 0.12 to 0.22 | 1.42 |
| SSG2.5-34 | 2.5 | 34 | S1 | 20 | 70 | 85 | 90 | 25 | 18 | 43 | — | — | — | 156 | 102 | 15.9 | 10.4 | 0.12 to 0.22 | 1.55 |
| SSG2.5-35 | 2.5 | 35 | S1 | 20 | 70 | 87.5 | 92.5 | 25 | 18 | 43 | — | — | — | 162 | 109 | 16.5 | 11.1 | 0.12 to 0.22 | 1.62 |
| SSG2.5-36 | 2.5 | 36 | S1 | 20 | 70 | 90 | 95 | 25 | 18 | 43 | — | — | — | 168 | 115 | 17.1 | 11.8 | 0.12 to 0.22 | 1.69 |
| SSG2.5-38 | 2.5 | 38 | S1 | 20 | 70 | 95 | 100 | 25 | 18 | 43 | — | — | — | 180 | 129 | 18.3 | 13.2 | 0.12 to 0.22 | 1.83 |
| SSG2.5-40 | 2.5 | 40 | S1 | 25 | 70 | 100 | 105 | 25 | 18 | 43 | — | — | — | 177 | 133 | 18.1 | 13.6 | 0.12 to 0.22 | 1.92 |
| SSG2.5-42 | 2.5 | 42 | S1 | 25 | 75 | 105 | 110 | 25 | 18 | 43 | — | — | — | 188 | 147 | 19.2 | 15.0 | 0.14 to 0.24 | 2.16 |
| SSG2.5-44 | 2.5 | 44 | S1 | 25 | 75 | 110 | 115 | 25 | 18 | 43 | — | — | — | 200 | 163 | 20.4 | 16.6 | 0.14 to 0.24 | 2.32 |
| SSG2.5-45 | 2.5 | 45 | S1 | 25 | 75 | 112.5 | 117.5 | 25 | 18 | 43 | — | — | — | 205 | 170 | 20.9 | 17.4 | 0.14 to 0.24 | 2.41 |
| SSG2.5-48 | 2.5 | 48 | S1 | 25 | 75 | 120 | 125 | 25 | 18 | 43 | — | — | — | 222 | 195 | 22.7 | 19.9 | 0.14 to 0.24 | 2.68 |
| SSG2.5-50 | 2.5 | 50 | S1 | 25 | 80 | 125 | 130 | 25 | 18 | 43 | — | — | — | 234 | 213 | 23.8 | 21.7 | 0.14 to 0.24 | 2.95 |
| SSG2.5-55 | 2.5 | 55 | S1 | 25 | 80 | 137.5 | 142.5 | 25 | 18 | 43 | — | — | — | 262 | 260 | 26.8 | 26.5 | 0.14 to 0.24 | 3.46 |
| SSG2.5-56 | 2.5 | 56 | S1 | 25 | 80 | 140 | 145 | 25 | 18 | 43 | — | — | — | 268 | 270 | 27.3 | 27.5 | 0.14 to 0.24 | 3.57 |
| SSG2.5-60 | 2.5 | 60 | S1 | 25 | 80 | 150 | 155 | 25 | 18 | 43 | — | — | — | 291 | 311 | 29.7 | 31.8 | 0.14 to 0.24 | 4.01 |
| SSG2.5-70 | 2.5 | 70 | S1 | 25 | 80 | 175 | 180 | 25 | 18 | 43 | — | — | — | 324 | 399 | 33.1 | 40.7 | 0.14 to 0.24 | 5.26 |
| SSG2.5-75 | 2.5 | 75 | S1 | 25 | 90 | 187.5 | 192.5 | 25 | 18 | 43 | — | — | — | 351 | 461 | 35.8 | 47.0 | 0.14 to 0.24 | 6.15 |
| SSG2.5-80 | 2.5 | 80 | S1 | 25 | 90 | 200 | 205 | 25 | 18 | 43 | — | — | — | 378 | 527 | 38.6 | 53.7 | 0.14 to 0.24 | 6.90 |
| SSG3-14 | 3 | 14 | S1 | 16 | 34 | 42 | 48 | 30 | 20 | 50 | — | — | — | 74.1 | 26.1 | 7.55 | 2.66 | 0.10 to 0.20 | 0.39 |
| SSG3-15 | 3 | 15 | S1 | 16 | 36 | 45 | 51 | 30 | 20 | 50 | — | — | — | 83.1 | 30.5 | 8.48 | 3.11 | 0.10 to 0.20 | 0.46 |
| SSG3-16 | 3 | 16 | S1 | 16 | 38 | 48 | 54 | 30 | 20 | 50 | — | — | — | 92.1 | 35.2 | 9.39 | 3.59 | 0.10 to 0.20 | 0.53 |
| SSG3-17 | 3 | 17 | S1 | 16 | 37 | 51 | 57 | 30 | 20 | 50 | — | — | — | 101 | 40.3 | 10.3 | 4.11 | 0.12 to 0.22 | 0.57 |
| SSG3-18 | 3 | 18 | S1 | 16 | 40 | 54 | 60 | 30 | 20 | 50 | — | — | — | 110 | 45.8 | 11.3 | 4.67 | 0.12 to 0.22 | 0.66 |
| SSG3-19 | 3 | 19 | S1 | 16 | 45 | 57 | 63 | 30 | 20 | 50 | — | — | — | 120 | 51.6 | 12.2 | 5.26 | 0.12 to 0.22 | 0.77 |
| SSG3-20 | 3 | 20 | S1 | 20 | 50 | 60 | 66 | 30 | 20 | 50 | — | — | — | 129 | 57.8 | 13.2 | 5.90 | 0.12 to 0.22 | 0.85 |
| SSG3-21 | 3 | 21 | S1 | 20 | 52 | 63 | 69 | 30 | 20 | 50 | — | — | — | 139 | 64.4 | 14.2 | 6.57 | 0.12 to 0.22 | 0.94 |
| SSG3-22 | 3 | 22 | S1 | 20 | 54 | 66 | 72 | 30 | 20 | 50 | — | — | — | 149 | 71.3 | 15.1 | 7.28 | 0.12 to 0.22 | 1.04 |
| SSG3-23 | 3 | 23 | S1 | 20 | 56 | 69 | 75 | 30 | 20 | 50 | — | — | — | 158 | 78.7 | 16.1 | 8.02 | 0.12 to 0.22 | 1.14 |
| SSG3-24 | 3 | 24 | S1 | 20 | 58 | 72 | 78 | 30 | 20 | 50 | — | — | — | 168 | 86.4 | 17.1 | 8.81 | 0.12 to 0.22 | 1.25 |
| SSG3-25 | 3 | 25 | S1 | 20 | 60 | 75 | 81 | 30 | 20 | 50 | — | — | — | 178 | 94.5 | 18.1 | 9.64 | 0.12 to 0.22 | 1.36 |
| SSG3-26 | 3 | 26 | S1 | 20 | 62 | 78 | 84 | 30 | 20 | 50 | — | — | — | 188 | 103 | 19.2 | 10.5 | 0.12 to 0.22 | 1.48 |
| SSG3-27 | 3 | 27 | S1 | 20 | 65 | 81 | 87 | 30 | 20 | 50 | — | — | — | 198 | 111 | 20.2 | 11.3 | 0.12 to 0.22 | 1.61 |
| SSG3-28 | 3 | 28 | S1 | 20 | 70 | 84 | 90 | 30 | 20 | 50 | — | — | — | 208 | 120 | 21.2 | 12.2 | 0.12 to 0.22 | 1.79 |
| SSG3-29 | 3 | 29 | S1 | 20 | 70 | 87 | 93 | 30 | 20 | 50 | — | — | — | 218 | 129 | 22.2 | 13.2 | 0.12 to 0.22 | 1.88 |
| SSG3-30 | 3 | 30 | S1 | 25 | 75 | 90 | 96 | 30 | 20 | 50 | — | — | — | 228 | 138 | 23.3 | 14.1 | 0.12 to 0.22 | 2.00 |
| SSG3-32 | 3 | 32 | S1 | 25 | 75 | 96 | 102 | 30 | 20 | 50 | — | — | — | 229 | 146 | 23.4 | 14.9 | 0.12 to 0.22 | 2.21 |
| SSG3-34 | 3 | 34 | S1 | 25 | 75 | 102 | 108 | 30 | 20 | 50 | — | — | — | 248 | 166 | 25.3 | 17.0 | 0.14 to 0.24 | 2.43 |
| SSG3-35 | 3 | 35 | S1 | 25 | 80 | 105 | 111 | 30 | 20 | 50 | — | — | — | 258 | 177 | 26.3 | 18.0 | 0.14 to 0.24 | 2.64 |
| SSG3-36 | 3 | 36 | S1 | 25 | 80 | 108 | 114 | 30 | 20 | 50 | — | — | — | 268 | 188 | 27.3 | 19.1 | 0.14 to 0.24 | 2.75 |
| SSG3-38 | 3 | 38 | S1 | 25 | 80 | 114 | 120 | 30 | 20 | 50 | — | — | — | 287 | 210 | 29.2 | 21.4 | 0.14 to 0.24 | 3.00 |
| SSG3-40 | 3 | 40 | S1 | 25 | 80 | 120 | 126 | 30 | 20 | 50 | — | — | — | 306 | 234 | 31.2 | 23.9 | 0.14 to 0.24 | 3.26 |
| SSG3-42 | 3 | 42 | S1 | 25 | 80 | 126 | 132 | 30 | 20 | 50 | — | — | — | 326 | 260 | 33.2 | 26.5 | 0.14 to 0.24 | 3.53 |
| SSG3-44 | 3 | 44 | S1 | 25 | 80 | 132 | 138 | 30 | 20 | 50 | — | — | — | 345 | 286 | 35.2 | 29.2 | 0.14 to 0.24 | 3.82 |
| SSG3-45 | 3 | 45 | S1 | 25 | 80 | 135 | 141 | 30 | 20 | 50 | — | — | — | 355 | 300 | 36.2 | 30.6 | 0.14 to 0.24 | 3.97 |
| SSG3-48 | 3 | 48 | S1 | 25 | 85 | 144 | 150 | 30 | 20 | 50 | — | — | — | 384 | 343 | 39.2 | 35.0 | 0.14 to 0.24 | 4.53 |
| SSG3-50 | 3 | 50 | S1 | 30 | 85 | 150 | 156 | 30 | 20 | 50 | — | — | — | 404 | 374 | 41.2 | 38.1 | 0.14 to 0.24 | 4.78 |
| SSG3-55 | 3 | 55 | S1 | 30 | 90 | 165 | 171 | 30 | 20 | 50 | — | — | — | 421 | 423 | 42.9 | 43.2 | 0.14 to 0.24 | 5.76 |
| SSG3-56 | 3 | 56 | S1 | 30 | 90 | 168 | 174 | 30 | 20 | 50 | — | — | — | 430 | 439 | 43.9 | 44.8 | 0.14 to 0.24 | 5.94 |
| SSG3-60 | 3 | 60 | S1 | 30 | 100 | 180 | 186 | 30 | 20 | 50 | — | — | — | 467 | 508 | 47.6 | 51.8 | 0.14 to 0.24 | 6.95 |
| SSG3-70 | 3 | 70 | S1 | 30 | 100 | 210 | 216 | 30 | 20 | 50 | — | — | — | 560 | 699 | 57.1 | 71.3 | 0.14 to 0.24 | 9.11 |
| SSG3-75 | 3 | 75 | S1 | 30 | 100 | 225 | 231 | 30 | 20 | 50 | — | — | — | 607 | 806 | 61.9 | 82.2 | 0.14 to 0.24 | 10.3 |
| SSG3-80 | 3 | 80 | S1 | 30 | 100 | 240 | 246 | 30 | 20 | 50 | — | — | — | 654 | 921 | 66.7 | 93.9 | 0.14 to 0.24 | 11.6 |
| SSG4-14 | 4 | 14 | S1 | 20 | 40 | 56 | 64 | 40 | 25 | 65 | — | — | — | 176 | 63.4 | 17.9 | 6.47 | 0.14 to 0.24 | 0.86 |
| SSG4-15 | 4 | 15 | S1 | 20 | 45 | 60 | 68 | 40 | 25 | 65 | — | — | — | 197 | 74.1 | 20.1 | 7.55 | 0.14 to 0.24 | 1.04 |
| SSG4-16 | 4 | 16 | S1 | 20 | 50 | 64 | 72 | 40 | 25 | 65 | — | — | — | 218 | 85.6 | 22.3 | 8.73 | 0.14 to 0.24 | 1.24 |
| SSG4-18 | 4 | 18 | S1 | 20 | 60 | 72 | 80 | 40 | 25 | 65 | — | — | — | 262 | 111 | 26.7 | 11.4 | 0.14 to 0.24 | 1.67 |
| SSG4-20 | 4 | 20 | S1 | 20 | 65 | 80 | 88 | 40 | 25 | 65 | — | — | — | 307 | 141 | 31.3 | 14.3 | 0.14 to 0.24 | 2.07 |
| SSG4-22 | 4 | 22 | S1 | 20 | 70 | 88 | 96 | 40 | 25 | 65 | — | — | — | 352 | 174 | 35.9 | 17.7 | 0.14 to 0.24 | 2.50 |
| SSG4-24 | 4 | 24 | S1 | 20 | 75 | 96 | 104 | 40 | 25 | 65 | — | — | — | 368 | 194 | 37.5 | 19.8 | 0.14 to 0.24 | 2.98 |
| SSG4-25 | 4 | 25 | S1 | 20 | 80 | 100 | 108 | 40 | 25 | 65 | — | — | — | 389 | 213 | 39.7 | 21.7 | 0.14 to 0.24 | 3.29 |
| SSG4-28 | 4 | 28 | S1 | 20 | 85 | 112 | 120 | 40 | 25 | 65 | — | — | — | 455 | 270 | 46.4 | 27.5 | 0.16 to 0.26 | 4.05 |
| SSG4-30 | 4 | 30 | S1 | 20 | 90 | 120 | 128 | 40 | 25 | 65 | — | — | — | 499 | 313 | 50.9 | 31.9 | 0.16 to 0.26 | 4.64 |
| SSG4-32 | 4 | 32 | S1 | 25 | 90 | 128 | 136 | 40 | 25 | 65 | — | — | — | 544 | 358 | 55.5 | 36.5 | 0.16 to 0.26 | 5.04 |
| SSG4-35 | 4 | 35 | S1 | 25 | 90 | 140 | 148 | 40 | 25 | 65 | — | — | — | 612 | 432 | 62.4 | 44.0 | 0.16 to 0.26 | 5.83 |
| SSG4-36 | 4 | 36 | S1 | 25 | 90 | 144 | 152 | 40 | 25 | 65 | — | — | — | 634 | 458 | 64.7 | 46.7 | 0.16 to 0.26 | 6.11 |
| SSG4-40 | 4 | 40 | S1 | 25 | 90 | 160 | 168 | 40 | 25 | 65 | — | — | — | 674 | 529 | 68.7 | 54.0 | 0.16 to 0.26 | 7.31 |
| SSG4-42 | 4 | 42 | S1 | 25 | 90 | 168 | 176 | 40 | 25 | 65 | — | — | — | 717 | 586 | 73.1 | 59.7 | 0.16 to 0.26 | 7.96 |
| SSG4-44 | 4 | 44 | S1 | 30 | 90 | 176 | 184 | 40 | 25 | 65 | — | — | — | 760 | 646 | 77.5 | 65.8 | 0.16 to 0.26 | 8.53 |
| SSG4-45 | 4 | 45 | S1 | 30 | 90 | 180 | 188 | 40 | 25 | 65 | — | — | — | 781 | 677 | 79.6 | 69.0 | 0.16 to 0.26 | 8.88 |
| SSG4-48 | 4 | 48 | S1 | 30 | 100 | 192 | 200 | 40 | 25 | 65 | — | — | — | 846 | 774 | 86.3 | 79.0 | 0.16 to 0.26 | 10.3 |
| SSG4-50 | 4 | 50 | S1 | 30 | 100 | 200 | 208 | 40 | 25 | 65 | — | — | — | 889 | 842 | 90.7 | 85.9 | 0.16 to 0.26 | 11.0 |
| SSG4-55 | 4 | 55 | S1 | 30 | 100 | 220 | 228 | 40 | 25 | 65 | — | — | — | 998 | 1,030 | 102 | 105 | 0.16 to 0.26 | 13.1 |
| SSG4-56 | 4 | 56 | S1 | 30 | 110 | 224 | 232 | 40 | 25 | 65 | — | — | — | 1,020 | 1,060 | 104 | 109 | 0.16 to 0.26 | 13.9 |
| SSG4-60 | 4 | 60 | S1 | 30 | 110 | 240 | 248 | 40 | 25 | 65 | — | — | — | 1,110 | 1,230 | 113 | 125 | 0.16 to 0.26 | 15.7 |
| SSG5-20 | 5 | 20 | S1 | 25 | 82 | 100 | 110 | 50 | 25 | 75 | — | — | — | 553 | 259 | 56.4 | 26.5 | 0.14 to 0.26 | 3.83 |
| SSG5-25 | 5 | 25 | S1 | 25 | 105 | 125 | 135 | 50 | 25 | 75 | — | — | — | 760 | 426 | 77.5 | 43.4 | 0.18 to 0.30 | 6.23 |
| SSG5-30 | 5 | 30 | S1 | 25 | 120 | 150 | 160 | 50 | 25 | 75 | — | — | — | 975 | 623 | 99.4 | 63.5 | 0.18 to 0.30 | 8.87 |
| SSG6-20 | 6 | 20 | S1 | 25 | 100 | 120 | 132 | 60 | 28 | 88 | — | — | — | 955 | 457 | 97.4 | 46.6 | 0.18 to 0.30 | 6.71 |
| SSG6-25 | 6 | 25 | S1 | 30 | 125 | 150 | 162 | 60 | 28 | 88 | — | — | — | 1,310 | 747 | 134 | 76.2 | 0.18 to 0.30 | 10.5 |
| SSG6-30 | 6 | 30 | S1 | 30 | 150 | 180 | 192 | 60 | 28 | 88 | — | — | — | 1,560 | 1,020 | 160 | 104 | 0.18 to 0.30 | 15.4 |
Example of use
Application methods and use cases
For General Industry