Engineering Plastic Knob (EK)

Caution
- Selling Price had been changed from 1 June ,2023 due to Maker adjusted the cost
Product Description
Easy-to-grip classic resin know that fits to the hand.
[Features]
· Variations available are blank, reamed, stud, tapped, and stainless steel.
· Available in steel and stainless steel materials.
[Applications]
· Knob-operated parts on general industrial machinery and various automatic machines.
Engineering Plastic Knob Outline Drawings & Dimensions

EK-T tapped

EK-N/EK-N-SUS blank outline drawing

EK-R/EK-R-SUS reamed outline drawing

EK-T/EK-T-SUS tapped outline drawing

EK stud

EK stud outline drawing
EK-N/EK-N-SUS Blank
| Steel | SUS | D | H | D1 | S | Weight (g) |
|---|---|---|---|---|---|---|
| Part Number | Part Number | |||||
| EK40N | EK40N-SUS | 40 | 25 | 14 | 13 | 34 |
| EK50N | EK50N-SUS | 50 | 32 | 17 | 17 | 62 |
| EK63N | EK63N-SUS | 63 | 40 | 21 | 21 | 117 |
| EK80N | EK80N-SUS | 80 | 50 | 25 | 25 | 215 |
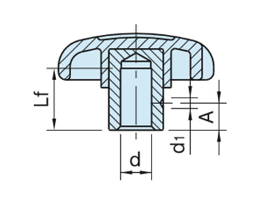
EK-R/EK-R-SUS Reamed
| Steel | SUS | D | d (H8) | H | D1 | S | Lf | d1 | A | Weight (g) |
|---|---|---|---|---|---|---|---|---|---|---|
| Part Number | Part Number | |||||||||
| EK40R | EK40R-SUS | 40 | 8 | 25 | 14 | 13 | 16 | 2.8 | 7 | 26 |
| EK50R | EK50R-SUS | 50 | 10 | 32 | 17 | 17 | 19 | 8 | 47 | |
| EK63R | EK63R-SUS | 63 | 12 | 40 | 21 | 21 | 23 | 3.8 | 10 | 93 |
| EK80R | EK80R-SUS | 80 | 16 | 50 | 25 | 25 | 28 | 12 | 160 |
EK-T/EK-T-SUS Tapped
| Steel | SUS | D | M | H | D1 | S | Lf | Weight (g) |
|---|---|---|---|---|---|---|---|---|
| Part Number | Part Number | |||||||
| EK40T | EK40T-SUS | 40 | M8 × 1.25 | 25 | 14 | 13 | 12 | 28 |
| EK50T | EK50T-SUS | 50 | M10 × 1.5 | 32 | 17 | 17 | 16 | 50 |
| EK63T | EK63T-SUS | 63 | M12 × 1.75 | 40 | 21 | 21 | 20 | 96 |
| EK80T | EK80T-SUS | 80 | M16 × 2 | 50 | 25 | 25 | 24 | 160 |
EK stud
| Part Number | D | M | H | D1 | S | L | Weight (g) |
|---|---|---|---|---|---|---|---|
| EK40×30 | 40 | M8 × 1.25 | 25 | 18 | 13 | 30 | 44 |
| EK40×40 | 40 | 50 | |||||
| EK40×50 | 50 | ||||||
| EK50×30 | 50 | M10 × 1.5 | 32 | 22 | 17 | 30 | 62.5 |
| EK50×40 | 40 | 65 | |||||
| EK50×50 | 50 | 78 | |||||
| EK63×30 | 63 | M12 × 1.75 | 40 | 26 | 21 | 30 | 114 |
| EK63×40 | 40 | 122 | |||||
| EK63×50 | 50 | 130 | |||||
| EK80×40 | 80 | M16 × 2 | 50 | 31 | 25 | 40 | 230 |
| EK80×50 | 50 | 240 | |||||
| EK80×60 | 60 | 250 |
Caution
When making alterations to the insert side of EK-R EK-R-SUS (reamed type) use the countersinking hole on the side of the hub for machining of a fixing-pin hole.
A countersinking hole is added to the end surface of the EK-N boss.
The material properties of the resin may degrade when used under high temperatures or high humidity conditions.