One Way Clutch HF

Caution
- Only a part of the lineup is available at MISUMI. Please use the filtering criteria to confirm the details.
Product Description
Small roller-type one-way clutch in which a cam surface is formed on the outer ring's inner diameter surface.
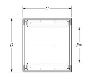
Drawing

Product features details
Features
A compact roller-type one-way clutch with a cam surface formed on the inner diameter of the outer race (shaft diameter 6 to 35 mm). When the outer race starts rotating counterclockwise relative to the shaft (the direction marked on the outer race width surface), the spring action moves the rollers to the meshing position of the outer race cam surface, and the wedge action between the outer race cam surface and the shaft drives the shaft. (Refer to figure 1). When the outer race rotates clockwise relative to the shaft, the shaft rotates counterclockwise relative to the outer race, then the rollers move away from the outer race cam surface and the outer race rotates without engaging with the shaft. (Refer to figure 2)

Fig. 1
When the clutch is engaged

Fig. 2
When the clutch is not engaged
The HF type one-way clutch contains an outer race made by precision deep drawing of a thin steel plate, and has only a clutch function. Bearings for radial load must be equipped on both sides of the one-way clutch in order to bear a radial load and perform a smooth rotational movement.
Structure
The one-way clutch retainer is made of polyamide resin that supports the leaf spring and presses the needle rollers, via the leaf spring, against the wedged area created by the outer race cam surface and the shaft.