[Clean & Pack]Photo Sensor Target Cams - Angle Adjustable

Brand :
MISUMI

Caution

  • Cleaning also removes rust prevention oil, which may make the product more susceptible to rusting than an uncleaned product.
    Please be careful about the application location and storage environment.

Product Description

Three types of cleaning methods are available: degreasing, precision cleaning, and electrolytic polishing + precision cleaning. They can be ordered from one piece with the standard part number.
This eliminates the need for customer cleaning or outsourced cleaning, reducing the amount of time and effort required.
■Part Number for Clean & Pack Products
· Degreasing (Anti-rust single packing)    : Part Number SL-□□
· Precision cleaning (Degassing double packing)    : Part Number SH-□□
· Electrolytic polishing + precision cleaning (Degassing double packing): Part Number SHD-□□
Product Part NumberCleaning MethodPackaging TypeEffects Compared to Uncleaned ProductEnvironment (Standard)Process
SL-□□DegreasingAnti-rust packingOil removalGeneral environmentRegular assembly process
Post battery assembly process
SH-□□Precision cleaningDegassing double packingOil removal
Dust removal
Clean environment (Class 10 to 1,000)Battery assembly process
LCD-related post assembly process
In-vehicle camera assembly process
SHD-□□Electrolytic polishing + precision cleaningDegassing double packingOil removal
Dust removal
Outgas reduction
Vacuum environment
Clean environment (Class 10 to 1,000)
Pre-semiconductor process
Liquid crystal deposition process
Pre-OLED process
■Notes
Cleaning also removes rust prevention oil, which may make the product more susceptible to rusting than an uncleaned product.
Please be careful about the application location and storage environment.

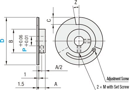
[Features]·Photo sensor target cam that can adjust the slit angle on site.

Type[M] Material[S] Surface
Treatment
[A] AccessoryCleaning Method
Main BodyAngle Adjustable PlateCleaning MethodCleaning EnvironmentPackaging TypePacking Environment
SL-HPSCAA6063A5052Black AnodizeSet Screw 2 pcs.DegreasingGeneral environmentAnti-rust packingGeneral environment
SH-HPSCAPrecision cleaningClass 1,000Degassing double packingClass 10
[ ! ] Products are packed by order quantity. Ex. If the order is for 20 pieces, they are packed in one package (incl. 20 pieces).
[ ! ]See the details of precision cleaning and electrolytic polishing shown at the bottom of the specification table.
Viewed Products
Recently Viewed Products
My Components
My Components
0
Cart
Cart
Economy Series
MRO Product

Chat with MISUMI

Chat service is available for any inquiry to MISUMI

Service hours

9:00 - 18:00 (Mon-Sat)

For out of service hours, you can leave a message to us.
We will reply to your inquiries on the next business day.
(except Sundays and public holidays).

Noted for use

Chat service is for Corporate customers and limited for Thai language.

Request for Quotation and Place Order is not available on Chat.

Start chat