Support Units for Ball Screw, Support Side Low Profile Type

Caution
- Download Free! >>Economy Series Catalog ver2023 (TH-EN)_Part01 CLICK here
Product Description
Support Units for Ball Screw are an economy item, The price is cheaper than the MISUMI standard product.They offer a wide variety of sizes to choose from.
[Feature]
● Type : Support Side Low Profile Type
● Applicable for Shaft Diameter (mm.) : 6, 8 ,10, 15 and 20
● Material : SC45 Equipvalent
● Surface Treatment : Black Oxide
[Application]
Support Units for Ball Screw are commonly used in various applications in factory automation systems
Product Overview of Support Units
1. This series of products are Support Units for balls screw, support side, short type.2. The Support Units Can be used with both MISUMI ball screws and Non-MISUMI ball screws.
3. Related accessories are included with the products. For details, refer to the catalog.
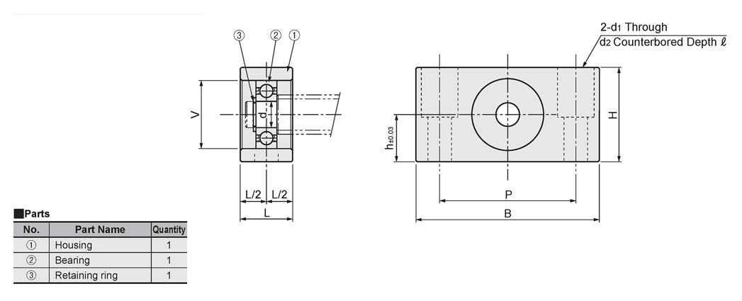
Dimensional Drawing of Support Units
| Type | Material | Surface treatment |
| ① | ① | |
| E-TLF | S45C equivalent | Black oxide |
| *E-TLFHR | Low Temperature Black Chrome Plating |
(*)Marked Low Temperature Black Chrome Plating is under preparation. Currently special order request can be accepted under the condition of MOQ.Specification Table of Support Units

| Part Number of Support Units | d | L | B | H | h | P | V | d1 | d2 | ℓ | Retaining Ring | |
Support Units Type | No. | |||||||||||
| E-TLF (Black oxide) *E-TLFHR (Low Temperature Black Chrome Plating) | 6 | 6 | 12 | 42 | 22 | 11 | 30 | 17 | 5.5 | 9.5 | 12 | STWN·S6 |
| 8 | 14 | 52 | 28 | 14 | 38 | 6.6 | 11 | 15 | ||||
| 10 | 8 | 20 | 70 | 36 | 18 | 52 | 22 | 9 | 14 | 19 | STWN·S8 | |
| 12 | 10 | 26 | STWN·S10 | |||||||||
| 15 | 15 | 20 | 80 | 41 | 21 | 60 | 32 | 11 | 17 | 21 | STWN·S15 | |
| 20 | 20 | 26 | 95 | 56 | 28 | 75 | 47 | 29 | STWN·S20 | |||
(*)Marked Low Temperature Black Chrome Plating is under preparation. Currently special order request can be accepted under the condition of MOQ.Product Features of Support Units

2. The Support Units for Easier to install due to the reference plane marked

Suface treatment comparison:
The black oxide type is cost-effective and can resist corrosion if protective oil is applied regularly.
If it is used in a high-humidity environment or requires less maintenance, it is recommended to use the low-temperature black chrome type.
| Specification | Black Oxide | Low-Temperature Black Chrome |
| Method | Chemical conversion on steel surface forming black oxide layer | Electroplating black chrome at low temperature, usually with Ni underlayer. |
| Surface Quality | Matte black, prone to fading with abrasion. | Deep black, smooth, durable color, high aesthetics. |
| Coating Thickness | Very thin, ~0.5–1.5 μm, almost no dimensional change. | 0.3–2 μm, thicker if Ni underlayer is applied. |
| Corrosion Resistance | Moderate, depends on oil layer; not suitable for long-term outdoor use. | Very high, withstands humid/salty environments, long coating life. |
| Advantages | Low cost, fast, no dimensional change, easy to reprocess. | Superior corrosion resistance, hard, durable color, high aesthetics. |
| Disadvantages | Poor corrosion resistance without maintenance, easy fading. | Complex process, higher cost. |
Example Use of Support Units

Precautions of Support Units


Support Units Type
No.










