Angular Contact Ball Bearings Double Row DB Combination

Caution
- Download Free! >>Economy Series Catalog ver2023 (TH-EN)_Part07 CLICK here
Product Description
Angular Contact Ball Bearings Double Row DB Combination
Angular contact ball bearings double row are commonly used in applications that require high precision, high speed. These bearings are available in various sizes to choose from.
[Feature]
● Bearing Size Standards: Metric System
● Inner Diameter Minimum / Maximum (mm.) : 10 and 100
● Outer Diameter Minimum / Maximum (mm.) : 26 and 180
● Width Minimum / Maximum (mm.) : 8 and 34
● Precision (JIS) : Class 5
● Bearing Type : Open (No cover)
● Load Direction : Radial / Thrust Load or Axial Load
[Application]
It is used to support and guide rotating machine's components, such as shafts, wheels, pulleys ,etc
Features
support radial loads and axial loads in both directions simultaneously.
Parallel combinations (DT combinations) can support radial loads and axial loads in one direction at the same time.
Suitable when the axial load in one direction is large.
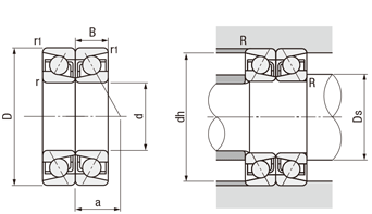
Drawing
E-B72□□-DB

(Installation Diagram)
[ M ]Material: SUJ2 Equivalent
Bearing Accuracy: JIS B 1514 Class 5
Contact Angle: 25°
Specification
| Order Example | Part Number | - | Double Row Combination |
| E-B7000 | - | DB |
| Part Number | Double Row Combination | d | D | B | Basic Load Rating | Allowable Rotational Speed rpm (Reference) | r (min) | r1 (min) | Pressure Cone Apex a | Mounting Dimensions | Mass | |||||
| Ds | dh | R | R1 | (g) | ||||||||||||
| Cr (Dynamic) kN | Cor (Static) kN | Grease | Oil Lubrication | (min.) | (max.) | (max.) | (max.) | (Reference) | ||||||||
| E−B7000 | DB | 10 | 26 | 8 | 8.1 | 4.65 | 27000 | 34000 | 0.3 | 0.15 | 18.4 | 12.5 | 24.8 | 0.3 | (0.15) | 42 |
| E−B7200 | (Back) | 30 | 9 | 7.55 | 4.4 | 23000 | 29000 | 0.6 | 0.3 | 20.5 | 15 | 27.5 | 0.6 | (0.3) | 62 | |
| E−B7001 | 12 | 28 | 8 | 8.8 | 5.45 | 0.3 | 0.15 | 19.5 | 14.5 | 26.8 | 0.3 | (0.15) | 48 | |||
| E−B7201 | 32 | 10 | 12.1 | 7.25 | 22000 | 27000 | 0.6 | 0.3 | 22.7 | 17 | 29.5 | 0.6 | (0.3) | 76 | ||
| E−B7002 | 15 | 9 | 9.95 | 6.85 | 20000 | 26000 | 0.3 | 0.15 | 22.6 | 17.5 | 30.8 | 0.3 | (0.15) | 70 | ||
| E−B7202 | 35 | 11 | 13.2 | 8.55 | 19000 | 24000 | 0.6 | 0.3 | 25.4 | 20 | 32.5 | 0.6 | (0.3) | 96 | ||
| E−B7003 | 17 | 10 | 10.9 | 8.25 | 18000 | 23000 | 0.3 | 0.15 | 25 | 19.5 | 33.8 | 0.3 | (0.15) | 90 | ||
| E−B7203 | 40 | 12 | 16.5 | 11 | 17000 | 21000 | 0.6 | 0.3 | 28.5 | 22 | 37.5 | 0.6 | (0.3) | 140 | ||
| E−B7004 | 20 | 42 | 16.7 | 12.2 | 15000 | 19000 | 29.9 | 25 | 39.5 | 158 | ||||||
| E−B7204 | 47 | 14 | 23.5 | 16.8 | 14000 | 17000 | 1 | 0.6 | 33.3 | 26 | 42 | 1 | (0.6) | 224 | ||
| E−B7005 | 25 | 12 | 18.3 | 14.8 | 13000 | 0.6 | 0.3 | 32.8 | 30 | 44.5 | 0.6 | (0.3) | 182 | |||
| E−B7205 | 52 | 15 | 24.9 | 19 | 12000 | 15000 | 1 | 0.6 | 37.2 | 31 | 47 | 1 | (0.6) | 270 | ||
| E−B7006 | 30 | 55 | 13 | 23.6 | 20.2 | 11000 | 14000 | 37.5 | 6 | 50 | 266 | |||||
| E−B7206 | 62 | 16 | 34.7 | 27.4 | 10000 | 13000 | 42.6 | 36 | 57 | 416 | ||||||
| E−B7007 | 35 | 14 | 28.4 | 25.2 | 9800 | 12000 | (1) | (0.6) | (42) | (41) | (57) | (1) | 340 | |||
| E−B7207 | 72 | 17 | 45.7 | 37.3 | 8800 | 11000 | 1.1 | 0.6 | 47.9 | 42 | 67 | 1 | 590 | |||
| E−B7008 | 40 | 68 | 15 | 30.4 | 29.2 | 8900 | (1) | (0.6) | (46.2) | (46) | (63) | (1) | 420 | |||
| E−B7208 | 80 | 18 | 54.6 | 46.7 | 8000 | 10000 | 1.1 | 0.6 | 52.6 | 47 | 75 | 1 | 764 | |||
| E−B7009 | 45 | 75 | 16 | 36.2 | 35.4 | (1) | (0.6) | (50.6) | (51) | (70) | (1) | 520 | ||||
| E−B7209 | 85 | 19 | 61.3 | 53.2 | 7500 | 9400 | 1.1 | 0.6 | 56.5 | 52 | 80 | 1 | 860 | |||
| E−B7010 | 50 | 80 | 16 | 38.4 | 40.2 | 7300 | 9200 | (1) | (0.6) | (53.5) | (56) | (75) | (1) | 580 | ||
| E−B7210 | 90 | 20 | 64 | 58.7 | 6800 | 8500 | 1.1 | 0.6 | 60.4 | 57 | 85 | 1 | 970 | |||
| E−B7011 | 55 | 18 | 50.5 | 52.5 | 6600 | 8300 | (1.1) | (0.6) | (59.9) | (62) | (85) | (1) | 840 | |||
| E−B7211 | 100 | 21 | 79.1 | 74.2 | 6100 | 7600 | (1.5) | (1) | (65.7) | (64) | (94) | (1.5) | (1) | 1270 | ||
| E−B7012 | 60 | 95 | 18 | 51.8 | 56.1 | 6200 | 7700 | (1.1) | (0.6) | (62.7) | (67) | (90) | (1) | (0.6) | 900 | |
| E−B7212 | 110 | 22 | 95.7 | 91.5 | 5500 | 6900 | (1.5) | (1) | (71.1) | (69) | (104) | (1.5) | (1) | 1640 | ||
| E−B7013 | 65 | 100 | 18 | 54.7 | 62.8 | 5800 | 7200 | (1.1) | (0.6) | (65.5) | (72) | (95) | (1) | (0.6) | 940 | |
| E−B7213 | 120 | 23 | 109 | 108 | 5200 | 6400 | (1.5) | (1) | (76.4) | (74) | (114) | (1.5) | (1) | 2040 | ||
| E−B7014 | 70 | 110 | 20 | 69.3 | 78.7 | 5300 | 6600 | (1.1) | (0.6) | (72) | (77) | (105) | (1) | (0.6) | 1320 | |
| E−B7214 | 125 | 24 | 113 | 111 | 4900 | 6100 | (1.5) | (1) | (80.3) | (79) | (119) | (1.5) | (1) | 2240 | ||
| E−B7015 | 75 | 115 | 20 | 70.9 | 83.4 | 5000 | 6300 | (1.1) | (0.6) | (74.8) | (82) | (110) | (1) | (0.6) | 1380 | |
| E−B7215 | 130 | 25 | 129 | 130 | 4600 | 5800 | (1.5) | (1) | (84.2) | (84) | (124) | (1.5) | (1) | 2460 | ||
| E−B7016 | 80 | 125 | 22 | 86.7 | 101 | (1.1) | (0.6) | (81.2) | (87) | (120) | (1) | (0.6) | 1860 | |||
| E−B7216 | 140 | 26 | 139 | 143 | 4300 | 5400 | (2) | (1) | (89.5) | (90) | (134) | (2) | (1) | 3000 | ||
| E−B7017 | 85 | 130 | 22 | 88.6 | 107 | 4400 | 5500 | (1.1) | (0.6) | (84.1) | (92) | (125) | (1) | (0.6) | 1940 | |
| E−B7217 | 150 | 28 | 160 | 167 | 4000 | 5000 | (2) | (1) | (95.8) | (95) | (144) | (2) | (1) | 3740 | ||
| E−B7018 | 90 | 140 | 24 | 106 | 127 | 4100 | 5100 | (1.5) | (90.4) | (99) | (134) | (1.5) | 2520 | |||
| E−B7218 | 160 | 30 | 183 | 193 | 3800 | 4700 | (2) | (102.2) | (100) | (154) | (2) | 4600 | ||||
| E−B7019 | 95 | 145 | 24 | 108 | 134 | 3900 | 4800 | (1.5) | (93.3) | (104) | (139) | (1.5) | 2640 | |||
| E−B7219 | 170 | 32 | 198 | 207 | 3500 | 4400 | (2.1) | (1.1) | (108.5) | (107) | (163) | (2) | 5560 | |||
| E−B7020 | 100 | 150 | 24 | 111 | 141 | 3800 | 4700 | (1.5) | (1) | (96.2) | (109) | (144) | (1.5) | 2740 | ||
| E−B7220 | 180 | 34 | 223 | 235 | 3300 | 4100 | (2.1) | (1.1) | (114.8) | (112) | (173) | (2) | 6640 | |||
Technical Information
Inner and Outer Dimension Tolerance (JIS B 1514 Class 5)
| d (mm) | Inner Diameter Tolerance (mm) | |
| Over | or Less | |
| 0.6 | 2.5 | 0 |
| -0.005 | ||
| 2.5 | 10 | 0 |
| -0.005 | ||
| 10 | 18 | 0 |
| -0.005 | ||
| 18 | 30 | 0 |
| -0.006 | ||
| 30 | 50 | 0 |
| -0.008 | ||
| 50 | 80 | 0 |
| -0.009 | ||
| D (mm) | Outer Diameter Tolerance (mm) | |
| Over | or Less | |
| 2.5 | 6 | 0 |
| -0.005 | ||
| 6 | 18 | 0 |
| -0.005 | ||
| 18 | 30 | 0 |
| -0.006 | ||
| 30 | 50 | 0 |
| -0.007 | ||
| 50 | 80 | 0 |
| -0.009 | ||
| 80 | 120 | 0 |
| -0.01 | ||
Cautions/Prohibitions
*Please use the following dedicated installation tools to install and remove bearings.

