Safety Fence Frame - 4040, N-Series

Caution
- This product is manufactured in Thailand. The color of safety fence frame may differ from the product sold in Japan due to differences in the manufacturing process.
- The groove area of safety fence frame may appear yellow-green due to the powder coating process. This does not affect the product's specifications, or intended usage.
- When fastening to the beam frame by selecting Z4.5, we recommend self tapping screws using a nominal diameter of 4.5, length 70 mm. (CSPPNN-SUS-TP4.5-70)
- When fastening to the beam frame by selecting Z5, we recommend bolt using nominal diameter of 5, length 40 mm.(E-GSCB5-40 or SCB5-40)
- For Safety Fence Frame N-Series (3030 / 2540), please click here (Safety Fence Frame 3030 N-Series, Safety Fence Frame 2540 N-Series)
Product Description
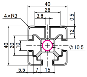
Safety Fence Frame N-series 40x40mm.
[Feature]
● Cross-section : 40 mm. x 40 mm.
● Shape : Square
● Slot width : 10 mm. (same as Aluminum Frame Series 8)
● Overall length :The size is configurable between 50 to 4000 mm, and the minimum length can be increased by increments 0.5 mm.
● Material : Aluminum grade A6063S-T5
● Surface treatment: Clear anodize, Powder Coating (Yellow)
[Application]
Used for Safety Fence assembly in various industries such as automotive industry, electronics industry, etc.
NFFSY8-4040 (Yellow)

| Type | [ M ] Material | [ S ] Surface Treatment |
| NFFS | A6063S-T5 | Clear anodize |
| NFFSY | Powder Coating (Yellow) |
[ ! ]Cut surface and alteration area are not surface treated.
[ ! ]When tapped hole alterations are selected, the red circles on the outline drawing of the aluminum frame will be machined.
[ ! ]The groove area of safety fence frame may appear yellow-green due to the powder coating process. This does not affect the product's specifications, or intended usage.
Please see image below for reference.
