Lead Screw Nuts Flanged

Caution
- Due to the slight differences between JIS standard and national standard, it is not recommended to use MISUMI's economic type trapezoidal screws to match with MISUMI standard nuts or other domestic brand nuts
- Download Free! >>Economy Series Catalog ver2023 (TH-EN)_Part01 CLICK here
Product Description
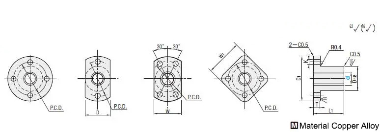
・ Product type: Lead Screw Nuts Flanged
・ Nut shape: Round Flanged (C-MTSFRC), Compact Flanged (C-MTSGRC, C-MTSNRC), Square Flanged (C-MTSCRC)
・ Nominal of Thread No.: 8, 10, 12, 14, 16, 20, 22, 25
・ Thread Pitch [mm]: 1.5, 2, 3, 4, 5
・ The trapezoid Screw is a sliding feed screw following the 30-degree Lead Screw Standard. Perfect for transmission, feeding, lifting, and position adjustment devices. It also offers some self-locking capability.
・ This is an economy item; The price is cheaper than the MISUMI standard product.
The female thread of the Economy series trapezoid screw is processed with a high precision tap to ensure 7H precision. The material is alloy copper; A variety of specifications are available, and female thread specifications can be selected according to the Economy series trapezoid screw.
Used with Economy series trapezoid screw nuts, it ensures consistent thread clearance, and you do not need to worry about inter-matching when replacing the nut later.
Round FlangedC-MTSFRC
(Right-Hand Thread)
C-MTSFLC
(Left-Hand Thread) Both Surfaces Cut Flange・2-Hole Type
C-MTSNRC
(Right-Hand Thread)
C-MTSNLC
(Left-Hand Thread) Both Surfaces Cut Flange・4-Hole Type
C-MTSGRC
(Right-Hand Thread)
C-MTSGLC
(Left-Hand Thread) Square Flanged
C-MTSCRC
(Right-Hand Thread)
C-MTSCLC
(Left-Hand Thread)

| Part Number | Thread Pitch P | Nut Outer Diameter D | Nut Length L1 | D1 | T | P.C.D. | K | W | W1 | Allowable Dynamic Thrust (kN) | Weight (g) | ||||
| Type | Nominal Thread d | Round Flange | Both Surfaces Cut Flange | Square Flange | |||||||||||
| 2-Hole Type | 4-Hole Type | ||||||||||||||
| Round Flanged Type C-MTSFRC C-MTSFLC Double-Sided Cut Flange · 2-Hole Type C-MTSNRC C-MTSNLC Double-Sided Cut Flange · 4-Hole Type C-MTSGRC C-MTSGLC Square Flanged Type C-MTSCRC C-MTSCLC | (* 8) | 1.5 | 15 | 20 | 30 | 5 | 22 | 4.3 | - | - | 1.25 | 41 | 33 | - | - |
| (10) | 2 | 20 | 24 | 36 | 26 | 22 | 2.17 | 80 | 66 | 67 | |||||
| (12) | 22 | 30 | 44 | 31 | 5.4 | 24 | 3.33 | 120 | 95 | 96 | |||||
| 14 | 3 | 33 | 4.18 | 110 | 85 | 86 | 91 | ||||||||
| 16 | 28 | 35 | 51 | 6 | 38 | 6.6 | 30 | 38 | 5.67 | 200 | 169 | 172 | 169 | ||
| 20 | 4 | 32 | 40 | 56 | 42 | 34 | 42 | 8.34 | 260 | 219 | 220 | 224 | |||
| 22 | 5 | 36 | 50 | 61 | 7 | 47 | 40 | 47 | 10.51 | 410 | 357 | 364 | 366 | ||
| 25 | 12.09 | 350 | 290 | 297 | 306 | ||||||||||
* d8 is limited to round flange type · double-sided cut flange 2-hole type only.
( ) The d dimension in parentheses does not apply to the flange type.MISUMI logo quality assurance
2. When contacting the product, please use protective gloves, safety shoes and other protective equipment to ensure safety.



