Bearings With Housing T-Shaped, Lightweight, Compact

Caution
- Download Free! >>Economy Series Catalog ver2023 (TH-EN)_Part07 CLICK here
Product Description
Bearings With Housings T-Shaped, Lightweight, Compact
Bearing Housing T-Shaped is an economy item, The price is cheaper than the MISUMI standard product.They offer a wide variety of sizes to choose from.
[Feature]
● Bearing Inner Diameter (mm.) : 8, 10, 12 and 15
● Bearing Part Number : Can select following this list 698ZZ, 6900ZZ, 6901ZZ and 6902ZZ
● Allowable Rotational Speed (rpm): 8000 (Reference)
● Material :
Bearings with Housings - Steel
Holder - Aluminum
● Surface treatment : For Holder - Clear Anodized
[Application]
Bearings with housings are commonly used in automation machines system
Economy Compact Bearings With Housing
- T-shaped bearing housing minimizes size for space-constrained applications.
- Designed to provide stability with a thicker bottom design for secure installation.
- Bearings made from steel, while holders are made from drawn aluminum profiles.
- Pre-assembled bearings for easy integration into automation systems.
- Supports high allowable rotational speeds.

![]()
MISUMI Standard
![]()
Cheaper Price
![]()
Product Variety
![]()
3D CAD Support
Bearings with Housings Product Overview
The product comes with bearings, assembled into components for shipment, no need to install by yourself.
The shell of this product uses drawn profiles, which greatly improves the cost performance while ensuring the required accuracy.
Bearings with Housings Product Feature
Bearings with Housings Feature 2: Can be installed and used even if the surrounding space is small.
Bearings with Housings Feature 3: The rounded shape does not need to be chamfered, and the safety and appearance are improved.
Bearings with Housings Feature 4: Economy series bearings with housing are processed with aluminum drawn materials, which are suitable for mass production and reduce costs.
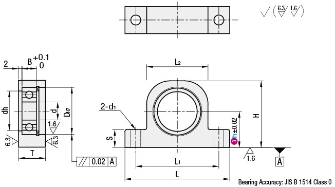
Bearings with Housings Dimensional Drawing


Dimensions in ( ) are for reference only (aluminum profiles are processed, and the appearance dimension tolerance is ±0.5mm). The specific dimensions are subject to the actual products.Bearings with Housings Specifications Overview
■Material Specification Table
| Type | Material | Surface Treatment | Accessory Retaining Ring | |
| Bearings with Housings | Holder | Holder | ||
| C-BGHA C-BGHPA | Steel | Aluminum | Clear Anodized | Spring Steel |
When selecting, please note that axial clearance exists between the bearing and the retaining ring.
Bearings with Housings Specification Table
to
.Part Number ( Type· Bearing Number) | - | h |
| C-BGHA6901ZZ | - | 20 |
Dimension Specification Table
■T Shape Light Weight Compact Type
| Part Number | hHeight Selection | d | DH7 | dh | B | T | (H) | (L) | L1 | (L2) | (S) | (R) | d1 | ||||
Type | Bearing part Number | Tolerance | |||||||||||||||
| C-BGHPA | 625ZZ | 15 | 20 | 5 | 16 | +0.018 0 | 13 | 5 | 10 | h+13 | 47 | 35 | 23 | 10 | 10 | 4.5 | |
| 606ZZ | 15 | 20 | 6 | 17 | +0.018 0 | 13 | 6 | 12 | h+13 | 47 | 35 | 23 | 10 | 10 | 5.5 | ||
| 627ZZ | 20 | 25 | 30 | 7 | 22 | +0.021 0 | 18 | 7 | 12 | h+15 | 53 | 41 | 29 | 10 | 11 | 5.5 | |
| 608ZZ | 20 | 25 | 30 | 8 | 22 | +0.021 0 | 18 | 7 | 12 | h+15 | 53 | 41 | 29 | 10 | 11 | 5.5 | |
| 629ZZ | 20 | 30 | 40 | 9 | 26 | +0.021 0 | 22 | 8 | 15 | H+17 | 58 | 46 | 34 | 10 | 13 | 5.5 | |
| 6900ZZ | 20 | 25 | 30 | 10 | 22 | +0.021 0 | 18 | 6 | 12 | h+15 | 53 | 41 | 29 | 10 | 11 | 5.5 | |
| 6901ZZ | 20 | 30 | 40 | 12 | 24 | +0.021 0 | 22 | 6 | 12 | h+17 | 58 | 46 | 34 | 10 | 13 | 5.5 | |
| 6902ZZ | 25 | 30 | 40 | 15 | 28 | +0.021 0 | 24 | 7 | 12 | h+20 | 60 | 48 | 36 | 15 | 16 | 5.5 | |
| 6003ZZ | 30 | 40 | 50 | 17 | 35 | +0.025 0 | 31 | 10 | 16 | h+22 | 70 | 56 | 43 | 15 | 18 | 6.5 | |
| 6904ZZ | 30 | 40 | 50 | 20 | 37 | +0.025 0 | 31 | 9 | 15 | h+22 | 70 | 56 | 43 | 15 | 18 | 6.5 | |
| 6905ZZ | 40 | 50 | 60 | 25 | 42 | +0.025 0 | 36 | 9 | 15 | h+25 | 82 | 66 | 50 | 15 | 21 | 9 | |
| 6906ZZ | 40 | 50 | 60 | 30 | 47 | +0.025 0 | 41 | 9 | 16 | h+28 | 96 | 76 | 56 | 15 | 24 | 11 | |
| 6907ZZ | 50 | 60 | 80 | 35 | 55 | +0.030 0 | 48 | 10 | 16 | h+32 | 104 | 84 | 64 | 20 | 28 | 11 | |
■T Shape Light Weight Bottom Clearance Type
| Part Number | hHeight Selection | d | DH7 | dh | B | T | (H) | (L) | L1 | (L2) | (S) | (R) | (b) | d1 | ||
Type | Bearing part Number | Tolerance | ||||||||||||||
| C-BGHA | 698ZZ | 20 | 8 | 19 | +0.021 0 | 16 | 6 | 11 | h+14 | 49 | 37 | 25 | 8 | 9 | 16 | 5.5 |
| 30 | 10 | |||||||||||||||
| 6900ZZ | 20 | 10 | 22 | +0.021 0 | 19 | 12 | h+15 | 53 | 41 | 29 | 8 | 11 | 18 | |||
| 30 | 10 | |||||||||||||||
| 40 | ||||||||||||||||
| 6901ZZ | 20 | 12 | 24 | +0.021 0 | 21 | h+16 | 56 | 44 | 32 | 8 | 13 | |||||
| 30 | 10 | |||||||||||||||
| 40 | ||||||||||||||||
| 6902ZZ | 30 | 15 | 28 | +0.021 0 | 25 | 7 | h+18 | 60 | 48 | 36 | 12 | 14 | 20 | |||
| 40 | 15 | |||||||||||||||
| 50 | ||||||||||||||||
MISUMI does not guarantee the brand of the bearing.
( ) Dimensions are for reference only (aluminum profiles are processed, and the appearance dimensional tolerance is ±0.5 mm). Please refer to the actual product for precise measurements.Bearings with Housings Precautions
Axial direction: The direction along the rotational central axis of cylinder, which is the same direction as the central axis.
Radial direction: perpendicular to the axial direction, which is the radius or diameter direction of the end face circle of the cylinder.
② The retaining ring in the bearing housing set with retaining ring cannot be fastened axially, and it only plays a role in preventing the bearing from falling off.
If you need to tighten the bearing axially, it is recommended to use a retaining ring, nut, etc.
When choosing a fixing ring, nut, etc. for axial tightening, please take care to avoid the retaining ring. For dimensions of retaining ring, refer to Product Parameters.
③ Bearing is economy series.
④ Economy series bearing with housing, minimum order quantity is 2 pcs.
Bearings with Housings Example of Use

This product can complete the construction of the mechanism while occupying a very small space.
Bearings with Housings Application Industries
| Smart phone | Electronic & Electrical Appliances | Lithium battery | ||
![]() | ![]() | ![]() | ||
| Automotive | Robotics | Medical | ||
![]() | ![]() | ![]() |
Bearings with Housings Related Products
| Bearing with Housing T-Shaped | Shaft Collar Slit | Timing pulley XL Type | ||
![]() | ![]() | ![]() | ||
| Typical model: BGHK6000ZZ-20 | Typical model: SCS8-10 | Typical model: ATP24XL037-B-N10 |
Material
Surface Treatment
Accessory Retaining Ring
Bearing Number)
h
Type
Bearing part Number







