Support Units for Ball Screw, Support Side Square Type

Caution
- New Size Specification will be updated soon
- Download Free! >>Economy Series Catalog ver2023 (TH-EN)_Part01 CLICK here
Product Description
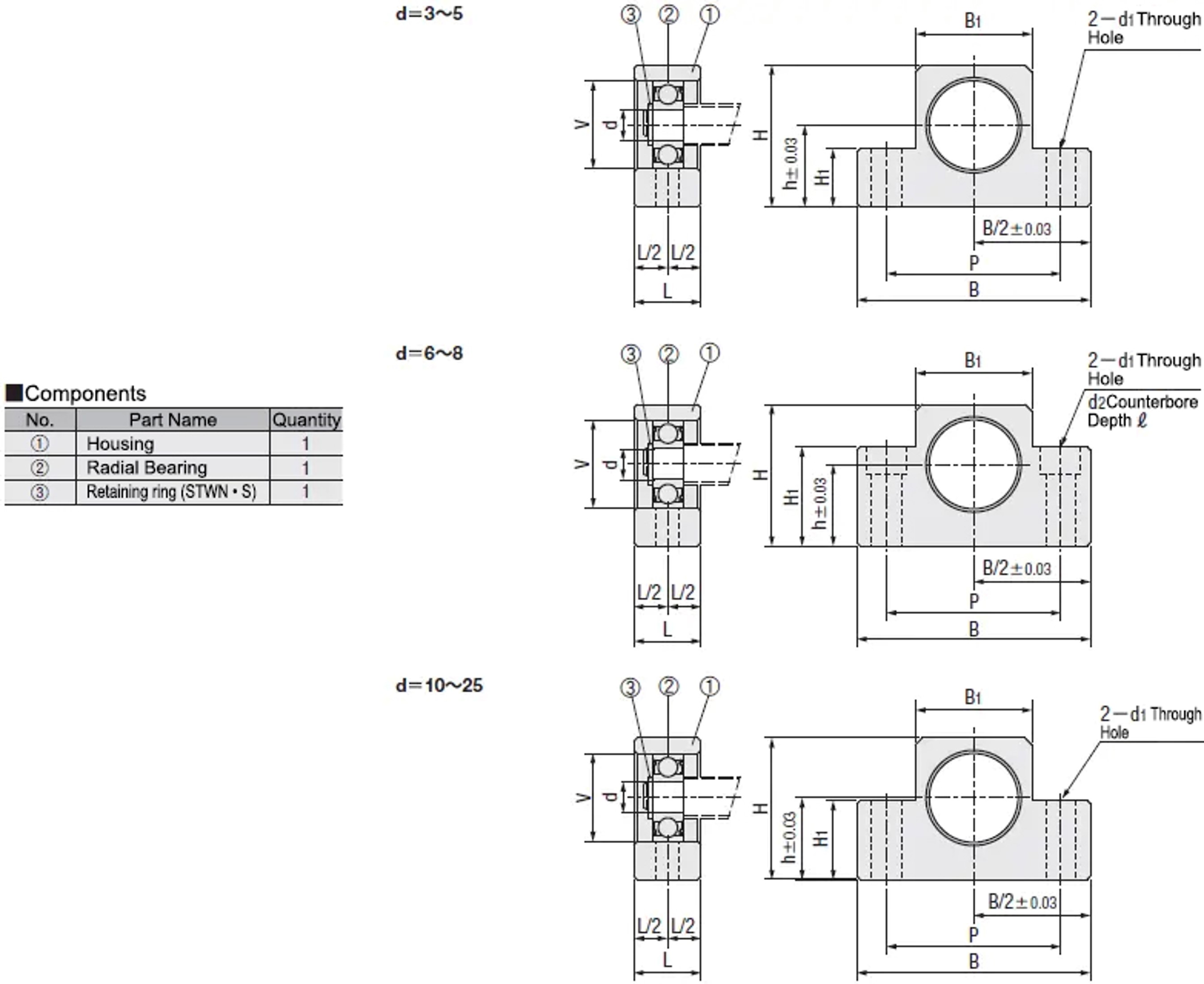
・ Product type: Support Units for Ball Screw, Support Side Square Type, C-TEF series.
・ This is an economy item; The price is cheaper than the MISUMI standard product.
・ Applicable shaft outer diameter [mm]: 6, 8, 10, 15, 20
・ Shaft mounting height [mm]: 13, 17, 25, 30
・ Material: Made of S45C with Ferroferric oxide protective film (Black Oxide)
・ Special Support Units for C7 to C10 rolled screw balls without pre-pressure. This product connects the support side (no motor connected) of the ball screw, featuring bearing holders, bearings, and buckles for sturdy support.

| Type | Material | Surface treatment |
| ① | ① | |
| C-TEF | S45C equivalent | Black oxide |
| *C-TEFHR | Low Temperature Black Chrome Plating |
(*)Marked Low Temperature Black Chrome Plating is under preparation. Currently special order request can be accepted under the condition of MOQ.
| Bearing No. | Basic Dynamic Rated Load (N) | Basic Static Rated Load (N) |
| 3 | 440 | 150 |
| 4 | 910 | 340 |
| 5 | 910 | 340 |
| 6 | 1580 | 580 |
| 8 | 1580 | 580 |
| 10 | 2310 | 960 |
| 12 | 3190 | 1380 |
| 15 | 3920 | 1980 |
| 20 | 8960 | 4620 |
| 25 | 9800 | 5500 |

| Part Number | Axis Diameter d | L | B | H | Shaft Height h | B1 | H1 | P | V | d1 | d2 | ℓ | Retaining ring | |
Type | No. | |||||||||||||
| C-TEF (Black oxide) *C-TEFHR (Low Temperature Black Chrome Plating) | 3 | 3 | 10 | 34 | 19 | 10 | 18 | 7 | 26 | 10 | 4.5 | - | - | Thickness 0.25 |
| 4 | 4 | 13 | Thickness 0.25 | |||||||||||
| 5 | 36 | 21 | 11 | 20 | 8 | 28 | ||||||||
| 6 | 6 | 12 | 42 | 25 | 13 | 18 | 20 | 30 | 17 | 5.5 | 9.5 | 11 | STWN6 | |
| 8 | 14 | 52 | 32 | 17 | 25 | 26 | 38 | 6.6 | 11 | 12 | ||||
| 10 | 8 | 20 | 70 | 43 | 25 | 36 | 24 | 52 | 22 | 9 | - | - | STWN8 | |
| 12 | 10 | 26 | STWN10 | |||||||||||
| 15 | 15 | 80 | 49 | 30 | 41 | 25 | 60 | 32 | STWN15 | |||||
| 20 | 20 | 26 | 95 | 58 | 56 | 75 | 47 | 11 | STWN20 | |||||
(1), (2), and (3) are separate components. Please keep them properly.
(*)Marked Low Temperature Black Chrome Plating is under preparation. Currently special order request can be accepted under the condition of MOQ.

The black oxide type is cost-effective and can resist corrosion if protective oil is applied regularly.
If it is used in a high-humidity environment or requires less maintenance, it is recommended to use the low-temperature black chrome type.
| Specification | Black Oxide | Low-Temperature Black Chrome |
| Method | Chemical conversion on steel surface forming black oxide layer | Electroplating black chrome at low temperature, usually with Ni underlayer. |
| Surface Quality | Matte black, prone to fading with abrasion. | Deep black, smooth, durable color, high aesthetics. |
| Coating Thickness | Very thin, ~0.5–1.5 μm, almost no dimensional change. | 0.3–2 μm, thicker if Ni underlayer is applied. |
| Corrosion Resistance | Moderate, depends on oil layer; not suitable for long-term outdoor use. | Very high, withstands humid/salty environments, long coating life. |
| Advantages | Low cost, fast, no dimensional change, easy to reprocess. | Superior corrosion resistance, hard, durable color, high aesthetics. |
| Disadvantages | Poor corrosion resistance without maintenance, easy fading. | Complex process, higher cost. |







Type
No.