Support Units for Ball Screw, Fixed Side Square Type

Caution
- New Size Specification will be updated soon
- Download Free! >>Economy Series Catalog ver2023 (TH-EN)_Part01 CLICK here
Product Description
・ Product type: Support Units for Ball Screw, Fixed Side Square Type, C-TEK series.
・ This is an economy item; The price is cheaper than the MISUMI standard product.
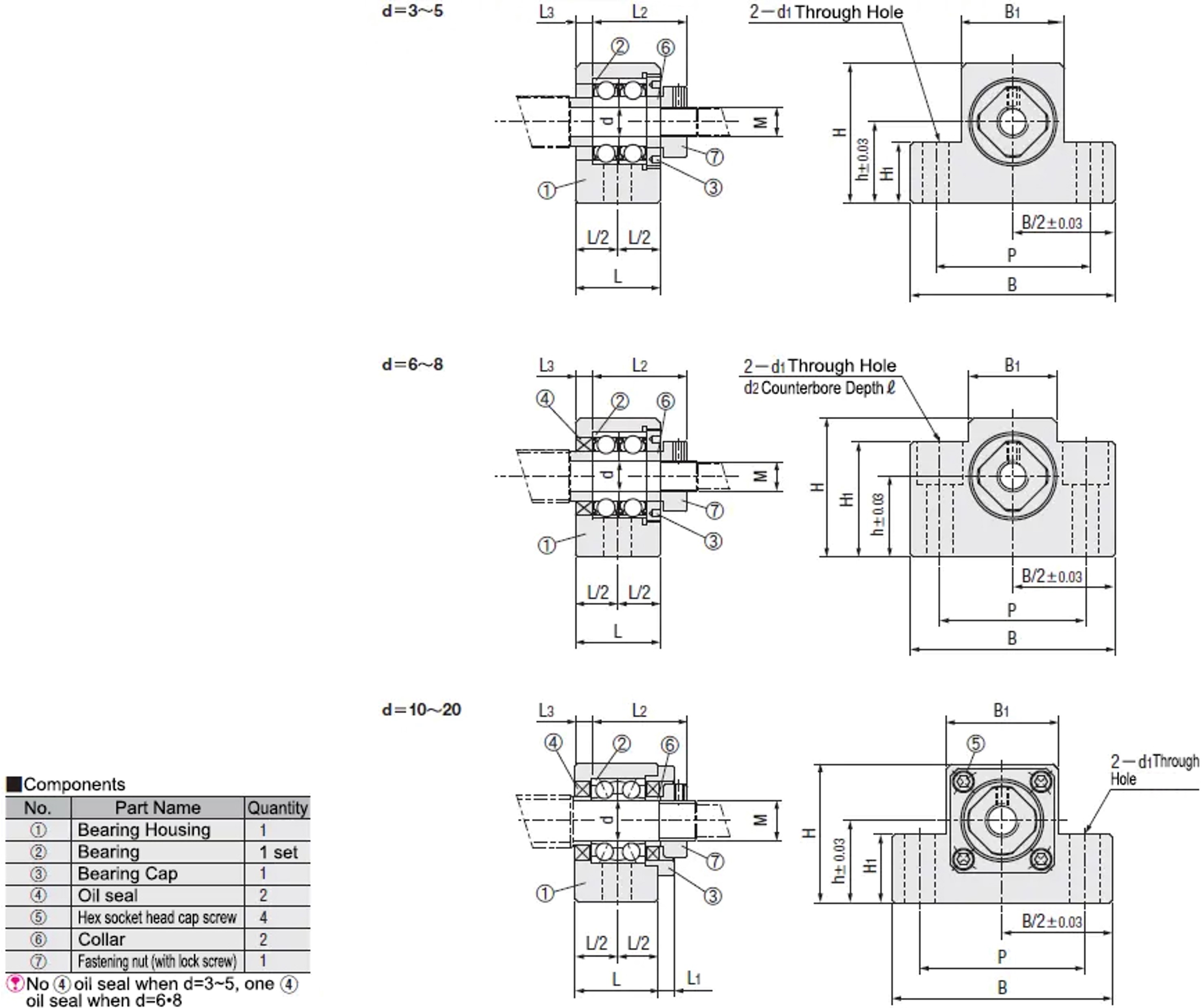
・ Applicable shaft outer diameter [mm]: 6, 8, 10, 12, 15, 20
・ Shaft mounting height [mm]: 13, 17, 25, 30
・ Material: Made of S45C with Ferroferric oxide protective film (Black Oxide)
・ Support Units for C7 to C10 rolled screw balls without pre-pressure. This product connects the fixed side (motor side) of the ball screw, featuring a composition of bearing holder, bearing, bearing cap, oil seal, hex socket bolt, collar, and fastening nut (with Lock screws).

| Type | Material | Surface treatment | |||
| ①③ | ⑥ | ⑦ | ①③ | ⑥⑦ | |
| C-TEK | S45C equivalent | SUJ2equivalent | S20C equivalent | Black oxide | Black oxide |
| *C-TEKHR | Low Temperature Black Chrome Plating | ||||
(*)Marked Low Temperature Black Chrome Plating is under preparation. Currently special order request can be accepted under the condition of MOQ.
(2) d3 to 8 uses deep groove ball bearings, d10 and above uses angular contact bearings
| Type | No. | D | V | L |
| C-TEK C-TEKHR | 3 | 6 | 3 | 4.5 |
| 4 | 6 | 4 | 4.5 | |
| 5 | 8 | 5 | 5.5 | |
| 6 | 9.5 | 6 | 5 | |
| 8S | 10 | 8 | 5.5 | |
| 8 | 11.5 | 8 | 5.5 | |
| 10S | 12 | 10 | 5.5 | |
| 10 | 14.5 | 10 | 5.5 | |
| 12 | 15.5 | 12 | 5.5 | |
| 15 | 19.5 | 15 | 10 | |
| 20 | 25 | 20 | 11 |

| Type | No. | M Fine Thread | B | m | d | D | F |
| C-TEK C-TEK-SET C-TEKHR | 3 | M3×0.5 | 5.2 | M2.5 | 10 | 14.5 | 12 |
| 4 | M4 × 0.5 | 5.2 | M2.5 | 10 | 14.5 | 12 | |
| 5 | M5 × 0.5 | 5.2 | M3 | 10 | 14.5 | 12 | |
| 6 | M6 × 0.75 | 5 | M3 | 10 | 14.5 | 12 | |
| 8S | M8 × 1.0 | 6.5 | M3 | 13 | 17 | 14 | |
| 8 | |||||||
| 10S | M10 × 1.0 | 8 | M3 | 15 | 20 | 16 | |
| 10 | |||||||
| 12 | M12 × 1.0 | 8 | M4 | 17 | 22 | 19 | |
| 15 | M15 × 1.0 | 8 | M4 | 21 | 25 | 22 | |
| 20 | M20 × 1.0 | 11 | M4 | 26 | 35 | 30 |

| Part Number | Support sideSET | Axis Diameter d | L | L1 | L2 | L3 | B | H | Shaft Height h | B1 | H1 | P | d1 | d2 | ℓ | M (Fine Thread) | Oil Seal Corresponding Diameter | |
Type | No. | |||||||||||||||||
| C-TEK (Black oxide) *C-TEKHR (Low Temperature Black Chrome Plating) | 3 | SET (Only when purchasing set) | 3 | 15 | - | 17.7 | 2 | 34 | 19 | 10 | 18 | 7 | 26 | 4.5 | - | - | M3×0.5 | - |
| 4 | 4 | 19.7 | M4 × 0.5 | |||||||||||||||
| 5 | 5 | 16.5 | 18.7 | 2.5 | 36 | 21 | 11 | 20 | 8 | 28 | M5 × 0.5 | |||||||
| 6 | 6 | 20 | 22 | 3.5 | 42 | 25 | 13 | 18 | 20 | 30 | 5.5 | 9.5 | 11 | M6 × 0.75 | 9.5 | |||
| 8S | 8 | 23 | 26 | 4 | 52 | 32 | 17 | 25 | 26 | 38 | 6.6 | 11 | 12 | M8 × 1.0 | 10 | |||
| 8 | 11.5 | |||||||||||||||||
| 10S | 10 | 24 | 6 | 29.5 | 6 | 70 | 43 | 25 | 36 | 24 | 52 | 9 | - | - | M10 × 1.0 | 12 | ||
| 10 | 14.5 | |||||||||||||||||
| 12 | 12 | M12 × 1.0 | 15.5 | |||||||||||||||
| 15 | 15 | 25 | 36 | 5 | 80 | 49 | 30 | 41 | 25 | 60 | 11 | M15 × 1.0 | 20 | |||||
| 20 | 20 | 42 | 10 | 50 | 10 | 95 | 58 | 56 | 75 | M20 × 1.0 | 25 | |||||||
(1), (2), (3) , (4) and (5) are an integrated structure. Do not disassemble.
The SET includes the fixed side support unit and the supported side support unit.
The SET only available for Black oxide type, for low temperature chrome plating please choose the fix side and support side separately.
(*)Marked Low Temperature Black Chrome Plating is under preparation. Currently special order request can be accepted under the condition of MOQ.| Bearing No. | Basic Dynamic Rated Load (N) | Basic Static Rated Load (N) |
| 3 | 440 | 150 |
| 4 | 910 | 340 |
| 5 | 760 | 300 |
| 6 | 1580 | 580 |
| 8 | 2310 | 960 |
| 10 | 3330 | 1480 |
| 12 | 3640 | 1790 |
| 15 | 4170 | 2280 |
| 20 | 9800 | 5470 |
| 25 | 11060 | 6920 |


The black oxide type is cost-effective and can resist corrosion if protective oil is applied regularly.
If it is used in a high-humidity environment or requires less maintenance, it is recommended to use the low-temperature black chrome type.
| Specification | Black Oxide | Low-Temperature Black Chrome |
| Method | Chemical conversion on steel surface forming black oxide layer | Electroplating black chrome at low temperature, usually with Ni underlayer. |
| Surface Quality | Matte black, prone to fading with abrasion. | Deep black, smooth, durable color, high aesthetics. |
| Coating Thickness | Very thin, ~0.5–1.5 μm, almost no dimensional change. | 0.3–2 μm, thicker if Ni underlayer is applied. |
| Corrosion Resistance | Moderate, depends on oil layer; not suitable for long-term outdoor use. | Very high, withstands humid/salty environments, long coating life. |
| Advantages | Low cost, fast, no dimensional change, easy to reprocess. | Superior corrosion resistance, hard, durable color, high aesthetics. |
| Disadvantages | Poor corrosion resistance without maintenance, easy fading. | Complex process, higher cost. |


| SET part number | SET Products Components | |
| Fixed side part number | Support side part number | |
| C-TEK3-SET | C-TEK3 | C-TEF3 |
| C-TEK4-SETS | C-TEK4 | C-TEF3 |
| C-TEK4-SET | C-TEK4 | C-TEF4 |
| C-TEK5-SET | C-TEK5 | C-TEF5 |
| C-TEK6-SET | C-TEK6 | C-TEF6 |
| C-TEK8-SET | C-TEK8 | C-TEF8 |
| C-TEK8S-SET | C-TEK8S | C-TEF8 |
| C-TEK10-SET | C-TEK10 | C-TEF10 |
| C-TEK10S-SET | C-TEK10S | C-TEF10 |
| C-TEK12-SET | C-TEK12 | C-TEF12 |
| C-TEK15-SET | C-TEK15 | C-TEF15 |
| C-TEK20-SET | C-TEK20 | C-TEF20 |




Support side
Type
No.