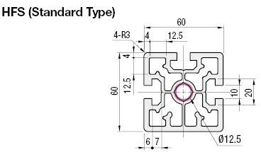
Aluminum Frame 8-45 Series Square 60 × 60 mm 3 Side Slots

Caution
- Additional freight and delivery charge are added to items longer than 2000.5mm
- Due to Air shipment restrictions, the maximum allowable cargo length is not over than 2,600 mm. If the item exceeds 2600mm, the lead time will be approximately 1.5 months. Please contact MISUMI for more information.
Product Description
Aluminum Frame Series 8-45, Square shape 60 x 60mm, 3- Side Slots with Slot width 10mm
Surface treatment is not applied to cut surfaces and additional machining parts.
Note that, for some of the types shown here, order might be unable to be received by the MISUMI Indonesia offices.


[ ! ]Cut surfaces and altered parts are not surface treated.
■8-45 Series
Aluminum Extrusions with 10mm Slot Width. Applicable to M8 Screws.