8-45 Series Aluminum Frame - Square 60x60mm, 4 Side Slots, A6N01SS-T5 Aluminum

Caution
- Additional freight and delivery charge are added to items longer than 2000.5mm
- Due to Air shipment restrictions, the maximum allowable cargo length is not over than 2,600 mm. If the item exceeds 2600mm, the lead time will be approximately 1.5 months. Please contact MISUMI for more information.
- For Aluminum Frame N-Series, please click here (Aluminum Frame N-Series)
- Download Free! >> Economy Series Catalog (TH-EN-FY25) CLICK here
Product Description
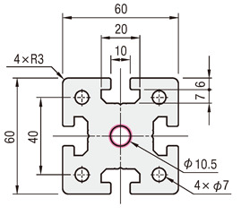
Aluminum Frame 8-45 Series/slot width 10/60x60mm.
Aluminium Profile is a device used to build machine structures, available in various sizes,cross section shapes and with different types of surfaces treatment to choose from.
[Feature]
● Shape : Square
● Slot width : 10 mm. / 1 slot per side
● Cross-section : 60 mm. X 60 mm.
● Overall length :The size is configurable between 50 to 4000 mm, and the minimum length can be increased by increments 0.5 mm.
● Material : Aluminium grade A6N01SS-T5, A6061SS-T6 Equivalent, A6063S-T5 and A6063S-T6 Equivalent
[Application]
Used for automatic machine structures in various industries such as automotive industry, electronics industry, etc.
Dimensional Drawing of Aluminum Frames
HFS (standard type)![]() | GFS (high rigidity type)![]() |
a groove width of 10±0.36 mm and is suitable for M8 bolts.
[ ! ] No surface treatment is applied to cut surfaces or additionally machined areas.
[ ! ] If an end tap is specified, it will be machined in the area circled in red.

| 8-45 Series |
![]() |

Specified Length Aluminum Frames Specifications Table (Additional Processing: Possible)
| Model | − | L |
| HFS8-6060 | − | 800 |
| type | Material | Surface Treatment | Model | L specified in 0.5mm increments | Mass kg/m | Cross-sectional area mm 2 | Moment of inertia mm 4 | |
| ℓx | ℓy | |||||||
| HFS | A6005CSS-T5 | White anodized aluminum | HFS8-6060 | 5 0 to 4 0 0 0 | 4.17 | 1478 | 56.44× 104 | 56.44× 104 |
| GFS | A6061SS-T6 equivalent | White anodized aluminum | GFS8-6060 | 5 0 to 4 0 0 0 | 6.96 | 2577 | 79.86× 104 | 79.86× 104 |
Fixed Length Aluminum Frames Specifications Table (Effective Length 4000mm)
| type | Material | Surface Treatment | Model | Lmm (no tolerance specified) *1 | Cross-sectional area mm 2 | Moment of inertia mm 4 | |
| ℓx | ℓy | ||||||
| HFS | A6005CSS-T5 | White anodized aluminum | K H F S 8 -6 0 6 0 | 4 0 0 0 | 1478 | 56.44× 104< | 56.44× 104< |
| GFS | A6061SS-T6 equivalent | White anodized aluminum | K G F S 8 -6 0 6 0 | 4 0 0 0 | 2577 | 79.86× 104 | 79.86× 104 |
The actual size, including the gripping allowance, is 4000 mm or more (it will be several tens of mm longer).
The fixed-length Aluminum Frames is a Aluminum Frames that the customer cuts to their own use, so the exact length cannot be specified.
[ ! ] A heat resistance temperature of up to 70°C is recommended. Continuing temperatures above 100°C will cause bending due to the load.
However, temporary high temperatures such as steam can tolerate up to 100°C.
Alterations of Aluminum Frames (Specified Length Only, Fixed Length Not Possible)
Some Aluminum Frames cannot be applied depending on the type and size. Please check the price list on each alteration page to see if it is applicable.
Items marked with "-" in the price list cannot be applied.
| classification | Additional Work name | Alteration code example | How to Use | Content |
|---|---|---|---|---|
| > End face tapping | End face tap (center hole) | LTP/RTP/TPW LHP/RHP/HPW | ![]() | The Aluminum Frames is tapped. ■HFS type LTP/RTP/TPW: M12 depth 18 mm (helisert inserted) LHP/RHP/HPW: M10 depth 18 mm (helisert inserted) ■GFS type LTP/RTP/TPW: M12 depth 36 mm LHP/RHP/HPW: M8 depth 15 mm (helisert inserted) Blind joints ( screw joints / simple joints |
| > Change cutting method | High-precision cutting | SC | ![]() | The tolerance of the overall length L has been changed from L±0.5 to L±0.2, allowing for high-precision cutting. *Only applicable to L≦1500 |
| 45 degree cut | L□T45 R□T45 | ![]() | The cut is made at a 45-degree angle. 45-degree cuts cannot be specified in the same direction with other alterations. Example: HFS6-3030-500- L TP- L AT45 ⇒ ✖ (alterations in the same direction (left)) HFS6-3030-500- L TP- R AT45 ⇒ 〇 (separate alterations on left and right) [ ! ] If you would like to cut at an angle other than 45 degrees, catalog non-standard product service. | |
| > Wrench Drilling | Fixed position wrench hole | LCH/LCV/LCP RCH/RCV/RCP | ![]() | This additional processing is required to drill a wrench hole (φ8) in accordance with the position of the tap on the end face of the mating Aluminum Frames when fastening a blind joint that assembles Aluminum Frames into an L shape. Blind joints that require this processing ( screw joints / single joints / tapping joints ) |
Hole position shifted by the thickness of the Aluminum Frames cap | FL FR | ![]() | The hole position for the additional fixed position wrench hole is moved by the thickness of the Aluminum Frames cap (3 mm). This prevents the Aluminum Frames cap from protruding when assembled at a corner. | |
| Wrench holes at specified positions | AH/BH/CH/DH/EH AV/BV/CV/DV/EV AP/BP/CP/DP/EP | ![]() | This is an additional process to drill a wrench hole (φ8) at any position. It can be used when fastening blind joints at locations other than the Aluminum Frames end. ・ Up to five holes can be drilled in each of the horizontal, vertical, and cross directions. [!] If you require six or more wrench holes, our catalog non-standard product service. | |
| > Counterbore Drilling | Specified position counterbored hole | Z8-XA○○ Z12-YA○○ | ![]() | This is an additional process to drill a counterbore hole (select from Z6, Z8, or Z12) at any position. Z6: Through hole φ6.5, counterbore φ11, Z8: Through hole φ9, counterbore φ14, Z12: Through hole φ13, counterbore φ19 . Up to five holes can be drilled in one direction. For Aluminum Frames with multiple rows of grooves on one surface, counterbore holes will be machined in all grooves. [ ! ] If you require more than six counterbore holes or to change the direction of the counterbore holes, non-standard product service . |
| > Drilling holes specifically for blind joints | D hole | LDH/LDV RDH/RDV | ![]() | Drill the holes required for fastening a single joint. ( Single joint ) |
| S hole | LSH/LSV RSH/RSV | ![]() | Drills holes required for fastening first-in-place double joints ( first-in-place double joints ) . | |
| M hole | LMH/LMV RMH/RMV | ![]() | Drills holes required for connecting post-assembly double joints and center joints. ( Post-assembly double joints center joints ) | |
| > Other processing | GFS series end face tap | LTS/RTS/TSW | ![]() | We perform the tapping required to attach end plates specifically for high-rigidity Aluminum Frames. ( High-rigidity plates ) |
| C-chamfered end | CW | ![]() | The outer periphery of the Aluminum Frames end face is chamfered. | |
| Sticking stickers | ZZZ | ![]() | A sticker printed with the catalog number etc. is attached to the Aluminum Frames. There are restrictions on the number of characters etc., but it is also possible to print the customer's serial number and unit number. |
8-45 Series Related Parts of Aluminum Frames
■Aluminum Frames accessories
| Product name | bracket | Blind Joint | nut | Aluminum Frames cap | Groove cover | Conductive washer |
|---|---|---|---|---|---|---|
| photograph | ![]() | ![]() | ![]() | ![]() | ![]() | ![]() |
| Product page | Here | Here | Here | Here | Here | Here |
■List of compatible Aluminum Frames caps
Aluminum Frames model number | Compatible Aluminum Frames caps | |||||
Product Type | color | Thickness | Model number | Number of uses | ||
| The same applies to the HFS8-6060 fixed length Aluminum Frames (model number starting with K). | ![]() | Cap stopper | black | 3 | 1 | |
Light gray | 3 | 1 | ||||
| The same applies to the GFS8-6060 fixed length Aluminum Frames (model number starting with K). | ![]() | Cap stopper | black | 3 | 1 | |
Light gray | 3 | 1 | ||||
![]() | Bolt mounting (high rigidity plate type) requires special additional processing. | silver color | 2 | 1 | ||
Selection Support Information of Aluminum Frames
Aluminum Frames connection methods can be broadly divided into the following two types. >> various connection method examples .
bracket | Blind Joint | ||
Connection example | ![]() | ![]() | |
Features | - Connects outside the Aluminum Frames - Can be moved to any position - Not aesthetically pleasing | ・Connects inside the Aluminum Frames ・Aesthetically pleasing ・Requires processing of the Aluminum Frames |
Center section (no corner section)
| type | Size and Position | left | Right side | both sides | cross section | |
| HFS GFS | M12 depth 18 (φ12.5 is helical insert) | LTP | RTP | TPW | ||
| M10 depth 18 (helisert inserted) | LHP | RHP | HPW | |||
| Tap position | ![]() | ![]() | ![]() | ![]() | ||
[!]> The allowable guideline load is the load that causes the Aluminum Frames to deflect within 1 mm per 1000 mm of length.
Deflection exceeding this will not cause damage, but it should be considered the maximum practical deflection. (The allowable guideline deflection is proportional to the length. For example, 500 mm = 0.5 mm, 2000 mm = 2 mm.) Please refer to
the Aluminum Frames strength guideline table or the simplified deflection calculation table/deflection calculation formula for your reference.

| ■ Allowable load guideline | ||||||
| Aluminum Frames | Height x Width (mm) | NFS/HFS type | GNFS/GFS type | Allowable load difference with HFS type | ||
| Allowable load | Allowable load | |||||
| (N) | (kgf) | (N) | (kgf) | |||
| 60 square | 60×60 | 1,743 | 177 | 2,682 | 273 | 1.54 times |
| [ ! ]< These values are for a Aluminum Frames length of 1000 mm, supported at both ends, and with a concentrated load at the center. | ||||||
| ■ Mechanical properties (reference actual measured values) | ||||
| series | NFS Type | HFS Type | GNFS type | GFS type |
| Material (JIS symbol) | A6063S−T5 | A6005CSS-T5 | A6063S−T6 equivalent | A6061SS−T6 equivalent |
| Tensile strength (N/mm 2< ) | 155 or more | 245 or more | 205 or more | Over 265 (actual measurement 278) |
| Yield strength (N/mm 2< ) | 110 or more | 205 or more | Over 170 | Over 245 (actual measurement 247) |
| Modulus of elasticity (N/mm 2< ) | 69,972 | 69,972 | 69,972 | 69,972 |
| Brinell hardness (HB) | 88 | 88 | 88 | 88 |
| Surface Treatment | Anodized 9μm or more | |||






























