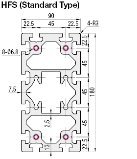
Aluminum Frame 8-90 Series/slot width 10/90x180mm

Caution
- Additional freight and delivery charge are added to items longer than 2000.5mm
- Due to Air shipment restrictions, the maximum allowable cargo length is not over than 2,600 mm. If the item exceeds 2600mm, the lead time will be approximately 1.5 months. Please contact MISUMI for more information.
Product Description
Aluminum Frame 8-90 Series/slot width 10/90x180 mm.
Aluminum profile is a device used to build machine structures. It is available in various sizes, cross-sectional shapes, and with different types of surface treatments to choose from.
[Feature]
● Shape : Rectangle
● Slot width :10 mm.
● Cross-section rectangle : 90 x 180 mm.
number of slot width x length = 2 X 4 slots
number of slotted surfaces = 4 sides
● Overall length :The size is configurable between 50 to 4000 mm, and the minimum length can be increased by increments 0.5 mm.
● Material : Aluminium grade A6N01SS-T5
● Surface treatment: Clear Anodize and Black Anodize
[Application]
Used for automatic machine structures in various industries such as automotive industry, electronics industry, etc.
Note that, for some of the types shown here, order might be unable to be received by the MISUMI Thailand, Malaysia, Indonesia, and/or India offices.


[ ! ]Cut surfaces and altered parts are not surface treated.
■8-45 Series
Aluminum Extrusions with 10mm Slot Width. Applicable to M8 Screws.