8-45 Series Aluminum Frame - Square 45x45mm, 2 Side Slots, A6N01SS-T5 Aluminum

Brand :
MISUMI
Caution
- Additional freight and delivery charge are added to items longer than 2000.5mm
- Due to Air shipment restrictions, the maximum allowable cargo length is not over than 2,600 mm. If the item exceeds 2600mm, the lead time will be approximately 1.5 months. Please contact MISUMI for more information.
- For Aluminum Frame N-Series, please click here (Aluminum Frame N-Series)
- Download Free! >> Economy Series Catalog (TH-EN-FY25) CLICK here
Product Description
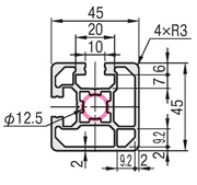
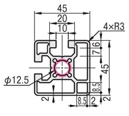
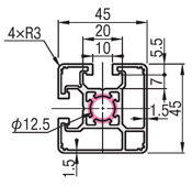
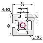
Aluminum Frame Series 8-45, Square shape 45 x 45mm, 2- Side Slots with Slot width 10mm
Surface treatment is not applied to cut surfaces and additional machining parts.
Dimensional Drawing of Aluminum Frames
| EFS (standard type) | HFS (standard type) | HFSL (lightweight type) | GFS (high rigidity type) | |||
![]() | ![]() | ![]() | ![]() |
![]() | 8-45 Series | |
![]() |
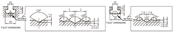
Groove details (common to HFS and GFS types)
Groove details (EFS)
Groove bottom details
Groove bottom details
(HFS type)
(GFS type)
(EFS type)
Enlarged view of part A
Enlarged view of part A
Enlarged view of part A

*Lightweight type (HFSL) is 5.5.
■The 8-45 series is an Aluminum Frames extrusion with a groove width of 10 mm. Suitable for M8 bolts.
[ ! ] The cut surfaces and additionally machined areas are not surface treated.
[ ! ] If you request additional tapped holes, the processing will be performed in the red circled areas on the Aluminum Frames extrusion outline drawing.
[ ! ] The cut surfaces and additionally machined areas are not surface treated.
[ ! ] If you request additional tapped holes, the processing will be performed in the red circled areas on the Aluminum Frames extrusion outline drawing.
Specified Length Aluminum Frames Specifications Table (Additional Processing: Possible)
| Model | − | L |
| HFST8−4545 | − | 800 |
| type | Material | Surface Treatment | Model | L specified in 0.5mm increments | Mass kg/m | Cross-sectional area mm 2 | Moment of inertia mm 4 | |
| ℓx | ℓy | |||||||
| HFS | A6005CSS-T5 | White anodized Aluminum Frames | H F S T 8 - 4 5 4 5 | 5 0 to 4 0 0 0 | 1.92 | 713 | 14.00× 104 | 14.00× 104 |
| HFS | A6005CSS-T5 | Black anodized Aluminum Frames | H F S T B 8 - 4 5 4 5 | 5 0 to 4 0 0 0 | 1.92 | 713 | 14.00× 104 | 14.00× 104 |
| HFSL | A6005CSS-T5 | White anodized Aluminum Frames | H F S L T 8 - 4 5 4 5 | 5 0 to 4 0 0 0 | 1.58 | 585 | 11.13× 104 | 11.13× 104 |
| EFS | A6005CSS-T5 | White anodized Aluminum Frames | E F S T 8 - 4 5 4 5 | 5 0 to 4 0 0 0 | 1.8 | 667 | 14.67× 104 | 14.67× 104 |
| GFS | A6061SS-T6 equivalent | White anodized Aluminum Frames | G F S T 8 - 4 5 4 5 | 5 0 to 4 0 0 0 | 3.22 | 1195 | 24.46× 104 | 24.46× 104 |
Fixed Length Aluminum Frames Specifications Table (Effective Length 4000mm)
[ ! ] Fixed-length Aluminum Frames have a format with K at the beginning of the format code for each Aluminum Frames.| Model | − | L |
| KHFST8−4545 | − | 4000 |
| type | Material | Surface Treatment | Model | Lmm | Cross-sectional area mm 2 | Moment of inertia mm 4 | |
| ℓx | ℓy | ||||||
| HFS | A6005CSS-T5 | White anodized Aluminum Frames | K H F S T 8 - 4 5 4 5 | 4 0 0 0 | 713 | 14.00× 104 | 14.00× 104 |
| HFS | A6005CSS-T5 | Black anodized Aluminum Frames | K H F S T B 8 - 4 5 4 5 | 4 0 0 0 | 713 | 14.00× 104 | 14.00× 104 |
| HFSL | A6005CSS-T5 | White anodized Aluminum Frames | K H F S L T 8 - 4 5 4 5 | 4 0 0 0 | 585 | 11.13× 104 | 11.13× 104 |
| EFS | A6005CSS-T5 | White anodized Aluminum Frames | K E F S T 8 - 4 5 4 5 | 4 0 0 0 | 667 | 14.67× 104 | 14.67× 104 |
| GFS | A6061SS-T6 equivalent | White anodized Aluminum Frames | K G F S T 8 - 4 5 4 5 | 4 0 0 0 | 1195 | 24.46× 104 | 24.46× 104 |
The actual length including the gripping allowance will be 4000 mm or more (it will be several tens of mm longer).
As fixed-length Aluminum Frames are Aluminum Frames that are cut by the customer, the exact length cannot be specified.
Alterations of Aluminum Frames (Specified Length Only, Fixed Length Not Possible)
[ ! ] By using the various alterations listed below, MISUMI's specified length Aluminum Frames can be assembled with greater flexibility.Some Aluminum Frames cannot be applied depending on the type and size. Please check the price list on each alteration page to see if it is applicable.
Items marked with "-" in the price list cannot be applied.
| classification | Additional Work name | Alteration code example | How to Use | Content |
|---|---|---|---|---|
| > End face tapping | End face tap (center hole) | LTP/RTP/TPW LHP/RHP/HPW | ![]() | The Aluminum Frames is tapped. ■HFS/EFS type LTP/RTP/TPW: M12 depth 18 mm (helisert inserted) LHP/RHP/HPW: M10 depth 18 mm (helisert inserted) ■GFS type LTP/RTP/TPW: M12 depth 36 mm LHP/RHP/HPW: M8 depth 15 mm (helisert inserted) Blind joints (screw joints simple joints that require this processing |
| > Change cutting method | High-precision cutting | SC | ![]() | The tolerance of the overall length L has been changed from L±0.5 to L±0.2, allowing for high-precision cutting. *Only applicable to L≦1500 |
| 45 degree cut | L□T45 R□T45 | ![]() | The cut is made at a 45-degree angle. 45-degree cuts cannot be specified in the same direction with other alterations. Example: HFS6-3030-500- L TP- L AT45 ⇒ ✖ (alterations in the same direction (left)) HFS6-3030-500- L TP- R AT45 ⇒ 〇 (separate alterations on left and right) [ ! ] If you would like to cut at an angle other than 45 degrees, catalog non-standard product service. | |
| > Wrench Drilling | Fixed position wrench hole | LCH/LCV/LCP RCH/RCV/RCP | ![]() | This additional processing is required to drill a wrench hole (φ8) in accordance with the position of the tap on the end face of the mating Aluminum Frames when fastening a blind joint that assembles Aluminum Frames into an L shape. Blind joints that require this processing (screw joints single joints tapping joints) |
| Hole position shifted by the thickness of the Aluminum Frames cap | FL FR | ![]() | The hole position for the additional fixed position wrench hole is moved by the thickness of the Aluminum Frames cap (3 mm). This prevents the Aluminum Frames cap from protruding when assembled at a corner. | |
| Wrench holes at specified positions | AH/BH/CH/DH/EH AV/BV/CV/DV/EV AP/BP/CP/DP/EP | ![]() | This is an additional process to drill a wrench hole (φ8) at any position. It can be used when fastening blind joints at locations other than the Aluminum Frames end. ・ Up to five holes can be drilled in each of the horizontal, vertical, and cross directions. [!] If you require six or more wrench holes, our catalog non-standard product service . | |
| > Counterbore Drilling | Specified position counterbored hole | Z8-XA○○ Z12-XA○○ | ![]() | This is an additional process to drill a counterbore hole (select from Z6, Z8, or Z12) at any position. Z6: Through hole φ6.5, counterbore φ11, Z8: Through hole φ9, counterbore φ14, Z12: Through hole φ13, counterbore φ19 . Up to five holes can be drilled in one direction. For Aluminum Frames with multiple rows of grooves on one surface, counterbore holes will be machined in all grooves. [ ! ] If you require more than six counterbore holes or to change the direction of the counterbore holes, non-standard product service. |
| > Drilling holes specifically for blind joints | D hole | LDH/LDV RDH/RDV | ![]() | Drill the holes required for fastening a single joint. (Single joint) |
| M hole | LMH/LMV RMH/RMV | ![]() | Drills holes required for connecting post-assembly double joints and center joints. (Post-assembly double joints center joints) | |
| > Other processing | GFS series end face tap | LTS/RTS/TSW | ![]() | We perform the tapping required to attach end plates specifically for high-rigidity Aluminum Frames. ( High-rigidity plates ) |
| C-chamfered end | CW | ![]() | The outer periphery of the Aluminum Frames end face is chamfered. | |
| Sticking stickers | ZZZ | ![]() | A sticker printed with the catalog number etc. is attached to the Aluminum Frames. There are restrictions on the number of characters etc., but it is also possible to print the customer's serial number and unit number. |
8-45 Series Related Parts of Aluminum Frames
■Aluminum Frames accessories
| Product name | bracket | Blind Joint | nut | Aluminum Frames cap | Groove cover |
|---|---|---|---|---|---|
| photograph | ![]() | ![]() | ![]() | ![]() | ![]() |
| Product page | Here | Here | Here | Here | Here |
■List of compatible Aluminum Frames caps
Aluminum Frames model number | Compatible Aluminum Frames caps | |||||
Product Type | color | Thickness | Model number | Number of uses | ||
| HFST8-4545 HFSTB8-4545 HFSLT8-4545 EFST8-4545 fixed length Aluminum Frames (model numbers starting with K) are also the same. | ![]() | Cap stopper | black | 3 | 1 | |
Light gray | 3 | 1 | ||||
![]() | Cap stopper (long leg type) | black | 3 | 1 | ||
Light gray | 3 | 1 | ||||
![]() | bolted | black | 3 | 1 | ||
Light gray | 3 | 1 | ||||
| The same applies to the GFST8-4545 fixed length Aluminum Frames (model number starting with K). | ![]() | Cap stopper | black | 3 | 1 | |
Light gray | 3 | 1 | ||||
![]() | Bolt mounting (high rigidity plate type) requires special additional processing. | silver color | 2 | 1 | ||
Selection Support Information of Aluminum Frames
■Aluminum Frames connection methods
Aluminum Frames connection methods can be broadly divided into the following two types. >>
Aluminum Frames connection methods can be broadly divided into the following two types. >>
bracket | Blind Joint | |
Connection example | ![]() | ![]() |
Features | - Connects outside the Aluminum Frames - Can be moved to any position - Not aesthetically pleasing | ・Connects inside the Aluminum Frames ・Aesthetically pleasing ・Requires processing of the Aluminum Frames |
■Additional tapping of end faces (8-45 series □45)
Center part (no corner parts)
Center part (no corner parts)
Size and Position | left | Right side | both sides | cross section |
M12 depth 18 (φ12.5 has helical insert inserted) | LTP | RTP | TPW | |
M10 depth 18 (helisert inserted) | LHP | RHP | HPW | |
Tap position | ![]() | ![]() | ![]() | ![]() |
■How to think about the allowable guideline load (deflection) for Aluminum Frames
[!] The allowable guideline load is the load that causes the Aluminum Frames to deflect within 1 mm per 1000 mm of length.
Deflection exceeding this will not cause damage, but it should be considered the maximum practical deflection. (The allowable guideline deflection is proportional to the length. For example, 500 mm = 0.5 mm, 2000 mm = 2 mm.) Please refer to
the Aluminum Frames strength guideline table or the simplified deflection calculation table/deflection calculation formula for your reference.
[!] The allowable guideline load is the load that causes the Aluminum Frames to deflect within 1 mm per 1000 mm of length.
Deflection exceeding this will not cause damage, but it should be considered the maximum practical deflection. (The allowable guideline deflection is proportional to the length. For example, 500 mm = 0.5 mm, 2000 mm = 2 mm.) Please refer to
the Aluminum Frames strength guideline table or the simplified deflection calculation table/deflection calculation formula for your reference.

































