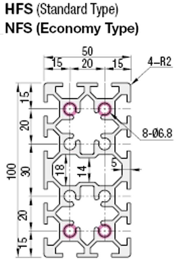
6 Series Aluminum Frame - 50x100mm, 8mm Slot Width

Brand :
MISUMI
Caution
- Additional freight and delivery charge are added to items longer than 2000.5mm
- Due to Air shipment restrictions, the maximum allowable cargo length is not over than 2,600 mm. If the item exceeds 2600mm, the lead time will be approximately 1.5 months. Please contact MISUMI for more information.
Product Description
Aluminum Frame Series 6, Square shape 50 x 100mm, 4- Side Slots with Slot width 8mm
Surface treatment is not applied to cut surfaces and additional machining parts.
