6 Series Aluminum Frame - 50x100mm, 8mm Slot Width

Brand :
MISUMI
Caution
- Additional freight and delivery charge are added to items longer than 2000.5mm
- Due to Air shipment restrictions, the maximum allowable cargo length is not over than 2,600 mm. If the item exceeds 2600mm, the lead time will be approximately 1.5 months. Please contact MISUMI for more information.
- Download Free! >> Economy Series Catalog (TH-EN-FY25) CLICK here
Product Description
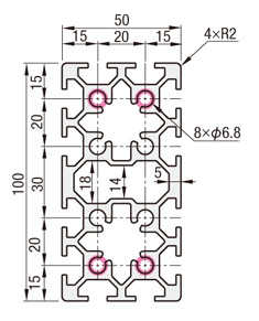
Aluminum Frame Series 6, Square shape 50 x 100mm, 4- Side Slots with Slot width 8mm
Surface treatment is not applied to cut surfaces and additional machining parts.
Dimensional Drawing of Aluminum Frames
Aluminum Frames HFS (standard type)![]() | ![]()
|
Groove details
(common to all series)Groove bottom details
(HFS/CAF type) (GFS type) (EFS type) T-slot dimensions Enlarged view of part A Enlarged view of part A Enlarged view of part A
(common to all series)Groove bottom details
(HFS/CAF type) (GFS type) (EFS type) T-slot dimensions Enlarged view of part A Enlarged view of part A Enlarged view of part A

■The 6 series: Suitable for M6 bolts with a groove width of 8±0.36 mm.
[ ! ]The cut surfaces and additionally machined areas are not surface treated.
[ ! ]If you request additional tapped holes, the processing will be performed on the red circled areas in the AluminumFrames outline drawing.
[ ! ]The cut surfaces and additionally machined areas are not surface treated.
[ ! ]If you request additional tapped holes, the processing will be performed on the red circled areas in the AluminumFrames outline drawing.
Specified Length Aluminum Frames Specifications Table (Additional Processing: Possible)
| Model | − | L |
| HFS6-50100 | − | 800 |
| type | Material | Surface Treatment | Model | L specified in 0.5mm increments | Mass kg/m | Cross-sectional area mm 2 | Moment of inertia mm 4 | |
| ℓx | ℓy | |||||||
| HFS | A6005CSS-T5 | White anodized aluminum | HFS6-50100 | 5 0 to 4 0 0 0 | 4.36 | 1614 | 42.40× 104 | 153.5× 104 |
| HFS | A6005CSS-T5 | Black anodized aluminum | HFSB6-50100 | 50to4000 | 4.36 | 1614 | 42.40× 104 | 153.5× 104 |
Fixed Length Aluminum Frames Specifications Table (Effective Length 4000mm)
[ ! ] Fixed-length Aluminum Framess have a format with K at the beginning of the format code for each Aluminum Frames.| Model | − | L |
| KHFSB6−50100 | − | 4000 |
| type | Material | Surface Treatment | Model | Lmm | Cross-sectional area mm 2 | Moment of inertia mm 4 | |
| ℓx | ℓy | ||||||
| HFS | A6005CSS-T5 | White anodized aluminum | KHFS6-50100 | 4 0 0 0 | 1614 | 42.40× 104 | 153.5× 104 |
| HFS | A6005CSS-T5 | Black anodized aluminum | KHFSB6-50100 | 4000 | 1614 | 42.40× 104 | 153.5× 104 |
The actual length including the gripping allowance will be 4000 mm or more (it will be several tens of mm longer).
As fixed-length Aluminum Framess are Aluminum Framess that are cut by the customer, the exact length cannot bespecified.
Alterations of Aluminum Frames (Specified Length Only, Fixed Length Not Possible)
[ ! ]By using the various alterations listed below, MISUMI's specified length Aluminum Frames can be assembled with greaterflexibility.Some Aluminum Framess cannot be applied depending on the type and size. Please check the price list on each alterationpage to see if it is applicable.
Items marked with "-" in the price list cannot be applied.
| classification | Additional Work name | Alteration code example | How to Use | Content |
|---|---|---|---|---|
| > End face tapping | End face tap (center hole) | LTP/RTP/TPW LHP/RHP/HPW | ![]() | The Aluminum Frames is tapped. LTP/RTP/TPW: M8 depth 24mm LHP/RHP/HPW: M5 depth 10mm (with helical insert inserted) This processing is required for blind joints ( screw joints / simple joints). |
| > Change cutting method | High-precision cutting | SC | ![]() | The tolerance of the overall length L has been changed from L±0.5 to L±0.2, allowing for high-precision cutting. *Only applicable to L≦1500 |
| 45 degree cut | L□T45 R□T45 | ![]() | The cut is made at a 45-degree angle. 45-degree cuts cannot be specified in the same direction with other alterations. Example: HFS6-3030-500-LTP- LAT45 ⇒ ✖ (alterations in the same direction (left)) HFS6-3030-500- L TP- R AT45 ⇒ 〇 (separatealterations on left and right) [ ! ]If you would like to cut at an angle other than 45 degrees | |
| > Wrench Drilling | Fixed position wrench hole | LCH/LCV/LCP RCH/RCV/RCP | ![]() | This is an additional process to drill a wrench hole to match the position of the end face tap of the matingAluminum Frames when fastening a blind joint that assembles Aluminum Framess into an L shape. ・The wrench hole d dimension can be selected from X5 or X8. If not specified, the d dimension will be 8. Blind joints that require this process ( screw joints / single joints / tapping joints) |
| Hole position shifted by the thickness of the Aluminum Frames cap | FL FR | ![]() | The hole position for the additional fixed position wrench hole is moved by the thickness of the Aluminum Framescap (3 mm). This prevents the Aluminum Frames cap from protruding when assembled at a corner. | |
| Wrench holes at specified positions | Ah/Bh/Ch/Dh/Eh | ![]() | This is an additional process that allows you to drill wrench holes at any desired position. It can be used whenfastening blind joints other than at the Aluminum Frames end. ・The wrench hole d dimension can be selected from X5 or X8. If no specification is made, the d dimension will be8. ・Up to five holes can be drilled in each of the horizontal, vertical, and cross directions. [ ! ]If you require six or more wrench holes | |
| gt; Counterbore Drilling | Specified position counterbored hole | Z8-YA○○ | ![]() | This is an additional process to drill a counterbore hole (selectable from Z6 or Z8) at any position. ・Z6: Through hole φ6.5, counterbore hole φ11, Z8: Through hole φ9, counterbore hole φ14 ・Up to five holes can be drilled in one direction. ・For Aluminum Framess with multiple rows of grooves on one surface, counterbore holes will be machined in allgrooves. [ ! ]If you require more than six counterbore holes or to change the direction of the counterbore holes |
| > Drilling holes specifically for blind joints | D hole | LDH RDH | ![]() | Drill the holes required for fastening a single joint. (Single joint) |
| S hole | LSH/LSV RSH/RSV | ![]() | Drills holes required for fastening first-in-place double joints (first-in-place double joints). | |
| M hole | LMH/LMV RMH/RMV | ![]() | Drills holes required for connecting post-assembly double joints and center joints. (Post-assembly double joints / center joints) | |
| > Other processing | C-chamfered end | CW | ![]() | The outer periphery of the Aluminum Frames end face is chamfered. |
| Sticking stickers | ZZZ | ![]() | A sticker printed with the catalog number etc. is attached to the Aluminum Frames. There are restrictions on the number of characters etc., but it is also possible to print the customer's serialnumber and unit number. |
6 Series Related Parts of Aluminum Frames
■Aluminum Frames accessories
| Product name | bracket | Blind Joint | nut | Aluminum Frames cap | Groove cover |
|---|---|---|---|---|---|
| photograph | ![]() | ![]() | ![]() | ![]() | ![]() |
| Product page | Here | Here | Here | Here | Here |
| General information page | Details page | Details page | Details page | Details page | Details page |
■Compatible End Cap for Aluminum Frames
Aluminum Frames model number | Compatible Aluminum Frames caps | |||||
Product Type | color | Thickness | Model number | Number of uses | ||
| The same applies toHFS6-50100 and HFSB6-50100 fixed length Aluminum Framess (model numbers beginning with K). | ![]() | Cap stopper | black | 3 | HFC6-50100-B | 1 |
| Light gray | 3 | HFC6-50100-S | 1 | |||
Selection Support Information of Aluminum Frames
■Aluminum Frames connection methods
Aluminum Frames connection methods can be broadly divided into the following two types. vious connection examples.
Aluminum Frames connection methods can be broadly divided into the following two types. vious connection examples.
bracket | Blind Joint | ||
Connection example | ![]() | ![]() | |
Features | - Connects outside the Aluminum Frames - Can be moved to any position - Not aesthetically pleasing | ・Connects inside the Aluminum Frames ・Aesthetically pleasing ・Requires processing of the Aluminum Frames |
■How to think about the allowable guideline load (deflection) for Aluminum Frames
[!]The allowable guideline load is the load that causes the Aluminum Frames to deflect within 1 mm per 1000 mm oflength.
Deflection exceeding this will not cause damage, but it should be considered the maximum practical deflection. (Theallowable guideline deflection is proportional to the length. For example, 500 mm = 0.5 mm, 2000 mm = 2 mm.) Pleaserefer to
the Aluminum Frames strength guideline table or the simplified deflection calculation table/deflection calculationformula for your reference.

[!]The allowable guideline load is the load that causes the Aluminum Frames to deflect within 1 mm per 1000 mm oflength.
Deflection exceeding this will not cause damage, but it should be considered the maximum practical deflection. (Theallowable guideline deflection is proportional to the length. For example, 500 mm = 0.5 mm, 2000 mm = 2 mm.) Pleaserefer to
the Aluminum Frames strength guideline table or the simplified deflection calculation table/deflection calculationformula for your reference.























