6 Series Aluminum Frame - Square 30x30mm, 3 Side Slots, A6N01SS-T5 Aluminum

Caution
- Additional freight and delivery charge are added to items longer than 2000.5mm
- Due to Air shipment restrictions, the maximum allowable cargo length is not over than 2,600 mm. If the item exceeds 2600mm, the lead time will be approximately 1.5 months. Please contact MISUMI for more information.
- For Aluminum Frame N-Series, please click here (Aluminum Frame N-Series)
- Download Free! >> Economy Series Catalog (TH-EN-FY25) CLICK here
Product Description
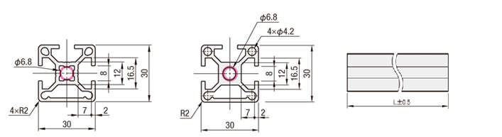
Aluminum Frame 6 Series/slot width 8/30x30mm
Aluminium Profile is a device used to build machine structures, available in various sizes,cross section shapes and with different types of surfaces treatment to choose from.
[Feature]
● Shape : Square
● Slot width : 8 mm. / 1 slot only 3 side and the other is blind
● Cross-section : 30 mm. x 30 mm.
● Overall length :The size is configurable between 50 to 4000 mm, and the minimum length can be increased by increments 0.5 mm.
● Material : Aluminium grade A6N01SS-T5 and A6063S-T5
● Surface treatment: Clear Anodize and Black Anodize
[Application]
Used for automatic machine structures in various industries such as automotive industry, electronics industry, etc.
Dimensional Drawing of Aluminum Frames
Aluminum Frames, For other dimensional tolerance-related information, please see here .| 6 Series |
![]() |
■The 6 series has
a groove width of 8±0.36 mm and is suitable for M6 bolts.
[ ! ]Aluminum Frames, No surface treatment is applied to cut surfaces or additionally machined areas.
[ ! ]Aluminum Frames, If an end tap is specified, it will be machined in the red circle.
(common to all series)Groove bottom details
(HFS/CAF type)(GFS type)(EFS type)T-slot dimensionsEnlarged view of part AEnlarged view of part AEnlarged view of part A

Specified Length Aluminum Frames Specifications Table (Additional Processing: Possible)
| Model Aluminum Frames | − | L |
| EFSF6-3030 | − | 800 |
| type | Material | Surface Treatment | Model | L specified in 0.5mm increments (tolerance ±0.5mm) | Mass kg/m | Cross-sectional area mm 2 | Moment of inertia mm 4 | |
| ℓx | ℓy | |||||||
| HFS | A6005CSS-T5 | White anodized aluminum | HFSF6-3030 | 50 to 4000 | 0.92 | 338 | 3.03× 104 | 2.76× 104 |
| HFS | A6005CSS-T5 | Black anodized aluminum | HFSFB6-30 30 | 50 to 4000 | 0.92 | 338 | 3.03× 104 | 2.76× 104 |
| EFS | A6005CSS-T5 | White anodized aluminum | EFSF6-3030 | 50 to 4000 | 0.86 | 320 | 3.06× 104 | 2.8× 104 |
| EFS | A6005CSS-T5 | Black anodized aluminum | EFSFB6-30 30 | 50 to 4000 | 0.86 | 320 | 3.06× 104 | 2.8× 104 |
Fixed Length Aluminum Frames Specifications Table (Effective Length 4000mm)
| Model Aluminum Frames | − | L |
| KHFSF6-3030 | − | 4000 |
| type | Material | Surface Treatment | Model | Lmm (no tolerance specified) | Cross-sectional area mm 2 | Moment of inertia mm 4 | |
| ℓx | ℓy | ||||||
| HFS | A6005CSS-T5 | White anodized aluminum | KHF SF6-3030 | 4000 | 338 | 3.03× 104 | 2.76× 104 |
| HFS | A6005CSS-T5 | Black anodized aluminum | KHFSFB6-3030 | 4000 | 338 | 3.03× 104 | 2.76× 104 |
| EFS | A6005CSS-T5 | White anodized aluminum | KEFSF6-3030 | 4000 | 320 | 3.06× 104 | 2.8× 104 |
| EFS | A6005CSS-T5 | Black anodized aluminum | KEFSFB6-3030 | 40 00 | 320 | 3.06× 104 | 2.8× 104 |
The actual length including the gripping allowance will be 4000 mm or more (it will be several tens of mmlonger).
As fixed-length frames are frames that are cut by the customer, the exact length cannot be specified.
Alterations of Aluminum Frames (Specified Length Only, Fixed Length Not Possible)
[ ! ]Aluminum Frames, By using the various alterations listed below, MISUMI's specified length aluminum frames can be assembled withgreater flexibility.Some frames cannot be applied depending on the type and size. Please check the price list on each alteration page tosee if it is applicable.
Items marked with "-" in the price list cannot be applied.
| classification | Additional Work name | Alteration code example | How to Use | Content |
|---|---|---|---|---|
| End face tapping | End face tap (center hole) | LTP/RTP/TPW LHP/RHP/HPW | ![]() | Tap processing is performed on the frame. LTP/RTP/TPW: M8 depth 24mm LHP/RHP/HPW: M5 depth 10mm (helisert inserted) Blind joints ( screw joints / simple joints ) that require this processing |
| Change cutting method | High-precision cutting | SC | ![]() | Aluminum Frames, The tolerance of the overall length L has been changed from L±0.5 to L±0.2, allowing for high-precisioncutting. *Only applicable to L≦1500 |
| 45 degree cut | L□T45 R□T45 | ![]() | The cut is made at a 45-degree angle. 45-degree cuts cannot be specified in the same direction with other alterations. Example: HFS6-3030-500- L TP- LAT45 ⇒ ✖ (alterations in the same direction (left)) HFS6-3030-500- L TP- RAT45 ⇒ 〇 (separate alterations on left and right) [ ! ]If you would like to cut at an angle other than 45 degrees, please contact our catalog non-standard product service . | |
| Wrench Drilling | Fixed position wrench hole | LCH/LCV/LCP RCH/RCV/RCP | ![]() | Aluminum Frames, This is an additional process to drill a wrench hole to match the position of the end face tap of the matingframe when fastening a blind joint that assembles frames into an L shape. ・The wrench hole d dimension can be selected from X5 or X8. If not specified, the d dimension will be 8. Blind joints that require this process ( screw joints / single joints / tapping joints ) |
Hole position shifted by the thickness of the frame cap | FL FR | ![]() | Aluminum Frames, The hole position for the additional fixed position wrench hole is moved by the thickness of the frame cap (3mm). This prevents the frame cap from protruding when assembled at a corner. | |
| Wrench holes at specified positions | AH/BH/CH/DH/EH AV/BV/CV/DV/EV AP/BP/CP/DP/EP | ![]() | Aluminum Frames, This is an additional process that allows you to drill wrench holes at any desired position. It can be usedwhen fastening blind joints other than at the frame end. ・The wrench hole d dimension can be selected from X5 or X8. If no specification is made, the d dimension willbe 8. ・Up to five holes can be drilled in each of the horizontal, vertical, and cross directions. [ ! ] If you require six or more wrench holes, please contact our catalog non-standard product service . | |
| Counterbore Drilling | Specified position counterbored hole | Z6-XA○○ Z8-YA○○ | ![]() | Aluminum Frames, This is an additional process to drill a counterbore hole (selectable from Z6 or Z8) at any position. ・Z6: Through hole φ6.5, counterbore hole φ11, Z8: Through hole φ9, counterbore hole φ14 ・Up to five holes can be drilled in one direction. ・For frames with multiple rows of grooves on one surface, counterbore holes will be machined in all grooves. [ ! ]If you require more than six counterbore holes or to change the direction of the counterbore holes, please contact our non-standard product service . |
| Drilling holes specifically for blind joints | D hole | LDH/LDV RDH/RDV | ![]() | Drill the holes required for fastening a single joint. ( Single joint ) |
| S hole | LSH RSH | ![]() | Drills holes required for fastening first-in-place double joints ( first-in-place double joints ) . | |
| M hole | LMH/LMV RMH/RMV | ![]() | Drills holes required for connecting post-assembly double joints and center joints. ( Post-assembly double joints / center joints ) | |
| L hole | JLP○○-H△ | ![]() | Drill holes required for connecting parallel joints. ( Parallel joints ) | |
| Other processing | C-chamfered end | CW | ![]() | Aluminum Frames, The outer periphery of the frame end face is chamfered. |
| Sticking stickers | ZZZ | ![]() | Aluminum Frames, A sticker printed with the catalog number etc. is attached to the aluminum frame. There are restrictions on the number of characters etc., but it is also possible to print the customer's serialnumber and unit number. |
6 Series Related Parts of Aluminum Frames
■Aluminum Frames accessories
| Product name | bracket | Blind Joint | nut | Frame cap | Groove cover | Conductive washer |
|---|---|---|---|---|---|---|
| photograph | ![]() | ![]() | ![]() | ![]() | ![]() | ![]() |
| Product page | Here | Here | Here | Here | Here | Here |
■Aluminum Frames List of compatible frame caps
| Frame model number | Compatible frame caps | |||||
| Product Type | color | Thickness | Model number | Number of uses | ||
| HFSF6-3030 HFSFB6-3030 EFSF6-3030 EFSFB6-3030 Fixed length frames (model numbers starting with K) are also the same. | ![]() | Cap stopper | black | 3 | HFC6-3030-B | 1 |
| Light gray | 3 | HFC6-3030-S | 1 | |||
![]() | Cap stopper (long leg type) | black | 3 | HFCL6-3030-B | 1 | |
| Light gray | 3 | HFCL6-3030-S | 1 | |||
![]() | bolted | black | 3 | HFCB6-3030-B | 1 | |
| Light gray | 3 | HFCB6-3030-S | 1 | |||
| yellow | 3 | HFCB6-3030-Y | 1 | |||
Selection Support Information of Aluminum Frames
connection methods can be broadly divided into the following two types.
bracket | Blind Joint | ||
Connection example | ![]() | ![]() | |
Features | - Connects outside the frame - Can be moved to any position - Not aesthetically pleasing | ・Connects inside the frame ・Aesthetically pleasing ・Requires processing of the frame |
Center section
Size and Position | left | Right side | both sides | cross section | |
M8 depth 24 | LTP | RTP | TPW | ||
M5 depth 10 (helisert inserted) | LHP | RHP | HPW | ||
Tap position | ![]() | ![]() | ![]() | ![]() |
Size and Position | left | Right side | both sides | cross section |
M5 depth 10 | LSP | RSP | SPW | |
Tap position | ![]() | ![]() | ![]() | ![]() |
[!]The allowable guideline load is the load that causes the frame to deflect within 1 mm per 1000 mm of length.
Deflection exceeding this will not cause damage, but it should be considered the maximum practical deflection.(The allowable guideline deflection is proportional to the length. For example, 500 mm = 0.5 mm, 2000 mm = 2 mm.)Please refer to
the aluminum frame strength guideline table or the simplified deflection calculation table/deflection calculation formula for your reference.

Type Overview of Aluminum Frames
| Standard Aluminum Frames | Lightweight Aluminum Frames | High-rigidity Aluminum Frames | ||||||
| HFS Type | EFS type | NFS (NEFS) type | HFSL type | NFSL type | GFS type | GNFS type | ||
| Cross-sectional photo | ![]() | ![]() | ![]() | ![]() | ![]() | ![]() | ![]() | |
| Material | A6005CSS-T5 | A6005CSS-T5 | A6063S-T5 | A6005CSS-T5 | A6063S-T5 | A6061SS-T6 equivalent | A6063S-T6 equivalent | |
| Features | Standard cross-sectional shape. | Aluminum Frames, This frame maintains the same rigidity as the HFS series while achieving lighter weight and lower cost. | A significant price reduction has been achieved by changing the material. Strength (*) is the same as the HFSand EFS series. | Aluminum Frames, This frame is designed to be lightweight and inexpensive. It is suitable for situations where lightweight andinexpensiveness are prioritized over strength. | By changing the material from HFSL, we have achieved a further price reduction. Strength (*) is the same asthe HFSL series. | A thick frame that is designed for high rigidity, suitable for enclosures that are subject to highloads. | Aluminum Frames, A significant price reduction has been achieved by changing the material of the load-bearing and rigid frame.Strength (*) is the same as the GFS series. | |
| Surface Treatment | White anodized , black anodized , clear coated , baked finish (yellow) | White anodized aluminum Black anodized aluminum | White anodized aluminum Black anodized aluminum | White anodized aluminum Black anodized aluminum | White anodized aluminum | White anodized aluminum | White anodized aluminum | |
| Compatible Series | 5 | ○ | - | ○ | - | - | - | - |
| 6 | ○ | ○ | ○ | ○ | ○ | |||
| 8 | ||||||||
| 8-45 | ||||||||




































