5 Series Aluminum Frame - 25x50mm, 6mm Slot Width

Caution
- Additional freight and delivery charge are added to items longer than 2000.5mm
- Due to Air shipment restrictions, the maximum allowable cargo length is not over than 2,600 mm. If the item exceeds 2600mm, the lead time will be approximately 1.5 months. Please contact MISUMI for more information.
- Download Free! >> Economy Series Catalog (TH-EN-FY25) CLICK here
Product Description
Aluminum Frame 5 Series/slot width 6/25x50mm.
Aluminium Profile is a device used to build machine structures, available in various sizes,cross section shapes and with different types of surfaces treatment to choose from.
[Feature]
● Shape : Rectangle.
● Slot width :6 mm.
● Cross-section : 25 mm. x 50 mm.
number of width slot = 1 slot
number of length slot = 2 slots
● Overall length :The size is configurable between 50 to 4000 mm, and the minimum length can be increased by increments 0.5 mm.
● Material : Aluminium grade A6N01SS-T5 and A6063S-T5
● Surface treatment: Clear Anodize and Black Anodize
[Application]
Used for automatic machine structures in various industries such as automotive industry, electronics industry, etc.
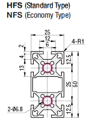
Dimensional Drawing of Aluminum Frames


| 5 Series |
![]() |

Groove details
(common to all series)
Groove bottom details
(HFS, CAF, HFSY types)
Enlarged view of part A
[ ! ]Aluminum Frames, The cut surfaces and additionally machined areas are not surface treated.
[ ! ]If you request additional tapped holes, the processing will be performed in the red circled areas on the aluminumextrusion outline drawing.
Specified Length Aluminum Frames Specifications Table (Additional Processing: Possible)
| Model Aluminum Frames | − | L |
| HFS5-2550 | − | 800 |
| type | Material | Surface Treatment | Model | L specified in 0.5mm increments | Mass kg/m | Cross-sectional area mm 2 | Moment of inertia mm 4 | |
| ℓx | ℓy | |||||||
| HFS | A6005CSS-T5 | White anodized aluminum | HFS5-2 550 | 50 to 4000 | 1.36 | 503 | 2.97× 104 | 12.74× 104 |
| HFS | A6005CSS-T5 | Black anodized aluminum | HFS B5-2550 | 50 to 4000 | 1.36 | 503 | 2.97× 104 | 12.74× 104 |
Fixed Length Aluminum Frames Specifications Table (Effective Length 4000mm)
| Model Aluminum Frames | − | L |
| KHFS5-2550 | − | 4000 |
| type | Material | Surface Treatment | Model | Lmm | Cross-sectional area mm 2 | Moment of inertia mm 4 | |
| ℓx | ℓy | ||||||
| HFS | A6005CSS-T5 | White anodized aluminum | KHF S5-2550 | 4000 | 503 | 2.97× 104 | 12.74× 104 |
| HFS | A6005CSS-T5 | Black anodized aluminum | KHFSB5-2550 | 4000 | 503 | 2.97× 104 | 12.74× 104 |
The actual length including the gripping allowance will be 4000 mm or more (it will be several tens of mmlonger).
As fixed-length frames are frames that are cut by the customer, the exact length cannot be specified.
Alterations of Aluminum Frames (Specified Length Only, Fixed Length Not Possible)
Some frames cannot be applied depending on the type and size. Please check the price list on each alteration page tosee if it is applicable.
Aluminum Frames, Items marked with "-" in the price list cannot be applied.
| classification | Additional Work name | Alteration code example | How to Use | Content | catalog |
|---|---|---|---|---|---|
| End face tapping | End face tap (center hole) | LTP/RTP/TPW LHP/RHP/HPW | ![]() | The frame is tapped. LTP/RTP/TPW: M8 depth 24mm LHP/RHP/HPW: M5 depth 10mm (with helical insert inserted) This processing is required for blind joints ( screw joints / simple joints ). | |
| Change cutting method | High-precision cutting | SC | ![]() | The tolerance of the overall length L has been changed from L±0.5 to L±0.2, allowing for high-precision cutting. *Only applicable to L≦1500 | |
| 45 degree cut | L□T45 R□T45 | ![]() | The cut is made at a 45-degree angle. 45-degree cuts cannot be specified in the same direction with other alterations. Example: HFS6-3030-500- L TP- LAT45 ⇒ ✖ (alterations in the same direction (left)) HFS6-3030-500- L TP- RAT45 ⇒ 〇 (separate alterations on left and right) [ ! ]If you would like to cut at an angle other than 45 degrees, please contact our catalog non-standard product service . | ||
| Wrench Drilling | Fixed position wrench hole | LCH/LCV/LCP RCH/RCV/RCP | ![]() | Aluminum Frames, This additional processing is required to drill a wrench hole (φ7.35) to match the position of the tap on theend face of the mating frame when fastening a blind joint that assembles frames into an L shape. Blind joints that require this processing ( screw joints / single joints / tapping joints ) | |
Hole position shifted by the thickness of the frame cap | FL FR | ![]() | Aluminum Frames, The hole position for the additional fixed position wrench hole is moved by the thickness of the frame cap (2.5mm). This prevents the frame cap from protruding when assembled at a corner. | ||
| Wrench holes at specified positions | AH/BH/CH/DH/EH AV/BV/CV/DV/EV AP/BP/CP/DP/EP | ![]() | Aluminum Frames, This is an additional process to drill wrench holes (φ7.35) at any desired position. It can be used whenfastening blind joints at locations other than the frame end. ・ Up to five holes can be drilled in each of the horizontal, vertical, and cross directions. [!] If you require six or more wrench holes, please contact our non-standard product service . | ||
| Counterbore Drilling | Specified position counterbored hole | Z5-XA○○ Z6-YA○○ | ![]() | Aluminum Frames, This is an additional process to drill a counterbore hole (selectable from Z5 or Z6) at any position. ・Z5: Through hole φ5.5, counterbore hole φ9.5, Z6: Through hole φ6.5, counterbore hole φ11 . ・Up to five holes can be drilled in one direction. ・For frames with multiple rows of grooves on one surface, counterbore holes will be machined in all grooves. [ ! ]If you require more than six counterbore holes or to change the direction of the counterbore holes, please contact our non-standard product service . | |
| Drilling holes specifically for blind joints | M hole | LMH RMH | ![]() | Drills holes required for connecting post-assembly double joints and center joints. ( Post-assembly double joints / center joints ) | |
| Other processing | C-chamfered end | CW | ![]() | The outer periphery of the frame end face is chamfered. | |
| Sticking stickers | ZZZ | ![]() | Aluminum Frames, A sticker printed with the catalog number etc. is attached to the aluminum frame. There are restrictions on the number of characters etc., but it is also possible to print the customer's serialnumber and unit number. |
5 Series Related Parts of Aluminum Frames
■Aluminum Frames accessories
| Product name | bracket | Blind Joint | nut | Frame cap | Groove cover |
|---|---|---|---|---|---|
| photograph | ![]() | ![]() | ![]() | ![]() | ![]() |
| Product page | Here | Here | Here | Here | Here |
Selection Support Information of Aluminum Frames
Frame connection methods can be broadly divided into the following two types.
bracket | Blind Joint | ||
Connection example | ![]() | ![]() | |
Features of Aluminum Frames | - Connects outside the frame - Can be moved to any position - Not aesthetically pleasing | ・Connects inside the frame ・Aesthetically pleasing ・Requires processing of the frame |

















