5 Series Aluminum Frame - Square 40x40mm, 4 Side Slots, A6N01SS-T5 Aluminum

Caution
- Additional freight and delivery charge are added to items longer than 2000.5mm
- Due to Air shipment restrictions, the maximum allowable cargo length is not over than 2,600 mm. If the item exceeds 2600mm, the lead time will be approximately 1.5 months. Please contact MISUMI for more information.
- For Aluminum Frame N-Series, please click here (Aluminum Frame N-Series)
- Download Free! >> Economy Series Catalog (TH-EN-FY25) CLICK here
Product Description
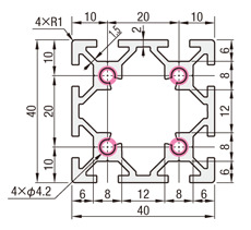
Aluminum Frame 5 Series/ Slot width 6/40x40mm.
Aluminium Profile is a device used to build machine structures, available in various sizes,cross section shapes and with different types of surfaces treatment to choose from.
[Feature]
● Shape : Square
● Slot width : 6 mm. / 2 slot per side
● Cross-section : 40 mm. X 40 mm.
● Overall length :The size is configurable between 50 to 4000 mm, and the minimum length can be increased by increments 0.5 mm.
● Material : Aluminium grade A6N01SS-T5 and A6063S-T5
● Surface treatment: Clear/ Black Anodize, Clear Coating
[Application]
Used for automatic machine structures in various industries such as automotive industry, electronics industry, etc.
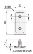
Dimensional Drawing of Aluminum Frames


*No tolerance regulations for fixed length frames
| 5 Series |
![]() |

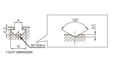
Groove details
(common to all series)
Groove bottom details
(HFS, CAF, HFSY types)
Enlarged view of part A
[ ! ]The cut surfaces and additionally machined areas are not surface treated.
[ ! ]Aluminum Frames, If you request additional tapped holes, the processing will be performed in the red circled areas on the aluminumextrusion outline drawing.
Specified Length Aluminum Frames Specifications Table (Additional Processing: Possible)
| Model Aluminum Frames | − | L |
| HFS5-4040 | − | 800 |
| type | Material | Surface Treatment | Model | L specified in 0.5mm increments (tolerance ±0.5mm) | Mass kg/m | Cross-sectional area mm 2 | Moment of inertia mm 4 | |
| ℓx | ℓy | |||||||
| HFS | A6005CSS-T5 | White anodized aluminum | HFS5-4040 | 50 to 4000 | 1.28 | 472 | 8.89× 104 | 8.89× 104 |
| HFS | A6005CSS-T5 | Black anodized aluminum | HFSB5-4040 | 50 to 4000 | 1.28 | 472 | 8.89× 104 | 8.89× 104 |
| HFS | A6005CSS-T5 | Clear coating | CAF5-4040 | 50-400 0 | 1.28 | 472 | 8.89× 104 | 8.89× 104 |
| HFS | A6005CSS-T5 | Baked finish (yellow) *1 | HFSY5-4040 | 50-400 0 | 1.28 | 472 | 8.89× 104 | 8.89× 104 |
[ ! ] If you require a length of 6000 mm without anodizing,
Fixed Length Aluminum Frames Specifications Table (Effective Length 4000mm)
| Model Aluminum Frames | − | L |
| KHFS5-4040 | − | 4000 |
| type | Material | Surface Treatment | Model | Lmm (no tolerance specified) | Cross-sectional area mm 2 | Moment of inertia mm 4 | |
| ℓx | ℓy | ||||||
| HFS | A6005CSS-T5 | White anodized aluminum | KHFS5-4040 | 4000 | 472 | 8.89× 104 | 8.89× 104 |
| HFS | A6005CSS-T5 | Black anodized aluminum | KHFSB5-4040 | 4000 | 472 | 8.89× 104 | 8.89× 104 |
| HFS | A6005CSS-T5 | Clear coating | KCAF5-4040 | 4000 | 472 | 8.89× 104 | 8.89× 104 |
| HFS | A6005CSS-T5 | Baked finish (yellow) *1 | KHFSY5-4040 | 4000 | 472 | 8.89× 104 | 8.89× 104 |
[ ! ]An effective length of 4000 mm means that the frame has an effective length of 4000 mm or more that can actually beused.
Aluminum Frames, The actual size including the gripping area will be 4000 mm or more (it will be several tens of mm longer).
The fixed length frame is a frame that the customer cuts to their own size, so the exact length cannot bespecified.
Alterations of Aluminum Frames (Specified Length Only, Fixed Length Not Possible)
Some frames are not applicable depending on the type and size. Please check the price list listed on eachalteration page to see if the alteration is applicable.
Aluminum Frames, Items marked with "-" in the price list are not applicable.
| classification | Additional Work name | Alteration code example | How to Use | Content |
|---|---|---|---|---|
| End face tapping | End face tap (center hole) | LTP/RTP/TPW LHP/RHP/HPW | ![]() | The frame is tapped. LTP/RTP/TPW: M5 depth 15mm LHP/RHP/HPW: M3 depth 6mm (with helical insert inserted) This processing is required for blind joints ( screw joints / simple joints ). |
| Change cutting method | High-precision cutting | SC | ![]() | The tolerance of the overall length L has been changed from L±0.5 to L±0.2, allowing for high-precisioncutting. *Only applicable to L≦1500 |
| 45 degree cut | L□T45 R□T45 | ![]() | The cut is made at a 45-degree angle. 45-degree cuts cannot be specified in the same direction with other alterations. Example: HFS6-3030-500- L TP- LAT45 ⇒ ✖ (alterations in the same direction (left)) HFS6-3030-500- L TP- RAT45 ⇒ 〇 (separate alterations on left and right) [ ! ]If you would like to cut at an angle other than 45 degrees, please contact our catalog non-standard product service . | |
| Wrench Drilling | Fixed position wrench hole | LCH/LCV/LCP RCH/RCV/RCP | ![]() | Aluminum Frames, This additional processing is required to drill a wrench hole (φ7.35) to match the position of the tap on theend face of the mating frame when fastening a blind joint that assembles frames into an L shape. Blind joints that require this processing ( screw joints / single joints / tapping joints ) |
Hole position shifted by the thickness of the frame cap | FL FR | ![]() | Aluminum Frames, The hole position for the additional fixed position wrench hole is moved by the thickness of the frame cap (3mm). This prevents the frame cap from protruding when assembled at a corner. | |
| Wrench holes at specified positions | AH/BH/CH/DH/EH AV/BV/CV/DV/EV AP/BP/CP/DP/EP | ![]() | Aluminum Frames, This is an additional process to drill wrench holes (φ7.35) at any desired position. It can be used whenfastening blind joints at locations other than the frame end. ・ Up to five holes can be drilled in each of the horizontal, vertical, and cross directions. [!] If you require six or more wrench holes, please contact our non-standard product service . | |
| Counterbore Drilling | Specified position counterbored hole | Z5-XA○○ Z6-YA○○ | ![]() | This is an additional process to drill a counterbore hole (selectable from Z5 or Z6) at any position. ・Z5: Through hole φ5.5, counterbore hole φ9.5, Z6: Through hole φ6.5, counterbore hole φ11 . ・Up to five holes can be drilled in one direction. ・For frames with multiple rows of grooves on one surface, counterbore holes will be machined in all grooves. [ ! ]If you require more than six counterbore holes or to change the direction of the counterbore holes, please contact our non-standard product service . |
| Drilling holes specifically for blind joints | M hole | LMH/LMV RMH/RMV | ![]() | Drills holes required for connecting post-assembly double joints and center joints. ( Post-assembly double joints / center joints ) |
| L hole | JLP○○-H△ KLP○○-H△ | ![]() | Drill holes required for connecting parallel joints. ( Parallel joints ) | |
| Other processing | C-chamfered end | CW | ![]() | Aluminum Frames, The outer periphery of the frame end face is chamfered. |
| Sticking stickers | ZZZ | ![]() | A sticker printed with the catalog number etc. is attached to the aluminum frame. There are restrictions on the number of characters etc., but it is also possible to print the customer'sserial number and unit number. |
5 Series Related Parts of Aluminum Frames
■Aluminum Frames accessories
| Product name | bracket | Blind Joint | nut | Frame cap | Groove cover |
|---|---|---|---|---|---|
| photograph | ![]() | ![]() | ![]() | ![]() | ![]() |
| Product page | Here | Here | Here | Here | Here |
■Aluminum Frames, List of compatible frame caps
Frame model number | Compatible frame caps | |||||
Product Type | color | Thickness | Model number | Number of uses | ||
HFS5-4040, HFSB5-4040 , HFSY5-4040 , CAF5-4040 Aluminum Frames, fixed length frames (model numbers beginning with K) are also the same. | ![]() | Cap stopper | black | 2.5 | 1 | |
Light gray | 2.5 | 1 | ||||
![]() | Cap stopper (long leg type) | black | 2.5 | 2 | ||
Light gray | 2.5 | 2 | ||||
![]() | bolted | black | 2.5 | 1 | ||
Light gray | 2.5 | 1 | ||||
yellow | 2.5 | 1 | ||||
Selection Support Information of Aluminum Frames
Frame connection methods can be broadly divided into the following two types. >>
bracket | Blind Joint | ||
Connection example | ![]() | ![]() | |
Features | - Connects outside the frame - Can be moved to any position - Not aesthetically pleasing | ・Connects inside the frame ・Aesthetically pleasing ・Requires processing of the frame |
Type Overview of Aluminum Frames
| Standard Aluminum Frames | Lightweight Aluminum Frames | High-rigidity Aluminum Frames | ||||||
| HFS Type | EFS type | NFS (NEFS) type | HFSL type | NFSL type | GFS type | GNFS type | ||
| Cross-sectional photo | ![]() | ![]() | ![]() | ![]() | ![]() | ![]() | ![]() | |
| Material | A6005CSS-T5 | A6005CSS-T5 | A6063S-T5 | A6005CSS-T5 | A6063S-T5 | A6061SS-T6 equivalent | A6063S-T6 equivalent | |
| Features | Standard cross-sectional shape. | This frame maintains the same rigidity as the HFS series while achieving lighter weight and lower cost. | Aluminum Frames, A significant price reduction has been achieved by changing the material. Strength (*) is the same as the HFSand EFS series. | This frame is designed to be lightweight and inexpensive. It is suitable for situations where lightweight andinexpensiveness are prioritized over strength. | By changing the material from HFSL, we have achieved a further price reduction. Strength (*) is the same as theHFSL series. | Aluminum Frames, A thick frame that is designed for high rigidity, suitable for enclosures that are subject to high loads. | A significant price reduction has been achieved by changing the material of the load-bearing and rigid frame.Strength (*) is the same as the GFS series. | |
| Surface Treatment | White anodized , black anodized , clear coated , baked finish (yellow) | White anodized aluminum Black anodized aluminum | White anodized aluminum Black anodized aluminum | White anodized aluminum Black anodized aluminum | White anodized aluminum | White anodized aluminum | White anodized aluminum | |
| Compatible Series | 5 | ○ | - | ○ | - | - | - | - |
| 6 | ○ | ○ | ○ | ○ | ○ | |||
| 8 | ||||||||
| 8-45 | ||||||||
Color Image of Aluminum Frames
White anodized aluminum | Clear coating (glossy) | Black anodized aluminum | Baked finish (yellow) | |
End face photo | ![]() | ![]() | ![]() | ![]() |
[ ! ] There is no anodizing or painting on either end.
[ ! ]Aluminum Frames, The clear coating is a transparent coating applied over white anodizing. The surface has a glossy finish.
[ ! ]There are no color numbers or color standards for black anodizing and white anodizing.































