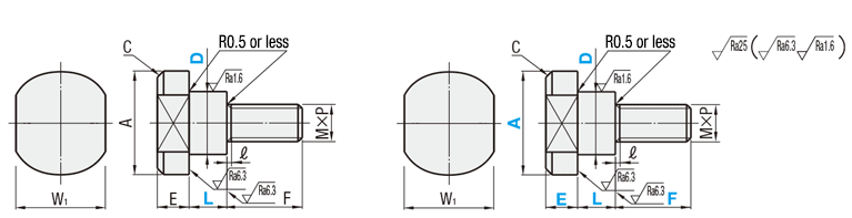
Fulcrum Pins - Selectable / Configurable - Wrench Flats

Brand :
MISUMI
Caution
Product Description
Selectable from 4 types of head shape.
·Selectable Type ·Configurable Type

| Selectable Type | Configurable Type | [M] Material | [H] Hardness | [S] Surface Treatment | ||
| D | −0.01 −0.05 | D | −0.01 −0.05 | |||
| CBDBW | FCBDBW | S45C Equivalent | — | Black Oxide | ||
| CBDBWH | FCBDBWH | 40 to 45HRC | ||||
| — | FCBDMW | — | Electroless Nickel Plating | |||
| — | FCBDMWH | 40 to 45HRC | ||||
— | FCBDSW | SUS304 | — | — | ||
| CBDW | FCBDW | SUS303 | — | |||
| — | FCBDWH | SUS440C or 13Cr Stainless Steel | 45 to 50HRC | |||
App. Example
