Pre-Assembly Insertion Nuts for Aluminum Frames with Temporary Holding Function - For 5 Series (Slot Width 6mm)

Caution
- Download Free! >> Economy Series Catalog (TH-EN-FY25) CLICK here
Product Description
Post-assembly insertion spring nut for aluminum frames with a built-in spring and a temporary stop function. You can easily move through the groove by pressing it lightly with your hand.
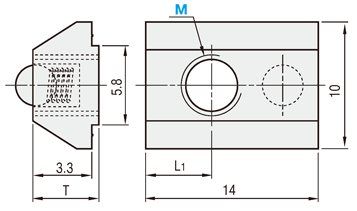
Dimensional Drawing of Nuts
Single Nuts model | Pack Nuts Type | |
| HNTU5(equivalent to S10C) HNTUV5(anti-loosening adhesive type, equivalent to S10C) HNTUZ5(anti-loosening resin coating type, equivalent to S10C) SHNTU5(equivalent to SUS304, sintered) | PACK-HNTU5(Pack of 100) PACK-HNTUV5(Pack of 100) PACK-HNTUZ5(Pack of 100) PACK-SHNTU5(Pack of 100) |
| Reference tightening torque (N・m) | ![]() | ||
| M | Equivalent to S10C/Equivalent to SUS304 (sintered) | ||
| 5 | 6.8 | ||
| NO | Type | [M]Nuts Material | |||
| Main unit | ball | Spring | [S] Surface Treatment | ||
| ① | HNTU5 | Equivalent to S10C | SUS304 | SWP-A | Trivalent Chromate |
| ② | PACK-HNTU5 | ||||
| ③ | HNTUV5 | ||||
| PACK-HNTUV5 | |||||
| ④ | HNTUZ5 | ||||
| PACK-HNTUZ5 | |||||
| ⑤ | SHNTU5* | Equivalent to SUS304 | SUS304 | SUS304-WP8 | − |
| ⑥ | PACK-SHNTU5* | (Sintering) | |||
Specification Table of Nuts
| Nuts Model | − | M |
| HNTU5 | − | 5 |
| PACK-HNTU5 | − | 5 |
・To check the latest price, please click the "Check Price" button after confirming the model number.
| Nuts Model | M | T | L1 | ||
| HNTU5(S10C equivalent) | 3 | 4 | 5 | 4.1 | 4.5 |
| HNTUV5 (Prevents loosening, equivalent to S10C) | 5 | ||||
| HNTUZ5 (loosening prevention, equivalent to S10C) | 5 | ||||
| SHNTU5(equivalent to SUS304, sintered) | 3 | 4 | 5 | 4.7 | 3.5 |
. The price list below is currentas of April 2011.
To check the latest price, please click the "Check Price" button after confirming the model number.
| Nuts Model | M (coarse) | ||
| PACK-HNTU5 | 3 | 4 | 5 |
| PACK-HNTUV5 | 5 | ||
| PACK-HNTUZ5 | |||
| PACK-SHNTU5 | 3 | 4 | 5 |
Specifications/Overview of Nuts
■ Nuts Anti-loosening type

- This Nuts has a loosening prevention agent applied to the inside of the tap. This reduces loosening caused by vibrations during transportation or equipment operation.
- What is a loosening prevention adhesive? It is an anaerobic adhesive encapsulated in microcapsules. It effectively prevents loosening, but please note that it requires a hardening time (72 hours at room temperature 25°C) and that it isno longer effective once loosened.
- Resin coating is a coating of resin that conforms to the shape of the screw. Although it does not have the same locking effect as adhesive types, it can be used repeatedly without requiring hardening time.
| Features | Release torque after tightening (1st time) | Additional information | |||
|---|---|---|---|---|---|
| No anti-fouling agent applied | - | 5.2N・m | - | ||
| Anti-loosening adhesive type | ・Effectively prevents loosening ・However, once loosened, the effect is lost ・After tightening, the adhesive needs time to harden (approximately 72 hours at room temperature 25℃) | 7.6N・m | Test conditions: Tightened to 6.8 Nm, dried at room temperature (25°C) for 72 hours, then loosened the bolts. Measured with HNTTV5-5 | ||
| Anti-loosening resin coated type | - The anti-loosening effect can be used repeatedly (the anti-loosening effect will decrease with repeated use) - The anti-loosening effect is immediate after fastening | 6.5N・m | ・The loosening prevention effect decreases with repeated use. ・5th return torque: 6.2N・m (measured with HNTTZ5-5) | ||
* The torque value is a reference value. The value may vary depending on the clearance between the bolt and Nuts.
- The conductive Nuts has a protrusion.
- When installed, the protrusions peel off the anodized coating on the aluminum frame, making it conductive.
How to Use of Nuts
■This product is a pre-inserted Nuts. Please insert it into the aluminum frame before use.
■・It will not fall off even if the frame is vertical.
・The built-in spring mechanism prevents it from slipping. It can be easily moved in the groove by lightly pressing it with your hand.

Nuts for Attaching Various Aluminum Frames and Panels/Brackets (M size - L size)
| Groove Width | Frame angle | Depth h | Compatible Nuts | Thickness b (mm) of the panel/bracket to be attached to the frame | ||||||||||||||
|---|---|---|---|---|---|---|---|---|---|---|---|---|---|---|---|---|---|---|
| 0.8 | 1 | 1.2 | 1.5 | 2 | 3 | 4 | 4.5 | 5 | 6 | 8.2 | 9 | 10 | 12 | 14 | ||||
| 6 | 20 | 6 | 5-3 | M3-6 | M3-8 | M3-10 | M3-12 | M3-15 | M3-18 | |||||||||
| 5-4 | M4-6 | M4-8 | M4-10 | M4-12 | M4-15 | M4-18 | ||||||||||||
| 5-5 | - | M5-8 | M5-10 | M5-12 | M5-15 | M5-18 | ||||||||||||
Technical Information of Nuts
| Reference tightening torque (N・m) | ||
|---|---|---|
| M | Equivalent to S10C/Equivalent to SUS304 (sintered) | |
| 5 | 6.8 | |
Selection Support Information of Nuts
■ Compatible series
This product is compatible withMisumi 5 series (slot width 6 mm) aluminum frames.

・MISUMI aluminum frame Nuts are available in a variety of types, including first-in and last-in. Use them according to your needs.
First-in: Install from the groove end face before assembly. They are wide and have little play inside the groove, making bolt tightening easy.

Post-insertion: Can be installed through the groove after assembly.

To remove the Nuts, hook the hex wrench into the hole in the Nuts and turn it at right angles to the groove.
5 Series Related Parts of Nuts
| Product name | Aluminum frame | bracket | Blind Joint | Frame cap | Groove cover |
|---|---|---|---|---|---|
| photograph | ![]() | ![]() | ![]() | ![]() | ![]() |
| Product page | Here | Here | Here | Here | Here |





