Cable Carriers-Slit Type

Brand :
MISUMI
Caution
Product Description
Cable Carriers suitable for being used in clean environments where particle generation is very low. The low noise level is achieved. Flaps open on either side.
| External Dimension Diagram | Cross-Section | |||
![]() | Outer Radius Mount | SE200F-2·3 SE300F-2 | ||
![]() | ![]() | |||
| Inner Radius Mount | SZ200F-2·3 SZ300F-2 | |||
![]() | ![]() |
Material: Special Plastic Operating Temp.: −30°C to 100°C Flammability Standard: UL94-V2
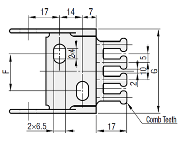
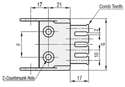
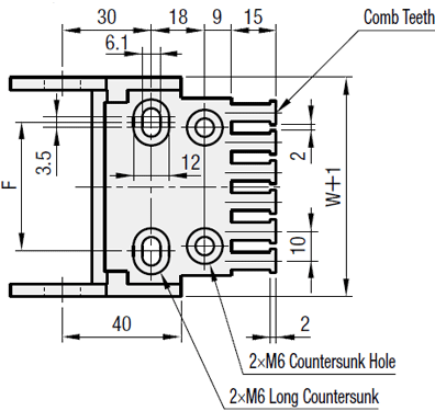
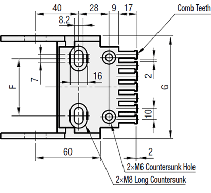
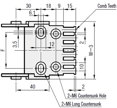
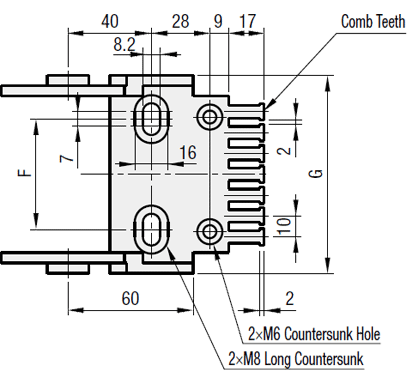
■Mounting Bracket Drawing| SE045F·SZ045F | SE08F·SZ08F | SE14F·SZ14F | SE16F·SZ16F | |||
| [Moving End] | ||||||
![]() | ![]() | ![]() | ![]() | |||
| [Fixed End] | * The only bracket type available for No. 16 and No. 20 of SE08F/SZ08F is the type with two center holes. | |||||
![]() | ![]() | ![]() | ![]() | |||
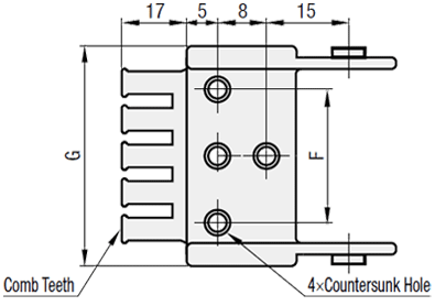
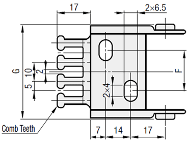
| SE200F·SZ200F | SE300F·SZ300F | ■Flat Head Screw Shape | ||||
| [Moving End] | ·For SE08 and SZ08![]() ·For SE16 and SZ16 ![]() ·For SE200 and SZ200 ![]() | ·For SE300 and SZ300![]() | ||||
![]() | ![]() | |||||
| [Fixed End] | ||||||
![]() | ![]() | |||||
[ ! ] Cable Carrier (10 Links and 1 Link) and mounting brackets are not assembled together at the time of delivery.
Link connection and brackets assembly are required for use.
[!] Install the mounting bracket fixed end on the lower side, and moving end on the upper side. (Refer to the Positional Relationship in External Dimension Diagram)
[ ! ] Insert cables through slits (openings) on the outer or inner circumference.
| ■Inserting Cables | ■Removing Cables | ||
![]() | ![]() | The cable can be removed by just pulling out. |
| Outer Radius Mount | Inner Radius Mount |
| Cable Carrier + Mounting Brackets | Cable Carrier + Mounting Brackets |
| SE045F | SZ045F |
| SE08F | SZ08F |
| SE14F | SZ14F |
| SE16F | SZ16F |
| SE200F | SZ200F |
| SE300F | SZ300F |
Specifications/Overview
| ■Mounting Bracket and Cable Securing Methods | ■Mounting Direction | |||
![]() | For Moving Ends | |||
| ·Mounting on the Outer Circumference | ·Mounting on the Inner Circumference | |||
![]() | ![]() | |||
| For Fixed Ends | ||||
| ·Mounting on the Outer Circumference | ·Mounting on the Inner Circumference | |||
![]() | ![]() | |||
| Cables are inserted in from the outer and inner circumference, and its end comb teeth are fixed in place with binding bands. | [ ! ] Common to Mounting on the Outer and Inner Circumferences; however, can not be mounted on the outer circumference for SE045F and SZ045F. | |||
It is recommended that links are selected longer by one or two links, and are adjusted (removed) at the time of installing (removing) device.



























