Resin Roller Conveyor Length Configurable - Roller Diameter 20mm, 30mm, 50mm

Caution
- For the guide holder alteration KN, the number of brackets that can be selected depends on the L dimension.
- Please check the content on our website as the PDF does not contain the most up-to-date information.
- Please be informed that the cut area surface of the frame is not surface treated.
Product Description
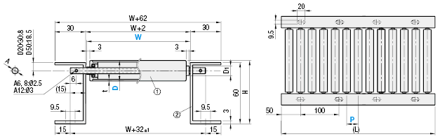
lightweight (approximately 2.3 kg/m) free roller conveyor made of resin rollers and an aluminum frame that can be specified in length.
It is highly versatile and can be used with gravity specifications.
You can choose from roller diameters of 20, 30, and 50 mm, roller pitch, length (1 m or less), and width.
In addition, conveyor stands, conveyor guides, and guide holders can be specified through additional machining.

[ ! ]For Alterations, see P.1170.
[ ! ]For Frame Side View, see P.1166.
[ ! ]If the L dimension is 400 or less, there are 2 holes with a pitch of 100, with the holes spaced equally from the center.
[ ! ]If the L dimension is 150 or less, there are no stand mounting holes.
| Type | Roller (HRJA) | Bearing | Frame | |
| [ M ]Material | [ M ]Material | [ M ]Material | [ S ]Surface Treatment | |
| ROCOP | ABS Plastic | Outer Wheel / Inner Wheel : Polyacetal Retainer : Nylon 66 Cover : ABS Plastic Ball : SUS304 | Aluminum | Clear Anodize |
| Type | R Pin | Frame Coupling Support | Screw, Nut | |||
| [ M ]Material | [ S ]Surface Treatment | [ M ]Material | [ S ]Surface Treatment | [ M ]Material | [ S ]Surface Treatment | |
| ROCOP | Steel | Trivalent Chromate | Steel | Trivalent Chromate | Steel | Trivalent Chromate |