Grease Fitting Straight Type

Brand :
MISUMI
Caution
Product Description
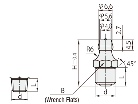
[Features]A straight type grease fitting. [Material]SUS303 and free-cutting brass (C3604BD).
GPA
GPAS
Fig.1

| Type | [M] Material | [S] Surface Treatment |
| GPA | Material: Free-Cutting Brass (C3604 BD) | Nickel Plating |
| GPAS | SUS303 Equivalent | — |